Трансформатор

Эле́ктротрансформа́тор, в разговорной речи чаще просто трансформа́тор (от лат. transformare — «превращать, преобразовывать») — статическое электромагнитное устройство, имеющее две или более индуктивно связанные обмотки на каком-либо магнитопроводе и предназначенное для преобразования посредством электромагнитной индукции одной или нескольких систем (напряжений) переменного тока в одну или несколько других систем (напряжений) без изменения частоты[1][2].

Трансформатор осуществляет преобразование переменного напряжения и/или гальваническую развязку в самых различных областях применения — электроэнергетике, электронике и радиотехнике.

Конструктивно трансформатор может состоять из одной (автотрансформатор) или нескольких изолированных проволочных либо ленточных обмоток (катушек), охватываемых общим магнитным потоком, намотанных, как правило, на магнитопровод (сердечник) из ферромагнитного магнитомягкого материала.

Трансформатор силовой ОСМ 0,16 — Однофазный сухой многоцелевого назначения мощностью 0,16 кВА

История

Для создания трансформаторов необходимо было изучение свойств материалов: неметаллических, металлических и магнитных, создания их теории[3].

В 1831 году английским физиком Майклом Фарадеем было открыто явление электромагнитной индукции, лежащее в основе действия электрического трансформатора, при проведении им основополагающих исследований в области электричества. 29 августа 1831 года Фарадей описал в своём дневнике опыт, в ходе которого он намотал на железное кольцо диаметром 15 см и толщиной 2 см два медных провода длиной 15 и 18 см. При подключении к зажимам одной обмотки батареи гальванических элементов начинал отклоняться гальванометр на зажимах другой обмотки. Так как Фарадей работал с постоянным током, при достижении в первичной обмотке своего максимального значения ток во вторичной обмотке исчезал, и для возобновления эффекта трансформации требовалось отключить и снова подключить батарею к первичной обмотке.

Схематичное изображение будущего трансформатора впервые появилось в 1831 году в работах М. Фарадея и Д. Генри. Однако ни тот, ни другой не отмечали в своём приборе такого свойства трансформатора, как изменение напряжений и токов, то есть трансформирование переменного тока[4].

В 1848 году немецкий механик Г. Румкорф изобрёл индукционную катушку особой конструкции. Она явилась прообразом трансформатора[3].

Александр Григорьевич Столетов (профессор Московского университета) сделал первые шаги в этом направлении. Он обнаружил петлю гистерезиса и доменную структуру ферромагнетика (1872 год).

30 ноября 1876 года, дата получения патента Павлом Николаевичем Яблочковым[5], считается датой рождения первого трансформатора переменного тока. Это был трансформатор с разомкнутым сердечником, представлявшим собой стержень, на который наматывались обмотки.

Первые трансформаторы с замкнутыми сердечниками были созданы в Англии в 1884 году братьями Джоном и Эдуардом Гопкинсон[4].

В 1885 г. венгерские инженеры фирмы «Ганц и К°» Отто Блати, Карой Циперновский и Микша Дери изобрели трансформатор с замкнутым магнитопроводом, который сыграл важную роль в дальнейшем развитии конструкций трансформаторов.

Братья Гопкинсон разработали теорию электромагнитных цепей[3]. В 1886 году они научились рассчитывать магнитные цепи.

Эптон, сотрудник Эдисона, предложил делать сердечники наборными, из отдельных листов, чтобы снизить потери на вихревые токи.

Большую роль для повышения надёжности трансформаторов сыграло введение масляного охлаждения (конец 1880-х годов, Д. Свинберн). Свинберн помещал трансформаторы в керамические сосуды, наполненные маслом, что значительно повышало надёжность изоляции обмоток[6].

С изобретением трансформатора возник технический интерес к переменному току. Российский электротехник Михаил Осипович Доливо-Добровольский в 1889 г. предложил трёхфазную систему переменного тока с тремя проводами[7], построил первый трёхфазный асинхронный двигатель с короткозамкнутой обмоткой типа «беличья клетка» и трёхфазной обмоткой на роторе[8], первый трёхфазный трансформатор с тремя стержнями магнитопровода, расположенными в одной плоскости. На электротехнической выставке во Франкфурте-на-Майне в 1891 г. Доливо-Добровольский демонстрировал опытную высоковольтную электропередачу трёхфазного тока протяжённостью 175 км. Трёхфазный генератор имел мощность 230 кВт при напряжении 95 кВ.

В начале 1900-х английский исследователь-металлург Роберт Хедфилд провёл серию экспериментов для установления влияния добавок на свойства железа. Лишь через несколько лет ему удалось поставить заказчикам первую тонну трансформаторной стали с добавками кремния[9].

Следующий крупный скачок в технологии производства сердечников был сделан в начале 30-х годов XX в, когда американский металлург Норман П. Гросс установил, что при комбинированном воздействии прокатки и нагревания у кремнистой стали появляются улучшенные магнитные свойства вдоль направления прокатки: магнитное насыщение увеличивалось на 50 %, потери на гистерезис сокращались в 4 раза, а магнитная проницаемость возрастала в 5 раз[9].

Базовые принципы действия

Схематическое устройство трансформатора. 1 — первичная обмотка, 2 — вторичная

Работа трансформатора основана на двух базовых принципах:

  1. Изменяющийся во времени электрический ток создаёт изменяющееся во времени магнитное поле (электромагнетизм).
  2. Изменение магнитного потока, проходящего через обмотку, создаёт ЭДС в этой обмотке (электромагнитная индукция).

На одну из обмоток, называемую первичной обмоткой, подаётся напряжение от внешнего источника. Протекающий по первичной обмотке переменный ток намагничивания создаёт переменный магнитный поток в магнитопроводе. В результате электромагнитной индукции переменный магнитный поток в магнитопроводе создаёт во всех обмотках, в том числе и в первичной, ЭДС индукции, пропорциональную первой производной магнитного потока, при синусоидальном токе, сдвинутом на 90° в обратную сторону по отношению к магнитному потоку.

В некоторых трансформаторах, работающих на высоких или сверхвысоких частотах, магнитопровод может отсутствовать.

Форма напряжения во вторичной обмотке связана с формой напряжения в первичной обмотке довольно сложным образом. Благодаря этой сложности удалось создать целый ряд специальных трансформаторов, которые могут выполнять роль усилителей тока, умножителей частоты, генераторов сигналов и т. д.

Исключение — силовой трансформатор. В случае классического трансформатора переменного тока, предложенного П. Яблочковым, он преобразует синусоиду входного напряжения в такое же синусоидальное напряжение на выходе вторичной обмотки.

Трансформаторы работают только на переменном токе.

Закон Фарадея

ЭДС, создаваемая во вторичной обмотке, может быть вычислена по закону Фарадея, который гласит:

где:

 — напряжение на вторичной обмотке;
 — число витков во вторичной обмотке;
 — суммарный магнитный поток, через один виток обмотки.

Если витки обмотки расположены перпендикулярно линиям магнитного поля, то поток будет пропорционален магнитному полю и площади , через которую он проходит.

ЭДС, создаваемая в первичной обмотке, соответственно равна:

где:

 — мгновенное значение напряжения на концах первичной обмотки;
 — число витков в первичной обмотке.

Разделив уравнение на , получим отношение[10]:

Уравнения идеального трансформатора

Идеальный трансформатор — трансформатор, у которого отсутствуют потери энергии на гистерезис, вихревые токи и потоки рассеяния обмоток[11]. В идеальном трансформаторе все силовые линии проходят через все витки обеих обмоток, и, поскольку изменяющееся магнитное поле порождает одну и ту же ЭДС в каждом витке, суммарная ЭДС, индуцируемая в обмотке, пропорциональна полному числу её витков. Такой трансформатор всю поступающую энергию из первичной цепи трансформирует в магнитное поле и затем в энергию вторичной цепи. В этом случае поступающая энергия равна преобразованной энергии:

где:

 — мгновенное значение поступающей на трансформатор мощности, которая возникает в первичной цепи;
 — мгновенное значение преобразованной трансформатором мощности, поступающей во вторичную цепь.

Объединив это уравнение с отношением напряжений на концах обмоток, получим уравнение идеального трансформатора:

[12]

где  — коэффициент трансформации.

Таким образом, при увеличении напряжения на концах вторичной обмотки , уменьшается ток вторичной цепи .

Для преобразования сопротивления одной цепи к сопротивлению другой нужно умножить величину на квадрат отношения[13]. Например, сопротивление подключено к концам вторичной обмотки, его приведённое значение к первичной цепи будет . Данное правило справедливо также и для первичной цепи:

Формально идеальный трансформатор описывается с помощью модели четырёхполюсника.

Модель реального трансформатора

В модели идеального трансформатора для упрощения не учитываются некоторые явления, наблюдаемые на практике и которыми не всегда можно пренебречь:

Наличие ненулевого тока холостого хода

В общем случае для магнитоэлектрической системы, которой является и реальный трансформатор, циркуляция вектора напряжённости магнитного поля по контуру равна полному току, находящемуся внутри контура.

Математически описание этого явления производится с помощью уравнения полного тока. В системе СИ оно будет иметь следующий вид:

где:

 — вектор напряжённости магнитного поля, [А/м];
 — элементарный участок контура интегрирования (векторная величина), [м];
 — суммарный ток, охватываемый контуром интегрирования;
 — токи переходных процессов, возникающие в трансформаторе.

Применительно к двухобмоточному трансформатору, работающему под нагрузкой, закон полного тока можно упрощённо записать как:

где:

 — напряжённость магнитного поля в магнитопроводе (полагается постоянной);
 — длина средней линии магнитопровода;
 — магнитодвижущая сила (далее МДС) первичной обмотки;
 — МДС вторичной обмотки;
 — токи протекающие по обмоткам;
 — количество витков в обмотках.

Для холостого хода, то есть при получаем , откуда и тогда из при получится соотношение для идеального трансформатора тока:

В ряде случаев учёт тока холостого хода обязателен:

  • Включение трансформатора под напряжение. При этом на первичной обмотке трансформатора будут наблюдаться кратковременные всплески тока, достигая величины (в пике) в несколько раз больше номинального первичного тока. Высота пиков зависит от нагрузки, момента включения (наибольшая величина при включении ненагруженного трансформатора, в момент, когда мгновенное значение сетевого напряжения равно нулю), мощности, конструкционных параметров трансформатора. Явление всплесков первичного тока учитывается при расчёте токовых защит трансформатора, выборе коммутационной аппаратуры, питающих линий и прочее.
  • Наличие тока холостого хода приводит к тому, что токи в первичной и вторичной обмотках не сдвинуты друг относительно друга на 180°. Разница между действительным и идеальным углами взаимного сдвига называется «углом погрешности» . Кроме того, соотношение токов по модулю не будет составлять . Разница между действительным соотношением токов и идеальным называется «погрешностью по величине». Погрешности по углу и величине учитываются в виде нормирования по классам точности при изготовлении трансформаторов тока (особенно в цепях учёта электроэнергии). Для трансформаторов тока, предназначенных для защит, вводится величина общей погрешности (получающаяся как разница между векторами первичного и вторичного тока), учитывающее погрешности как по величине, так и по углу — для правильного действия защиты должна быть не более 10 % (при максимально возможном токе короткого замыкания).

Наличие межобмоточной, межслоевой и межвитковой ёмкостей

Наличие проводников, разделённых диэлектриком, приводит к возникновению паразитных ёмкостей между обмотками, слоями и витками. Моделирование этого явления производится введением т. н. продольных и поперечных ёмкостей. К поперечным относят межслоевую и межобмоточные ёмкости. К продольным — межвитковые и межкатушечные. Через ёмкости могут из первичной во вторичную обмотку проникать высокочастотные помехи, что нежелательно для некоторых применений трансформатора (устраняется межобмоточным заземляемым экраном). Данные эквивалентные ёмкости только в первом приближении можно считать сосредоточенными; в действительности эти величины являются распределёнными. Распределёнными являются и индуктивности рассеяния. В нормальном режиме эксплуатации напряжение равномерно распределяется по обмоткам, линейно изменяясь по виткам и слоям (для заземлённых обмоток — от фазного значения до нуля). При различных переходных процессах, связанных с резким изменением напряжения на обмотке, начинаются волновые процессы, обусловленные распределёнными ёмкостями. Особенно ярко это проявляется при грозовых и коммутационных перенапряжениях с очень крутым (порядка нескольких микросекунд для грозовых импульсов и несколько десятков микросекунд для коммутационных импульсов) передним фронтом, такие помехи имеют спектр с высокочастотными гармониками большой амплитуды. При этом распределение напряжения в начальный момент времени по обмоткам становится крайне неравномерным и большая часть напряжения падает на витках и слоях, расположенных ближе к фазным выводам, эти части обмотки подвергаются наибольшей опасности пробоя, что должно учитываться в конструкции трансформаторов (в основном силовых высоковольтных). Кроме того, наличие распределённых (продольных и поперечных) ёмкостей и индуктивностей приводит к созданию в трансформаторе паразитных колебательных контуров и при импульсах напряжения, проникающих в обмотку трансформатора, происходит высокочастотный затухающий колебательный процесс (в начальный период напряжение будет прикладываться к начальным виткам обмотки, затем распределение на обмотке меняется на противоположное и большая часть уже прикладывается к конечным виткам и т. д.). Данный эффект должен также учитываться для некоторых конструкций трансформаторов[14].

Кроме того, реактивные параметры обмоток, а также частотные свойства сердечника реального трансформатора определяют диапазон его рабочих частот, в котором коэффициент трансформации, фазовый сдвиг и форма выходного напряжения мало зависят от частоты (важно для разделительных и согласующих трансформаторов в сигнальных цепях).

Наличие нелинейной кривой намагничивания

В большинстве трансформаторов применяются ферромагнитные сердечники для большего значения ЭДС, индуктируемого во вторичных обмотках. Ферромагнетики имеют крайне нелинейную характеристику намагничивания с насыщением и неоднозначностью (гистерезисом), которой обусловливается характер напряжений и токов в трансформаторе: при глубоком насыщении трансформатора первичный ток резко возрастает, его форма становится несинусоидальной: в нём появляются составляющие третьей гармоники. Нелинейная индуктивность (связанная с наличием нелинейной кривой намагничивания) в сочетании с внешней ёмкостной нагрузкой (трансформатор и ёмкость сети) могут создать феррорезонансный режим с опасностью выхода из строя трансформатора (особенно к этому чувствительны трансформаторы напряжения). Гистерезис обусловливает дополнительные потери в сердечнике и остаточную намагниченность. Потери на нагрев в сердечнике обуславливаются эффектом вихревых токов, для уменьшения которых приходится производить магнитопроводы, состоящие из пластин (шихтование) и использовать ферромагнетики с высоким удельным сопротивлением (кремнистая трансформаторная сталь, ферриты).

Режимы работы трансформатора

  1. Режим холостого хода. Данный режим характеризуется разомкнутой вторичной цепью трансформатора, вследствие чего ток в ней не течёт. По первичной обмотке протекает ток холостого хода, главной составляющей которого является реактивный ток намагничивания. С помощью опыта холостого хода можно определить КПД трансформатора, коэффициент трансформации, а также потери в сердечнике (т. н. «потери в стали»).
  2. Режим нагрузки. Этот режим характеризуется работой трансформатора с подключённым источником в первичной, и нагрузкой во вторичной цепи трансформатора. Во вторичной обмотке протекает ток нагрузки, а в первичной — ток, который можно представить как сумму тока нагрузки (пересчитанного из соотношения числа витков обмоток и вторичного тока) и ток холостого хода. Данный режим является основным рабочим для трансформатора.
  3. Режим короткого замыкания. Этот режим получается в результате замыкания вторичной цепи накоротко. Это разновидность режима нагрузки, при котором сопротивление вторичной обмотки является единственной нагрузкой. С помощью опыта короткого замыкания можно определить потери на нагрев обмоток в цепи трансформатора («потери в меди»). Это явление учитывается в схеме замещения реального трансформатора при помощи активного сопротивления.
  4. В режиме однотактного обратноходового преобразователя первичная обмотка трансформатора используется в качестве катушки индуктивности для накопления энергии на первом такте (прямом ходе) преобразования, что отличает этот режим от режима холостого хода. При подключении первичной обмотки через электронный ключ к источнику постоянного напряжения, ток через первичную обмотку приблизительно линейно нарастает, и трансформатор накапливает энергию в магнитном поле. На этом такте тока через вторичную обмотку не протекает, так как последовательно с нагрузкой обмотки включён диод. После достижения некоторого значения тока в первичной обмотке, первичная обмотка электронным ключом отключается от источника напряжения, ток через неё прекращается и на вторичной обмотке возникает импульс ЭДС самоиндукции с противоположной полярностью, диод открывается, и ток вторичной обмотки подаётся на нагрузку, отдавая запасенную в магнитном поле сердечника трансформатора энергию. Далее описанный процесс периодически повторяется. Преимущества применения трансформатора в этой схеме по сравнению с катушкой индуктивности: имеется гальваническая развязка первичной и вторичной цепей, возможна простая трансформация тока при разных количествах витков первичной и вторичной обмоток и применение разного сечения проводников обмоток.

Режим холостого хода

При равенстве вторичного тока нулю (режим холостого хода), ЭДС индукции в первичной обмотке практически полностью компенсирует напряжение источника питания, поэтому ток, протекающий через первичную обмотку, равен переменному току намагничивания, нагрузочные токи отсутствуют. Для трансформатора с сердечником из магнитомягкого материала (ферромагнитного материала, трансформаторной стали) ток холостого хода характеризует величину потерь в сердечнике (на вихревые токи и на гистерезис) и реактивную мощность перемагничивания магнитопровода. Мощность потерь можно вычислить, умножив активную составляющую тока холостого хода на напряжение, подаваемое на трансформатор.

Для трансформатора без ферромагнитного сердечника потери на перемагничивание отсутствуют, а ток холостого хода определяется сопротивлением индуктивности первичной обмотки, которое пропорционально частоте переменного тока и величине индуктивности.

Векторная диаграмма напряжений и токов в трансформаторе на холостом ходу при согласном включении обмоток приведена[15] на рис.1.8 б.

Напряжение на вторичной обмотке в первом приближении определяется законом Фарадея.

Данный режим используется в измерительных трансформаторах напряжения.

Режим короткого замыкания

В режиме короткого замыкания на первичную обмотку трансформатора подаётся переменное напряжение небольшой величины, выводы вторичной обмотки соединяют накоротко. Величину напряжения на входе устанавливают такую, чтобы ток короткого замыкания равнялся номинальному (расчётному) току трансформатора. В таких условиях величина напряжения короткого замыкания характеризует потери в обмотках трансформатора, потери на омическом сопротивлении. Напряжение короткого замыкания (определяется в % от номинального напряжения), полученное с помощью опыта короткого замыкания является одним из важных параметров трансформатора. Мощность потерь можно вычислить, умножив напряжение короткого замыкания на ток короткого замыкания .

Данный режим широко используется в измерительных трансформаторах тока.

Режим нагрузки

При подключении нагрузки ко вторичной обмотке во вторичной цепи возникает ток нагрузки, создающий магнитный поток в магнитопроводе, направленный противоположно магнитному потоку, создаваемому первичной обмоткой. В результате в первичной цепи нарушается равенство ЭДС индукции и ЭДС источника питания, что приводит к увеличению тока в первичной обмотке до тех пор, пока магнитный поток не достигнет практически прежнего значения.

Схематично, процесс преобразования можно изобразить следующим образом:

Мгновенный магнитный поток в магнитопроводе трансформатора определяется интегралом по времени от мгновенного значения ЭДС в первичной обмотке и в случае синусоидального напряжения сдвинут по фазе на 90° по отношению к ЭДС. Наведённая во вторичных обмотках ЭДС пропорциональна первой производной от магнитного потока и для любой формы тока совпадает по фазе и форме с ЭДС в первичной обмотке.

Векторная диаграмма напряжений и токов в трансформаторе с нагрузкой при согласном включении обмоток приведена[15] на рис.1.6 в.

Теория трансформаторов

Уравнения линейного трансформатора

Пусть ,  — мгновенные значения тока в первичной и вторичной обмотке соответственно,  — мгновенное напряжение на первичной обмотке,  — сопротивление нагрузки. Тогда:

здесь:

,  — индуктивность и активное сопротивление первичной обмотки;
,  — то же самое для вторичной обмотки;
 — взаимная индуктивность обмоток.

Если магнитный поток первичной обмотки полностью пронизывает вторичную, то есть если отсутствует поле рассеяния, то . Индуктивности обмоток в первом приближении пропорциональны квадрату количества витков в них.

Получена система линейных дифференциальных уравнений для токов в обмотках. Можно преобразовать эти дифференциальные уравнения в обычные алгебраические, если воспользоваться методом комплексных амплитуд. Для этого рассмотрим отклик системы на синусоидальный сигнал (, где  — частота сигнала,  — мнимая единица,  — комплексная амплитуда напряжения, которая состоит из модуля и фазы ).

Тогда и т. д., сокращая экспоненциальные множители получим:

Метод комплексных амплитуд позволяет исследовать не только чисто активную, но и произвольную нагрузку, при этом достаточно заменить сопротивление нагрузки её импедансом . Из полученных линейных уравнений можно легко выразить ток через нагрузку, воспользовавшись законом Ома — напряжение на нагрузке, и т. п.

Т-образная схема замещения трансформатора

На рисунке показана эквивалентная схема трансформатора с подключённой нагрузкой, так, как он электрически проявляет себя со стороны первичной обмотки

Здесь  — коэффициент трансформации,  — «полезная» индуктивность первичной обмотки, ,  — индуктивности первичной и вторичной обмотки, связанные с рассеянием,,  — активные сопротивления первичной и вторичной обмотки соответственно,  — импеданс нагрузки.

Потери в трансформаторах

Потери в сердечнике

Степень потерь (и снижения КПД) в трансформаторе зависит, главным образом, от качества, конструкции и материала «трансформаторного железа» (электротехническая сталь). Потери в стали состоят в основном из потерь на нагрев сердечника, на гистерезис и вихревые токи. Потери в трансформаторе, где «железо» монолитное, значительно больше, чем в трансформаторе, где оно составлено из многих секций (так как в этом случае уменьшается количество вихревых токов). На практике монолитные стальные сердечники не применяются. Для снижения потерь в магнитопроводе трансформатора магнитопровод может изготавливаться из специальных сортов трансформаторной стали с добавлением кремния, который повышает удельное сопротивление железа электрическому току, а сами пластины лакируются для изоляции друг от друга.

Потери в обмотках

Кроме «потерь в железе», в трансформаторе присутствуют «потери в меди», обусловленные ненулевым активным сопротивлением обмоток (которое зачастую невозможно сделать пренебрежимо малым, потому что требует увеличения сечения провода, что приводит к увеличению необходимых габаритов сердечника). «Потери в меди» приводят к нагреву обмоток при работе под нагрузкой и нарушению соотношения между количеством витков и напряжением обмоток, верного для идеального трансформатора:

Габаритная мощность

Габаритная мощность трансформатора описывается следующей формулой:

  •  — первичной обмотки;
  •  — вторичной обмотки.

Габаритная мощность, как следует из названия, определяется габаритами сердечника и материалом, его магнитными и частотными свойствами.

КПД трансформатора

КПД трансформатора находится по следующей формуле:

где:

 — потери холостого хода при номинальном напряжении;
 — нагрузочные потери при номинальном токе;
 — активная мощность, подаваемая на нагрузку;
 — относительная степень нагружения (коэффициент загрузки). При номинальном токе .

Конструкция

Стержневой тип трёхфазных трансформаторов
Броневой тип трёхфазных трансформаторов

Основными частями конструкции трансформатора являются:

  • магнитопровод;
  • обмотки;
  • каркас для обмоток;
  • изоляция;
  • система охлаждения;
  • прочие элементы (для монтажа, доступа к выводам обмоток, защиты трансформатора и т. п.).

При конструировании трансформатора производитель выбирает между тремя различными базовыми концепциями:

  • Стержневой;
  • Броневой;
  • Тороидальный.

Любая из этих концепций не влияет на эксплуатационные характеристики или эксплуатационную надёжность трансформатора, но имеются существенные различия в процессе их изготовления. Каждый производитель выбирает концепцию, которую он считает наиболее удобной с точки зрения изготовления, и стремится к применению этой концепции во всём объёме производства.

В то время как обмотки стержневого типа заключают в себе сердечник, сердечник броневого типа заключает в себе обмотки. Если смотреть на активный компонент (т. e. сердечник с обмотками) стержневого типа, обмотки хорошо видны, но они скрывают за собой стержни магнитной системы сердечника — видно только верхнее и нижнее ярмо сердечника. В конструкции броневого типа, наоборот, сердечник скрывает в себе основную часть обмоток.

Магнитная система (магнитопровод)

Магнитный поток и токи Фуко в сплошном сердечнике и в сердечнике набранном из изолированных пластин или навитом из металлической ферромагнитной ленты. По сравнению с монолитным электропроводным сердечником в пластинчатом сердечнике токи Фуко циркулируют вдоль относительно длинного пути, что снижает их величину и потери в сердечнике за счёт токов Фуко.

Магнитная система (магнитопровод) трансформатора выполняется из электротехнической стали, пермаллоя, феррита или другого ферромагнитного материала в определённой геометрической форме. Предназначается для локализации в нём основного магнитного поля трансформатора.

Магнитопровод в зависимости от материала и конструкции может набираться из пластин, прессоваться, навиваться из тонкой ленты, собираться из 2, 4 и более «подков». Магнитная система в полностью собранном виде совместно со всеми узлами и деталями, служащими для скрепления отдельных частей в единую конструкцию, называется остовом трансформатора.

Часть магнитной системы, на которой располагаются основные обмотки трансформатора, называется стержнем.
Часть магнитной системы трансформатора, не несущая основных обмоток и служащая для замыкания магнитной цепи, называется ярмом[1].

В зависимости от пространственного расположения стержней, выделяют:

  1. Плоская магнитная система — магнитная система, в которой продольные оси всех стержней и ярм расположены в одной плоскости;
  2. Пространственная магнитная система — магнитная система, в которой продольные оси стержней или ярм, или стержней и ярм расположены в разных плоскостях;
  3. Симметричная магнитная система — магнитная система, в которой все стержни имеют одинаковую форму, конструкцию и размеры, а взаимное расположение любого стержня по отношению ко всем ярмам одинаково для всех стержней;
  4. Несимметричная магнитная система — магнитная система, в которой отдельные стержни могут отличаться от других стержней по форме, конструкции или размерам или взаимное расположение какого-либо стержня по отношению к другим стержням или ярмам может отличаться от расположения любого другого стержня;

Магнитопровод с зазором

Подавляющее большинство трансформаторов имеет замкнутый магнитопровод (силовые линии магнитного поля замыкаются через материал сердечника с высокой магнитной проницаемостью). Это позволяет достичь максимальной взаимной индуктивности обмоток при заданных габаритах и снизить нежелательные реактивные токи через трансформатор.

Однако, в некоторых применениях реактивные токи через трансформатор оказываются полезны, и возникает необходимость снизить индуктивность обмоток. Типичное применение — однотактные импульсные преобразователи, в которых трансформатор используется в качестве катушки индуктивности, накапливающей энергию, а первичная и вторичная обмотки задействуются поочередно. В этом случае, чрезмерно высокая индуктивность вредна при работе на высокой частоте.

Применение воздушного зазора в магнитопроводе имеет следующие последствия:

  • Магнитная проницаемость зазора, как правило, на порядки ниже магнитной проницаемости магнитопровода . В связи с этим, даже относительно небольшой по ширине зазор способен значительно увеличить магнитное сопротивление контура, пропорционально снизить индуктивность обмоток и, согласно формуле плотности магнитной энергии , увеличить количество запасённой магнитной энергии при той же величине магнитной индукции . В то же время, относительно малая ширина зазора лишь ограничено увеличивает утечку магнитного потока за пределы магнитной системы.
  • При прочих равных, внесение зазора в магнитопровод оказывает слабое влияние на величину предельного магнитного потока , при котором происходит насыщение магнитопровода, так как зависит прежде всего от площади сечения и материала магнитопровода. По той же причине, зазор слабо влияет на характеристику трансформатора , непосредственно связанную с и характеризующую предельно допустимую длительность передаваемого импульса при амплитуде импульса напряжения .
  • Согласно формуле , при том же значении тока через обмотку трансформатора, и при том же числе витков в обмотке , но при меньшем значении индуктивности обмотки , снижается создаваемый током через обмотку магнитный поток . Благодаря этому, магнитопровод трансформатора насыщается при бо́льших значениях тока через обмотку, что особенно важно, если ток имеет постоянную составляющую.
  • Согласно формуле , при той же величине магнитного потока запасенная в индуктивности энергия увеличивается обратно пропорционально индуктивности . Это связано с тем, что при том же самом значении напряжения на обмотке ток через обмотку нарастает быстрее и достигает бо́льших величин, что увеличивает и передаваемую мощность, пропорциональную .
  • Повышенный реактивный ток способствует росту омических потерь.

Обмотки

Транспонированный кабель, применяемый в обмотке трансформатора
Дисковая обмотка

Основным элементом обмотки является виток — электрический проводник или ряд параллельно соединённых таких проводников (многопроволочная жила), однократно обхватывающий часть магнитной системы трансформатора, электрический ток которого совместно с токами других таких проводников и других частей трансформатора создаёт магнитное поле трансформатора и в котором под действием этого магнитного поля наводится электродвижущая сила.

Обмотка — совокупность витков, образующих электрическую цепь, в которой суммируются ЭДС, наведённые в витках. В трёхфазном трансформаторе под обмоткой обычно подразумевают совокупность обмоток одного напряжения трёх фаз, соединяемых между собой.

Сечение проводника обмотки в силовых трансформаторах обычно имеет квадратную форму для наиболее эффективного использования имеющегося пространства (для увеличения коэффициента заполнения в окне сердечника). При увеличении площади сечения проводника он может быть разделён на два и более параллельных проводящих элементов с целью снижения потерь на вихревые токи в обмотке и облегчения функционирования обмотки. Проводящий элемент квадратной формы называется жилой.

Каждая жила изолируется при помощи либо бумажной обмотки, либо эмалевого лака. Две отдельно изолированных и параллельно соединённых жилы иногда могут иметь общую бумажную изоляцию. Две таких изолированных жилы в общей бумажной изоляции называются кабелем.

Особым видом проводника обмотки является непрерывно транспонированный кабель. Этот кабель состоит из жил, изолированных при помощи двух слоёв эмалевого лака, расположенных в осевом положении друг к другу, как показано на рисунке. Непрерывно транспонированный кабель получается путём перемещения внешней жилы одного слоя к следующему слою с постоянным шагом и применения общей внешней изоляции[16].

Бумажная обмотка кабеля выполнена из тонких (несколько десятков микрометров) бумажных полос шириной несколько сантиметров, намотанных вокруг жилы. Бумага заворачивается в несколько слоёв для получения требуемой общей толщины.

Обмотки разделяют по:

  1. Назначению
    • Основные — обмотки трансформатора, к которым подводится энергия преобразуемого или от которых отводится энергия преобразованного переменного тока.
    • Регулирующие — при невысоком токе обмотки и не слишком широком диапазоне регулирования, в обмотке могут быть предусмотрены отводы для регулирования коэффициента трансформации напряжения.
    • Вспомогательные — обмотки, предназначенные, например, для питания сети собственных нужд с мощностью существенно меньшей, чем номинальная мощность трансформатора, для компенсации третьей гармонической магнитного поля, подмагничивания магнитной системы постоянным током, и т. п.
  2. Исполнению
    • Рядовая обмотка — витки обмотки располагаются в осевом направлении во всей длине обмотки. Последующие витки наматываются плотно друг к другу, не оставляя промежуточного пространства.
    • Винтовая обмотка — винтовая обмотка может представлять собой вариант многослойной обмотки с расстояниями между каждым витком или заходом обмотки.
    • Дисковая обмотка — дисковая обмотка состоит из ряда дисков, соединённых последовательно. В каждом диске витки наматываются в радиальном направлении в виде спирали по направлению внутрь и наружу на соседних дисках.
    • Фольговая обмотка — фольговые обмотки выполняются из широкого медного или алюминиевого листа толщиной от десятых долей миллиметра до нескольких миллиметров.

Схемы и группы соединения обмоток трёхфазных трансформаторов

«Звезда» и «зигзаг»

Существуют три основных способа соединения фазовых обмоток каждой стороны трёхфазного трансформатора:

  • -соединение («звезда»), где каждая обмотка соединена одним из концов с общей точкой, называемой нейтральной. Различают «звезду» с выводом от общей точки (обозначение или ) и без него ();
  • -соединение («треугольник»), где три фазных обмотки соединены последовательно;
  • -соединение («зигзаг»). При данном способе соединения каждая фазная обмотка состоит из двух одинаковых частей, размещённых на разных стержнях магнитопровода и соединённых последовательно, встречно. Полученные три фазные обмотки соединяются в общей точке, аналогично «звезде». Обычно применяется «зигзаг» с отводом от общей точки ().

Как первичная, так и вторичная обмотки трансформатора могут быть соединены любым из трёх способов, показанным выше, в любых комбинациях. Конкретный способ и комбинация определяются назначением трансформатора.

-соединение обычно применяется для обмоток, работающих под высоким напряжением. Это объясняется многими причинами:

  • обмотки трёхфазного автотрансформатора могут быть соединены только «звездой»;
  • когда вместо одного сверхмощного трёхфазного трансформатора применяют три однофазных автотрансформатора соединить их иным способом невозможно;
  • когда вторичная обмотка трансформатора питает высоковольтную линию, наличие заземлённой нейтрали снижает перенапряжения при ударе молний. Без заземления нейтрали невозможна работа дифференциальной защиты линии, в части утечки на землю. При этом первичные обмотки всех принимающих трансформаторов на этой линии не должны иметь заземлённой нейтрали;
  • существенно упрощается конструкция регуляторов напряжения (переключателей отпаек). Размещение отпаек обмотки с «нейтрального» конца обеспечивает минимальное количество групп контактов. Снижаются требования к изоляции переключателя, так как он работает при минимальном напряжении относительно Земли;
  • это соединение наиболее технологично и наименее металлоемко.

Соединение в «треугольник» применяется в трансформаторах, где одна обмотка уже соединена «звездой», в особенности с выводом нейтрали.

Эксплуатация все ещё широко распространённых трансформаторов со схемой Y/Y0 оправдана, если нагрузка на его фазы одинаковая (трёхфазный двигатель, трёхфазная электропечь, строго рассчитанное уличное освещение и пр.) Если же нагрузка несимметричная (бытовая и прочая однофазная), то магнитный поток в сердечнике выходит из равновесия, а нескомпенсированный магнитный поток (так называемый «поток нулевой последовательности») замыкается через крышку и бак, вызывая их нагрев и вибрацию. Первичная обмотка не может этот поток скомпенсировать, так как её конец соединён с виртуальной нейтралью, не соединённой с генератором. Выходные напряжения будут искажены (возникнет «перекос фаз»). Для однофазной нагрузки такой трансформатор по сути является дросселем с разомкнутым сердечником, и полное его сопротивление велико. Ток однофазного короткого замыкания будет сильно занижен по сравнению с расчётным (для трёхфазного короткого замыкания), что делает ненадёжной работу защитной аппаратуры.

Если же первичная обмотка соединена треугольником (трансформатор со схемой Δ/Y0), то обмотки каждого стержня имеют два вывода как к нагрузке, так и к генератору, и первичная обмотка может подмагничивать каждый стержень в отдельности, не влияя на два других и не нарушая магнитное равновесие. Однофазное сопротивление такого трансформатора будет близко к расчётному, перекос напряжения практически устранён.

С другой стороны, у обмотки треугольником усложняется конструкция переключателя отпаек (контакты под высоким напряжением).

Соединение обмотки треугольником позволяет циркулировать третьей и кратным ей гармоникам тока внутри кольца, образованного тремя последовательно соединёнными обмотками. Замыкание токов третьей гармоники необходимо для снижения сопротивления трансформатора несинусоидальным токам нагрузки (нелинейная нагрузка)и поддержания его напряжения синусоидальным. Третья гармоника тока во всех трёх фазах имеет одинаковое направление, данные токи не могут циркулировать в обмотке, соединённой звездой с изолированной нейтралью.

Недостаток троичных синусоидальных токов в намагничивающем токе может привести к значительным искажениям наведённого напряжения, в случаях, если у сердечника 5 стержней, или он исполнен в броневом варианте. Соединённая треугольником обмотка трансформатора устранит данное нарушение, так как обмотка с соединением треугольником обеспечит затухание гармонических токов. Иногда в трансформаторах предусмотрено наличие третичной Δ-соединённой обмотки, предусмотренной не для зарядки, а для предотвращения искажения напряжения и понижения полного сопротивления нулевой последовательности. Такие обмотки называются компенсационными. Распределительные трансформаторы, предназначенные для зарядки, между фазой и нейтралью на стороне первого контура, снабжены обычно соединённой треугольником обмоткой. Однако ток в соединённой треугольником обмотке может быть очень слабым для достижения минимума номинальной мощности, а требуемый размер проводника обмотки чрезвычайно неудобен для заводского изготовления. В подобных случаях высоковольтная обмотка может быть соединена звездой, а вторичная обмотка — зигзагообразно. Токи нулевой последовательности, циркулирующие в двух отводах зигзагообразно соединённой обмотки будут балансировать друг друга, полное сопротивление нулевой последовательности вторичной стороны главным образом определяется полем рассеяния магнитного поля между двумя разветвлениями обмоток, и выражается весьма незначительной цифрой.

При использовании соединения пары обмоток различными способами возможно достигнуть различных степеней напряжения смещения между сторонами трансформатора.

Сдвиг фаз между ЭДС первичной и вторичной обмоток принято выражать группой соединений. Для описания напряжения смещения между первичной и вторичной, или первичной и третичной обмотками, традиционно используется пример с циферблатом часов. Так как этот сдвиг фаз может изменяться от 0° до 360°, а кратность сдвига составляет 30°, то для обозначения группы соединений выбирается ряд чисел от 1 до 12, в котором каждая единица соответствует углу сдвига в 30°. Одна фаза первичной указывает на 12, а соответствующая фаза другой стороны указывает на другую цифру циферблата.

Наиболее часто используемая комбинация Yd11 означает, например, наличие 30º смещения нейтрали между напряжениями двух сторон

Схемы и группы соединения обмоток трёхфазных двухобмоточных трансформаторов[17][18] (не закончена, в работе)
Схема соединения обмоток Диаграмма векторов напряжения
холостого ходаПрим.1
Условное
обозначение
ВННН
У/Д-11

Примечание: на диаграмме зелёным цветом обозначены векторы обмотки «Звезда», синим — «Треугольник», красным — смещение вектора AB.

В железнодорожных трансформаторах также встречается группа соединений «разомкнутый треугольник — неполная звезда».

Бак

Бак в первую очередь представляет собой резервуар для трансформаторного масла, а также обеспечивает физическую защиту для активного компонента. Он также служит в качестве опорной конструкции для вспомогательных устройств и аппаратуры управления.

Перед заполнением маслом бака с активным компонентом из него выкачивается весь воздух, который может подвергнуть опасности диэлектрическую прочность изоляции трансформатора (поэтому бак предназначен для выдерживания давления атмосферы с минимальной деформацией).

При увеличении номинальной мощности трансформатора воздействие больших токов внутри и снаружи трансформатора оказывает влияние на конструкцию. То же самое происходит с магнитным потоком рассеяния внутри бака. Вставки из немагнитного материала вокруг сильноточных проходных изоляторов снижают риск перегрева. Внутренняя облицовка бака из высокопроводящих щитков не допускает попадания потока через стенки бака. С другой стороны, материал с низким магнитным сопротивлением поглощает поток перед его прохождением через стенки бака.

Ещё одним явлением, учитываемым при проектировании баков, является совпадение звуковых частот, вырабатываемых сердечником трансформатора, и частот резонанса деталей бака, что может усилить шум, излучаемый в окружающую среду.

Варианты исполнения

Конструкция бака допускает температурно-зависимое расширение масла. Исходя из этого трансформаторные баки делятся по конструктивному исполнению:

  1. Трансформаторы с гладким баком без расширителя (такая конструкция применяется для мощностей вплоть до 10кВА), выводы смонтированы на крышке. Температурная компенсация расширения масла производится за счёт неполного заполнения бака и создания в верхней части воздушной подушки.
  2. Трансформаторы с расширительным баком (вплоть до 63 кВА), выводы расположены на крышке.
  3. Трансформаторы с расширительным баком и радиаторами, выводы расположены на крышке. В старых конструкциях радиаторы выполнялись в виде гнутых труб, приваренных к баку — т. н. «трубчатый бак».
  4. Трансформаторы с расширительным баком, радиаторами и выводами на стенках бака на специальных фланцах (фланцевое крепление). Этот тип трансформатора имеет в обозначении литеру «Ф» и предназначается для непосредственной установки в производственном помещении («цеховое исполнение»).
  5. Трансформаторы с радиаторами, без расширителя, фланцевого крепления. Компенсация температурного расширения масла производится созданием в верхней части газовой подушки из инертного газа — азота (для исключения окисления масла воздухом). Такие трансформаторы также относятся к типу цеховых и имеют в обозначении литеру «З» — защищённое исполнение. Аварийный сброс давления производится специальным клапаном.
  6. Трансформаторы без расширителя, без радиаторов с гофробаком. Наиболее современная конструкция. Компенсация температурного изменения объёма масла происходит с помощью специальной конструкции бака с гофрированными стенками из тонкой стали (гофробак). Расширение масла сопровождается раздвиганием гофр бака. Аварийный сброс давления масла (например при внутренних повреждениях) производится специальным клапаном. Такие трансформаторы имеют в обозначении литеру «Г» — герметичное исполнение.

Виды трансформаторов

См. также раздел: Другие применения трансформатора.
Однофазный трансформатор
Мачтовая трансформаторная подстанция с трёхфазным понижающим трансформатором
Комплектная трансформаторная подстанция матчтового типа, 10-6/0,4кв. Распространены в сельской местности

Силовой трансформатор

Силовой трансформатор переменного тока — трансформатор, предназначенный для преобразования электрической энергии в электрических сетях и в установках, предназначенных для приёма и использования электрической энергии. Слово «силовой» отражает работу данного вида трансформаторов с большими мощностями[19]. Необходимость применения силовых трансформаторов обусловлена различной величиной рабочих напряжений ЛЭП (35-750 кВ), городских электросетей (как правило 6,10 кВ), напряжения, подаваемого конечным потребителям (0,4 кВ, они же 380/220 В) и напряжения, требуемого для работы электромашин и электроприборов (самые различные от единиц вольт до сотен киловольт).

Силовой трансформатор переменного тока используется для непосредственного преобразования напряжения в цепях переменного тока. Термин «силовой» показывает отличие таких трансформаторов от измерительных и специальных трансформаторов.

Автотрансформатор

Автотрансформа́тор — вариант трансформатора, в котором первичная и вторичная обмотки соединены напрямую, и имеют за счёт этого не только электромагнитную связь, но и электрическую. Обмотка автотрансформатора имеет несколько выводов (как минимум 3), подключаясь к которым, можно получать разные напряжения. Преимуществом автотрансформатора является более высокий КПД, поскольку лишь часть мощности подвергается преобразованию — это особенно существенно, когда входное и выходное напряжения отличаются незначительно.

Недостатком является отсутствие электрической изоляции (гальванической развязки) между первичной и вторичной цепью. Применение автотрансформаторов экономически оправдано вместо обычных трансформаторов для соединения эффективно заземлённых сетей с напряжением 110 кВ и выше при коэффициентах трансформации не более 3-4. Существенным достоинством является меньший расход стали для сердечника, меди для обмоток, меньший вес и габариты, и в итоге — меньшая стоимость.

Трансформатор тока

Трансформа́тор то́ка — трансформатор, первичная обмотка которого питается от источника тока. Типичное применение — для снижения тока первичной обмотки до удобной величины, используемой в цепях измерения, защиты, управления и сигнализации, кроме того, трансформатор тока осуществляет гальваническую развязку (в отличие от шунтовых схем измерения тока). Обычно номинальное значение тока вторичной обмотки распространённых трансформаторов 1 А или 5 А. Первичная обмотка трансформатора тока включается последовательно в цепь с нагрузкой, переменный ток в которой необходимо контролировать, а во вторичную обмотку включаются измерительные приборы или исполнительные и индикаторные устройства, например, реле.

Вторичная обмотка токового трансформатора должна работать в режиме, близком к режиму короткого замыкания. При случайном или умышленном разрыве цепи вторичной обмотки на ней наводится очень высокое напряжение, которое может вызвать пробой изоляции, повреждение подключённых устройств.

При работе вторичной обмотки в режиме короткого замыкания отношение токов обмоток близко к (в идеальном случае равно) коэффициенту трансформации.

Трансформатор напряжения

Трансформатор напряжения — трансформатор, питающийся от источника напряжения. Типичное применение — преобразование высокого напряжения в низкое в цепях, в измерительных цепях и цепях РЗиА. Применение трансформатора напряжения позволяет изолировать логические цепи защиты и цепи измерения от цепи высокого напряжения.

Импульсный трансформатор

Импульсный трансформатор — это трансформатор, предназначенный для преобразования импульсных сигналов с длительностью импульса до десятков микросекунд с минимальным искажением формы импульса[20]. Основное применение заключается в передаче прямоугольного электрического импульса (максимально крутой фронт и срез, относительно постоянная амплитуда). Он служит для трансформации кратковременных видеоимпульсов напряжения, обычно периодически повторяющихся с высокой скважностью. В большинстве случаев основное требование, предъявляемое к ИТ заключается в неискажённой передаче формы трансформируемых импульсов напряжения; при воздействии на вход ИТ напряжения той или иной формы на выходе желательно получить импульс напряжения той же самой формы, но, быть может, иной амплитуды или другой полярности.

Сварочный трансформатор

Сварочный трансформатор — трансформатор, предназначенный для различных видов сварки.

Сварочный трансформатор преобразует напряжение сети (220 или 380 В) в низкое напряжение, а ток из низкого — в высокий, до тысяч ампер.

Сварочный ток регулируется благодаря изменению величины либо индуктивного сопротивления, либо вторичного напряжения холостого хода трансформатора, что осуществляется посредством секционирования числа витков первичной или вторичной обмотки. Это обеспечивает ступенчатое регулирование тока.

Разделительный трансформатор

Разделительный трансформатор — трансформатор, первичная обмотка которого электрически не связана со вторичными обмотками. Силовые разделительные трансформаторы предназначены для повышения безопасности электросетей, при случайных одновременных прикасаниях к земле и токоведущим частям или нетоковедущим частям, которые могут оказаться под напряжением в случае повреждения изоляции[21]. Сигнальные разделительные трансформаторы обеспечивают гальваническую развязку электрических цепей.

Согласующий трансформатор

Согласующий трансформатор — трансформатор, применяемый для согласования сопротивления различных частей (каскадов) электронных схем при минимальном искажении формы сигнала. Одновременно согласующий трансформатор обеспечивает создание гальванической развязки между участками схем.

Пик-трансформатор

Пик-трансформатор — трансформатор, преобразующий напряжение синусоидальной формы в импульсное напряжение, с изменяющейся через каждые полпериода, полярностью.

Сдвоенный дроссель

Сдвоенный дроссель (встречный индуктивный фильтр) — конструктивно является трансформатором с двумя одинаковыми обмотками. Благодаря взаимной индукции катушек он при тех же размерах более эффективен, чем обычный дроссель. Сдвоенные дроссели получили широкое распространение в качестве входных фильтров блоков питания; в дифференциальных сигнальных фильтрах цифровых линий, а также в звуковой технике.

Трансфлюксор

Трансфлюксор — разновидность трансформатора, используемая для хранения информации[22][23]. Основное отличие от обычного трансформатора — это большая величина остаточной намагниченности магнитопровода. Иными словами, трансфлюксоры могут выполнять роль элементов памяти. Помимо этого трансфлюксоры часто снабжались дополнительными обмотками, обеспечивающими начальное намагничивание и задающими режимы их работы. Эта особенность позволяла (в сочетании с другими элементами) строить на трансфлюксорах схемы управляемых генераторов, элементов сравнения и искусственных нейронов.

Вращающийся трансформатор

Применяется для передачи сигнала на вращающиеся объекты, например на барабан блока магнитных головок в видеомагнитофонах[24]. Состоит из двух половин магнитопровода, каждая со своей обмоткой, одна из которой вращается относительно другой с минимальным зазором. Позволяет реализовать большие скорости вращения, при которых контактный способ съёма сигнала невозможен.

Воздушный и масляный трансформаторы

Классификация трансформаторов, помимо прочих параметров, осуществляется по рабочей среде в которой находятся индуктивно-связанные обмотки.

Воздушные трансформаторы как правило работают с меньшими мощностями, чем масляные, поскольку циркуляция масла обеспечивает лучшее охлаждение обмоток. Импульсные и высоковольтные трансформаторы, напротив, обычно выполняются воздушными, поскольку для первых малая диэлектрическая проницаемость воздуха обеспечивает лучшую передачу формы импульса, а для вторых лимитирующим фактором оказывается старение масла и резкое возрастание вероятности развития электрического пробоя.

Конструктивно для снижения потерь масляные трансформаторы обычно имеют замкнутый магнитопровод, в то время как маломощные воздушные трансформаторы (например, применяемые в электронных устройствах для электрической изоляции одной цепи от другой или для согласования по мощности) конструктивно могут оформляться в виде коаксиальных расположенных обмоток на ферромагнитном стержне.

Трёхфазный трансформатор

Представляет собой устройство для трансформирования электрической энергии в трёхфазной цепи. Конструктивно состоит из трёх стержней магнитопровода, соединённых верхним и нижним ярмом. На каждый стержень надеты обмотки высшего и низшего напряжений каждой фазы.

Обозначение на схемах

Центральная толстая линия соответствует сердечнику, 1 — первичная обмотка (обычно слева), 2 и 3 — вторичные обмотки. Число полуокружностей не нормируется и обычно в очень грубом приближении символизирует число витков обмотки (больше витков — больше полуокружностей, но без строгой пропорциональности).

На схемах трансформатор обозначается как показано на рисунке.

В общем случае схематически сердечник трансформатора изображают линией, имеющей такую же толщину, что и линии полуокружностей в его обмотках. Если же есть надобность подчеркнуть на схеме материал или особенности строения сердечника, то его обозначения могут несколько различаться. Так, ферритовый сердечник обозначают жирной линией. Сердечник с магнитным зазором — тонкой линией, имеющей разрыв посередине. Для обозначения сердечника из магнитодиэлектрика используют тонкую пунктирную линию. Если применяется немагнитный сердечник, например медный, то рядом с тонкой непрерывной линией записывают обозначение материала сердечника в виде символа химического элемента: «Cu».

При обозначении трансформатора жирной точкой около вывода могут быть указаны начала катушек (не менее чем на двух катушках, знаки мгновенно действующей ЭДС на этих выводах одинаковы). Применяется при обозначении промежуточных трансформаторов в усилительных (преобразовательных) каскадах для подчёркивания син- или противофазности, а также в случае нескольких (первичных или вторичных) обмоток, если соблюдение «полярности» их подключения необходимо для правильной работы остальной части схемы или самого трансформатора[25]. Если начала обмоток не указаны явно, то предполагается, что все они направлены в одну сторону (после конца одной обмотки — начало следующей).

В схемах трёхфазных трансформаторов «обмотки» располагают перпендикулярно «сердечнику» (Ш-образно, вторичные обмотки напротив соответствующих первичных), начала всех обмоток направлены в сторону «сердечника».

Применение

Трансформатор на линии электропередач

Наиболее часто трансформаторы применяются в электросетях и в источниках питания различных приборов.

Поскольку потери на нагревание провода пропорциональны квадрату тока, проходящего через провод, при передаче электроэнергии на большое расстояние выгодно использовать очень большие напряжения и небольшие токи. Из соображений безопасности и для уменьшения массы изоляции в быту желательно использовать не столь большие напряжения. Поэтому для наиболее выгодной транспортировки электроэнергии в электросети многократно применяют силовые трансформаторы: сначала для повышения напряжения генераторов на электростанциях перед транспортировкой электроэнергии, а затем для понижения напряжения линии электропередач до приемлемого для потребителей уровня.

Поскольку в электрической сети 3 фазы, для преобразования напряжения применяют трёхфазные трансформаторы или группу из трёх однофазных трансформаторов, соединённых в схему звезды или треугольника. У трёхфазного трансформатора сердечник для всех трёх фаз общий.

Несмотря на высокий КПД трансформатора (для трансформаторов большой мощности — свыше 99 %), в очень мощных трансформаторах электросетей выделяется большая мощность в виде тепла (например, для типичной мощности блока электростанции 1 ГВт на трансформаторе может выделяться мощность до нескольких мегаватт). Поэтому трансформаторы электросетей используют специальную систему охлаждения: трансформатор помещается в бак, заполненный трансформаторным маслом или специальной негорючей жидкостью. Масло циркулирует под действием конвекции или принудительно между баком и мощным радиатором. Иногда масло охлаждают водой. «Сухие» трансформаторы используют при относительно малой мощности.

Применение в источниках электропитания

Компактный сетевой трансформатор

Для питания разных узлов электроприборов требуются самые разнообразные напряжения. Блоки электропитания в устройствах, которым необходимо несколько напряжений различной величины, содержат трансформаторы с несколькими вторичными обмотками или содержат в схеме дополнительные трансформаторы. Например, в телевизоре с помощью трансформаторов получают напряжения от 5 вольт (для питания микросхем и транзисторов) до нескольких киловольт (для питания анода кинескопа через умножитель напряжения).

В прошлом в основном применялись трансформаторы, работающие с частотой электросети, то есть 50-60 Гц.

В схемах питания современных радиотехнических и электронных устройств (например в блоках питания персональных компьютеров) широко применяются высокочастотные импульсные трансформаторы. В импульсных блоках питания переменное напряжение сети сначала выпрямляют, а затем преобразуют при помощи инвертора в высокочастотные импульсы. Система управления с помощью широтно-импульсной модуляции (ШИМ) позволяет стабилизировать напряжение. После чего импульсы высокой частоты подаются на импульсный трансформатор, на выходе с которого, после выпрямления и фильтрации получают стабильное постоянное напряжение.

В прошлом сетевой трансформатор (на 50-60 Гц) был одной из самых тяжёлых деталей многих приборов. Дело в том, что линейные размеры трансформатора определяются передаваемой им мощностью, причём оказывается, что линейный размер сетевого трансформатора примерно пропорционален мощности в степени 1/4. Размер трансформатора можно уменьшить, если увеличить частоту переменного тока. Поэтому современные импульсные блоки питания при одинаковой мощности значительно легче, и в своё время в военной отрасли были распространены сети с частотой 400 Гц, в итоге силовые трансформаторы, как и асинхронные и синхронные электродвигатели, делались значительно компактнее.

Трансформаторы 50-60 Гц, несмотря на их недостатки, продолжают использовать в схемах питания, в тех случаях, когда надо обеспечить минимальный уровень высокочастотных помех, например при высококачественном звуковоспроизведении.

Другие применения трансформатора

  • Разделительные трансформаторы (трансформаторная гальваническая развязка). Нейтральный провод электросети может иметь контакт с «землёй», поэтому при одновременном касании человеком фазового провода (а также корпуса прибора с плохой изоляцией) и заземлённого предмета тело человека замыкает электрическую цепь, что создаёт угрозу поражения электрическим током. Если же прибор включён в сеть через трансформатор, касание прибора одной рукой вполне безопасно, поскольку вторичная цепь трансформатора никакого контакта с землёй не имеет.
  • Импульсные трансформаторы (ИТ). Основное применение заключается в передаче прямоугольного электрического импульса (максимально крутой фронт и срез, относительно постоянная амплитуда). Он служит для трансформации кратковременных видеоимпульсов напряжения, обычно периодически повторяющихся с высокой скважностью. В большинстве случаев основное требование, предъявляемое к ИТ, заключается в неискажённой передаче формы трансформируемых импульсов напряжения; при воздействии на вход ИТ напряжения той или иной формы на выходе желательно получить импульс напряжения той же самой формы, но, быть может, иной амплитуды или другой полярности.
  • Измерительные трансформаторы (трансформаторы тока, трансформаторы напряжения). Применяются для измерения очень больших или очень маленьких переменных напряжений и токов в цепях Релейная защита и автоматика.
  • Измерительный трансформатор постоянного тока. На самом деле представляет собой магнитный усилитель, при помощи постоянного тока малой мощности управляющий мощным переменным током. При использовании выпрямителя ток выхода будет постоянным и зависеть от величины входного сигнала.
  • Измерительно-силовые трансформаторы. Имеют широкое применение в схемах генераторов переменного тока малой и средней мощности (до мегаватта), например, в дизель-генераторах. Такой трансформатор представляет собой измерительный трансформатор тока с первичной обмоткой, включённой последовательно с нагрузкой генератора. Со вторичной обмотки снимается переменное напряжение, которое после выпрямителя подаётся на обмотку подмагничивания ротора. (Если генератор — трёхфазный, обязательно применяется и трёхфазный трансформатор). Таким образом, достигается стабилизация выходного напряжения генератора — чем больше нагрузка, тем сильнее ток подмагничивания, и наоборот.
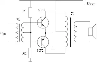
Фазоинвертирующие и согласующие трансформаторы в выходном каскаде усилителя звуковой частоты с транзисторами одного типа проводимости. Транзистор в такой схеме усиливает только половину периода выходного сигнала. Чтобы усилить оба полупериода, нужно подать сигнал на два транзистора в противофазе. Это и обеспечивает трансформатор T1. Трансформатор T2 суммирует выходные импульсы VT1 и VT2 в противофазе и согласует выходной каскад с низкоомным динамиком
  • Согласующие трансформаторы. Из законов преобразования напряжения и тока для первичной и вторичной обмотки видно, что со стороны цепи первичной обмотки всякое сопротивление во вторичной обмотке выглядит в раз больше. Поэтому согласующие трансформаторы применяются для подключения низкоомной нагрузки к каскадам электронных устройств, имеющим высокое входное или выходное сопротивление. Например, высоким выходным сопротивлением может обладать выходной каскад усилителя звуковой частоты, особенно, если он собран на лампах, в то время как динамики имеют очень низкое сопротивление. Согласующие трансформаторы также исключительно полезны в высокочастотных линиях, где различие сопротивления линии и нагрузки привело бы к отражению сигнала от концов линии, и, следовательно, к большим потерям.
  • Фазоинвертирующие трансформаторы. Трансформатор передаёт только переменную компоненту сигнала, поэтому даже если все постоянные напряжения в цепи имеют один знак относительно общего провода, сигнал на выходе вторичной обмотки трансформатора будет содержать как положительную, так и отрицательную полуволны, причём, если центр вторичной обмотки трансформатора подключить к общему проводу, то напряжение на двух крайних выводах этой обмотки будет иметь противоположную фазу. До появления широкодоступных биполярных транзисторов с n-p-n типом проводимости фазоинвертирующие трансформаторы применялись в двухтактных выходных каскадах усилителей, для подачи противоположных по полярности сигналов на базы двух транзисторов каскада. К тому же, из-за отсутствия «ламп с противоположным зарядом электрона», фазоинвертирующий трансформатор необходим в ламповых усилителях с двухтактным выходным каскадом.

Эксплуатация

Срок службы

Срок службы трансформатора может быть разделён на две категории:

  1. Экономический срок службы — экономический срок службы заканчивается, когда капитализированная стоимость непрерывной работы существующего трансформатора превысит капитализированную стоимость доходов от эксплуатации этого трансформатора. Или экономический срок жизни трансформатора (как актива) заканчивается тогда, когда удельные затраты на трансформацию энергии с его помощью становятся выше удельной стоимости аналогичных услуг на рынке трансформации энергии.
  2. Технический срок службы

Работа в параллельном режиме

Параллельная работа трансформаторов нужна по очень простой причине. При малой нагрузке мощный трансформатор имеет большие потери холостого хода, поэтому вместо него подключают несколько трансформаторов меньшей мощности, которые отключаются, если в них нет необходимости.

При параллельном подключении двух и более трансформаторов требуется следующее[26]:

  1. Параллельно могут работать только трансформаторы, имеющие одинаковую угловую погрешность между первичным и вторичным напряжениями.
  2. Полюса с одинаковой полярностью на сторонах высокого и низкого напряжения должны быть соединены параллельно[27].
  3. Трансформаторы должны иметь примерно тот же самый коэффициент передачи по напряжению.
  4. Напряжение полного сопротивления короткого замыкания должно быть одинаковым в пределах ±10 %.
  5. Отношение мощностей трансформаторов не должно отклоняться более чем 1:3.
  6. Переключатели числа витков должны стоять в положениях, дающих коэффициент передачи по напряжению как можно ближе.

Другими словами, это значит, что следует использовать наиболее схожие трансформаторы. Одинаковые модели трансформаторов являются лучшим вариантом. Отклонение от вышеприведённых требований возможны при использовании соответствующих знаний.

Частота

При одинаковых напряжениях первичной обмотки трансформатор, разработанный для частоты 50 Гц, может использоваться при частоте сети 60 Гц, но не наоборот. При этом необходимо принять во внимание, что возможно потребуется заменить навесное электрооборудование. При частоте меньше номинальной увеличивается индукция в магнитопроводе, что может повлечь его насыщение и как следствие резкое увеличение тока холостого хода и изменение его формы. При частоте больше номинальной повышается величина паразитных токов в магнитопроводе, повышенный нагрев магнитопровода и обмотки, приводящие к ускоренному старению и разрушению изоляции.

Регулирование напряжения трансформатора

В зависимости от нагрузки электрической сети меняется её напряжение. Для нормальной работы электроприёмников потребителей необходимо, чтобы напряжение не отклонялось от заданного уровня больше допустимых пределов, в связи с чем применяются различные способы регулирования напряжения в сети[28].

Изоляция трансформатора

Изоляция трансформатора в процессе эксплуатации теряет свою прочность под действием температуры. При текущих ремонтах необходимо контролировать состояние изоляции активной части и трансформаторного масла по нормам испытания электрооборудования. Характеристики изоляции трансформатора заносятся в паспорт трансформатора[29].

Диагностика причин неисправности

Вид неисправностиПричина
ПерегревПерегрузка
ПерегревНизкий уровень масла
ПерегревЗамыкание
ПерегревНедостаточное охлаждение
ПробойПерегрузка
ПробойЗагрязнение масла
ПробойНизкий уровень масла
ПробойСтарение изоляции витков
ОбрывПлохое качество пайки
ОбрывСильные электромеханические деформации при коротком замыкании
Повышенное гудениеОслабление опрессовки шихтованного магнитопровода
Повышенное гудениеПерегрузка
Повышенное гудениеНесимметричная нагрузка
Повышенное гудениеКороткое замыкание в обмотке
Появление воздуха в газовом реле (с термосифонным фильтром)Заглушен термосифонный фильтр, воздух появляется в газовом реле через заглушку

Перенапряжения трансформатора

В процессе использования трансформаторы могут подвергаться напряжению, превосходящему рабочие параметры. Данные перенапряжения классифицируются по их продолжительности на две группы:

  • Кратковременное перенапряжение — напряжение промышленной частоты относительной продолжительности, колеблющейся в пределах от менее 1 секунды до нескольких часов.
  • Переходное перенапряжение — кратковременное перенапряжение в пределах от наносекунд до нескольких миллисекунд. Период нарастания может колебаться от нескольких наносекунд до нескольких миллисекунд. Переходное перенапряжение может быть колебательным и неколебательным. Они обычно имеют однонаправленное действие.

Трансформатор также может быть подвергнут комбинации кратковременных и переходных перенапряжений. Кратковременные перенапряжения могут следовать сразу за переходными перенапряжениями.

Перенапряжения классифицируются на две основные группы, характеризующие их происхождение:

  • Перенапряжения, вызванные атмосферными воздействиями. Чаще всего переходные перенапряжения возникают вследствие грозовых разрядов вблизи высоковольтных линий передач, подсоединённых к трансформатору, однако иногда грозовой импульс может поразить трансформатор или саму линию передачи. Пиковая величина напряжения зависит от тока грозового импульса, является статистической переменной. Зарегистрированы токи грозового импульса свыше 100 кА. В соответствии с измерениями, проведёнными на высоковольтных линиях электропередач в 50 % случаях пиковая величина токов грозового импульса находится в пределах от 10 до 20 кА. Расстояние между трансформатором и точкой воздействия грозового импульса влияет на время нарастания импульса, поразившего трансформатор, чем короче расстояние до трансформатора, тем короче время.
  • Перенапряжения, сформированные внутри силовой системы. Данная группа охватывает как кратковременные, так и переходные перенапряжения, возникшие вследствие изменения условий эксплуатации и обслуживания силовой системы. Данные изменения могут быть вызваны нарушением процесса коммутации или поломкой. Временные перенапряжения вызваны коротким замыканием на землю, сбросом нагрузки или феноменом низкочастотного резонанса. Переходные перенапряжения возникают в случаях, когда часто отключаются или подключаются к системе. Также они могут возникнуть при возгорании внешней изоляции. При переключении реактивной нагрузки, переходное напряжение может возрасти до 6-7 крат вследствие многочисленных прерываний тока переходного процесса в автоматическом прерывателе со временем нарастания импульса до нескольких долей микросекунд.

Способность трансформатора выдерживать перенапряжения

Трансформаторы должны пройти определённые испытания электрической прочности изоляции перед выпуском с завода. Прохождение данных испытаний свидетельствует о вероятности бесперебойной эксплуатации трансформатора.

Испытания описаны в международных и национальных стандартах. Трансформаторы, прошедшие испытания, подтверждают высокую надёжность эксплуатации.

Дополнительным условием высокой степени надёжности является обеспечение приемлемых ограничений перенапряжения, так как трансформатор в процессе эксплуатации может быть подвергнут более серьёзным перенапряжениям по сравнению с условиями тестовых испытаний.

Необходимо подчеркнуть чрезвычайную важность планирования и учёта всех типов перенапряжений, которые могут возникнуть в силовой системе. Для нормального выполнения данного условия необходимо понимание происхождения различных типов перенапряжений. Величина различных типов перенапряжений является статистической переменной. Способность изоляции выдерживать перенапряжения также является статистической переменной.

См. также

Примечания

  1. 1 2 ГОСТ 16110-82. Трансформаторы силовые. Термины и определения.
  2. Патент на изобретение 809451, СССР. 01.03.78.
  3. 1 2 3 Харламова Т. Е. История науки и техники. Электроэнергетика. Учебное пособие.-СПб: СЗТУ, 2006. 126 с.
  4. 1 2 Кислицын А. Л. Трансформаторы: Учебное пособие по курсу «Электромеханика».- Ульяновск: УлГТУ, 2001. — 76 с ISBN 5-89146-202-8
  5. Французский патент № 115793 на имя Jablochkoff от 30 ноября 1876 года под названием «Disposition de courants, destinée à l'éclairage par la lumière électrique», сноска на него присутствует в следующем издании: Subject-Matter Index of Patents for Inventions (Brevets D'Invention) Granted in France from 1791 to 1876 Inclusive. — Washington, 1883. — С. 248.
  6. к. т. н. Савинцев Ю. М. Силовые трансформаторы: основные вехи развития Архивная копия от 4 января 2012 на Wayback Machine // 25.01.2010
  7. Трёхфазная система переменного тока с шестью проводами изобретена Николой Теслой, патент США № 381968 от 01.05.1888, заявка на изобретение № 252132 от 12.10.1887.
  8. Трёхфазный асинхронный двигатель изобретён Николой Теслой, патент США № 381968 от 01.05.1888, заявка на изобретение № 252132 от 12.10.1887.
  9. 1 2 История трансформатора Архивная копия от 2 января 2009 на Wayback Machine // energoportal.ru /доступно на 02.08.2008/  (недоступная ссылка с 22-05-2013 [4416 дней] история, копия)
  10. Winders. Power Transformer Principles and Applications (англ.). — P. 20—21.
  11. Толмачёв — лекция 8. Дата обращения: 7 февраля 2009. Архивировано 29 июня 2009 года.
  12. Абсолютное количество витков в обмотках трасформатора не может быть выбрано произвольным, на основе лишь требуемого коэффициента трансформации. Оно зависит от важного расчётного параметра — количество витков на 1 вольт (или же обратная величина — эффективная ЭДС одного витка), который, в свою очередь, зависит от сечения сердечника и в конечном итоге от габаритной мощности трансформатора. (Подробнее см. Вторичный источник электропитания#Габариты трансформатора). Кроме того, в количество витков реального трансформатора вносятся поправки, учитывающие потери энергии в сердечнике и обмотках.
  13. Flanagan, William M. Handbook of Transformer Design and Applications (англ.). McGraw-Hill Education, 1993. — P. Chap. 1, p. 1—2. — ISBN 0070212910.
  14. Китаев В. Е. Трансформаторы. Высшая школа, М: 1974.
  15. 1 2 http://model.exponenta.ru/electro/0070.htm Архивная копия от 30 марта 2009 на Wayback Machine Дубовицкий Г. П. Трансформаторы
  16. ABB Transformer Handbook Архивная копия от 21 сентября 2008 на Wayback Machine // ABB.com
  17. ГОСТ 11677-85. ТРАНСФОРМАТОРЫ СИЛОВЫЕ: Общие технические условия
  18. Кацман М. М. Электрические машины и трансформаторы. Учебник для техникумов для электротехнических и энергетических специальностей. М., «Высшая школа», 1971, 416 с.
  19. Однако трансформатор, используемый в источниках электропитания даже минимальной мощности (несколько ватт), тоже называется силовым.
  20. Словарь Бензаря
  21. ГОСТ 30030-93 Трансформаторы разделительные и безопасные разделительные трансформаторы. Технические требования (МЭК 742-83)
  22. [bse.sci-lib.com/article077414.html Ассоциативное запоминающее устройство] — статья из Большой советской энциклопедии (3-е издание)
  23. Не стоит путать с «трансфлюктором», который выполняет роль фильтра.
  24. Журнал «Радио», № 2, 1989 г., с.40.
  25. Например, чтобы суммировать напряжения нескольких вторичных обмоток, их следует соединить последовательно именно таким образом, чтобы конец одной обмотки был соединён с началом другой. (Напротив, если соединить конец одной обмотки с концом другой, то на крайних выводах будет разность их напряжений, что тоже иногда бывает нужно). А для суммирования тока нескольких обмоток (идентичных по количеству витков и толщине провода!), надо соединить их параллельно именно так: в одной точке соединить все начала, в другой — все концы.
  26. IEC 60076-8. Силовые трансформаторы — Руководство по применению, пункт 6, страницы 81-91.
  27. То есть должны быть соединены в одной точке все начала, а в другой точке все концы первичных обмоток, то же самое для вторичных.
  28. Рожкова Л. Д., Козулин В. С. Электрооборудование станций и подстанций: Учебник для техникумов. — 3-е изд., перераб. и доп. — М.: Энергоатомиздат, 1987. — 648 с.: ил. ББК 31.277.1 Р63
  29. Фёдоров А. А., Попов Ю. П. Эксплуатация электрооборудования промышленных предприятий. — М.: Энергоатомиздат, 1986. — Тираж 35000 экз. — с. 229

Литература

  • Сапожников А. В. Конструирование трансформаторов. М.: Госэнергоиздат. 1959.
  • Пиотровский Л. М. Электрические машины, Л., «Энергия», 1972.
  • Вольдек А. И. Электрические машины, Л., «Энергия», 1974
  • Тихомиров П. М.. Расчёт трансформаторов. Учебное пособие для вузов. М.: Энергия, 1976. — 544 с.
  • Электромагнитные расчёты трансформаторов и реакторов. — М.: Энергия, 1981—392 с.
  • Электрические машины: Трансформаторы: Учебное пособие для электромеханических специальностей вузов/Б. Н. Сергеенков, В. М. Киселёв, Н. А. Акимова; Под ред. И. П. Копылова. — М.: Высш. шк., 1989—352 с. ISBN 5-06-000450-3
  • Силовые трансформаторы. Справочная книга/Под ред. С. Д. Лизунова, А. К. Лоханина. М.: Энергоиздат 2004. — 616 с ISBN 5-98073-004-4
  • Атабеков Г. И. Основы теории цепей, Лань, С-Пб.,- М.,- Краснодар, 2006.
  • Котенёв С. В., Евсеев А. Н. Расчёт и оптимизация тороидальных трансформаторов. М.: Горячая линия - Телеком, 2011. — 287 с. 1000 экз. — ISBN 978-5-9912-0186-5.
  • Евсеев А. Н. Расчёт и оптимизация тороидальных трансформаторов и дросселей. - 2-е изд., перераб. и доп. М.: Горячая линия - Телеком, 2017. — 368 с. 500 экз. — ISBN 978-5-9912-0618-1.
  • В. Г. Герасимов, Э. В. Кузнецов, О. В. Николаева. Электротехника и электроника. Кн. 1. Электрические и магнитные цепи. М.: Энергоатомиздат, 1996. — 288 с. — ISBN 5-283-05005-X.
Нормативные документы

Ссылки