Резисторная оптопара

* с лампой накаливания
* со светодиодом.
Рези́сторная оптопа́ра (сокр. РО), или резисторный оптрон — оптоэлектронный полупроводниковый прибор, состоящий из излучателя и приёмника света, которые соединены оптической связью и гальванически изолированы друг от друга[1]. Приёмником РО служит фоторезистор на основе селенида кадмия (CdSe) или сульфида кадмия (CdS), а излучателем — светодиод, миниатюрная лампа накаливания, реже — неоновая лампа. В РО с закрытым оптическим каналом излучатель и приёмник света прочно склеены друг с другом прозрачным клеем и помещены в оптически непрозрачный корпус. В РО с открытым каналом излучатель и приёмник монтируются на общем основании, а оптический канал замыкается через внешнюю среду.
Функционально РО представляет собой электрическое сопротивление, управляемое током, протекающим через излучатель. В отсутствие тока через излучатель темновое сопротивление[note 1] фоторезистора постоянному току составляет от единиц МОм до сотен ГОм[2]. При облучении приёмника светом излучателя проводимость фоторезистора растёт пропорционально освещённости его поверхности, которая в свою очередь пропорциональна силе света излучателя[note 2]. В отличие от фотодиодов и фототранзисторов, фоторезисторы способны управлять линейными цепями и постоянного, и переменного тока[1], при этом допустимые напряжения на фоторезисторе могут достигать сотен В[2]. Коэффициент нелинейных искажений (КНИ) выходного тока при малых напряжениях (до 0,5 В) не превышает 0,1% (-80 дБ)[3].
РО — исторически первый, и самый медленный тип оптопары: задержка переключения лучших образцов составляет порядка 1 мс[4], а для РО на лампах накаливания характерны задержки в сотни мс[2]. Паразитная ёмкость фоторезистора ограничивает частотный диапазон вторичной цепи звуковыми и ультразвуковыми частотами. Кадмиевые фоторезисторы демонстрируют выраженный эффект памяти: сопротивление фоторезистора зависит не только от текущего значения освещённости («засветки»), но и от накопленной в прошлом «световой истории». Адаптация к текущему значению освещённости длится часами[5], у высокочувствительных приборов — неделями[6]. При высоких температурах фоторезисторы быстро и необратимо стареют, а при температурах ниже −25 °C резко возрастает задержка отклика. Поэтому ещё в 1970-е годы РО были вытеснены с рынка быстродействующими диодными и транзисторными оптопарами (оптронами). Благодаря удачному сочетанию гальванической развязки, малых искажений и простоты схемотехнических решений РО продолжают использоваться как регулирующие элементы (управляемые сопротивления) в студийном звуковом оборудовании, в гитарных усилителях и в аналоговых синтезаторах.
История
В 1873 году Уиллоуби Смит обнаружил фотопроводимость в селене[7]. В начале XX века изучение внешнего фотоэффекта в вакуумных лампах открыло путь к коммерческому производству фотоэлементов[8]. В 1918 году американские и германские инженеры, работавшие независимо друг от друга, предложили использовать вакуумные фотоэлементы для считывания оптических фонограмм в кинематографе[9]. Ли де Форест, Western Electric и General Electric довели до практического применения три конкурирующие системы звукового кино[10][11]. В 1927 году на экраны США вышел первый коммерческий звуковой фильм Певец джаза, а к 1930 году звуковые фильмы полностью вытеснили немое кино[10].
Триумф звукового кино стимулировал поиск новых областей применения фотоэлементов[12]. Инженеры рассматривали все известные типы фотоэлементов (вакуумные, газоразрядные, фотовольтаики, фоторезисторы[13]), но на практике рынок промышленной и бытовой автоматики захватили медленные[14], но дешёвые селеновые приборы[15]. К середине 1930-х годов селеновые фотоэлементы управляли заводскими конвейерами, лифтами[16], ткацкими станками[17]. В Великобритании, а затем в США началась массовая установка пожарных извещателей с селеновыми датчиками[18]. Норберт Винер предложил использовать, а Трумэн Грей построил оптический сканер для ввода и интегрирования данных в аналоговых компьютерах[19]. Курт Креймер внедрил селеновый фотоэлемент в медицинские исследования. В 1940 году Гленн Милликен построил первый практический селеновый оксиметр для контроля состояния пилотов Королевских ВВС. Оксиметр Милликена представлял собой оптопару, оптический канал которой замыкался через мочку уха пилота[20][21].
Во второй половине 1950-х годов на смену селеновым фотоэлементам пришли фоторезисторы на основе сульфида кадмия (CdS) и селенида кадмия (CdSe). К 1960 году оптопары на лампах накаливания и кадмиевых фоторезисторах применялись в цепях обратной связи промышленной автоматики (регуляторы оборотов машин, стабилизаторы напряжения). В начале 1960-х внедрение чувствительных и компактных кадмиевых фоторезисторов обусловило массовое производство фотоаппаратов с автоматической экспозицией, в том числе зеркальных камер с замером экспозиции через объектив[22][23]. В медицине кадмиевые фоторезисторы не прижились из-за чрезмерного эффекта памяти и быстрого старения[23]. Необходимость регулярной калибровки и поправки на «световую историю» прибора оказались неприемлемыми для врачебной практики[24][25].

В первой половине 1960-х годов Gibson и Fender начали использовать РО в качестве модуляторов эффекта «тремоло»[note 3] гитарных усилителей. Обе компании самостоятельно собирали свои оптопары из дискретных ламп, фоторезисторов и термоусадочной трубки[26]. Gibson использовал в качестве излучателей лампы накаливания, ограничивавшие предельную частоту эффекта. Fender заменил лампу накаливания на неоновую лампу, что позволило повысить частоту эффекта до десятков Гц при малых управляющих токах и «переключательном», нелинейном характере модуляции. Несмотря на преимущество неоновых ламп в скорости переключения, независимые производители гитарных эффектов предпочитали использовать лампы накаливания с их плавной, «сочной» модуляцией[27].
В 1967 Vactec, Inc. выпустила на рынок компактные РО под торговой маркой Vactrol[28] (Вактрол). В отличие от сборок, применявшихся Fender и Gibson, вактролы были полностью герметизированы и обеспечивали жёсткую механическую связь лампы и фоторезистора. В начале 1970-х годов Vactec заменила лампы накаливания на светодиоды. РО достигли предела скорости переключения, которая всё равно оставалась слишком медленной для нужд цифровой техники. Производители сконцентрировали усилия на доводке до массового применения фотодиодов и фототранзисторов, и в течение 1970-х годов новые приборы и оптроны на их основе вытеснили резисторные оптопары с рынка[29][24]. РО сохранили за собой узкие ниши в сценическом и студийном звуковом оборудовании, а также в промышленной автоматике, где недостатки фоторезисторов не имели решающего значения[30][31]. Vactec, Inc. не продлила вовремя свои права на торговую марку Vactrol[28], и она стала в английском языке нарицательным именем, обозначающим любую РО, применяемую в звуковой аппаратуре[32] (включая «вактролы» Fender и Gibson, выпущенные до появления торговой марки Vactrol[note 4]. По состоянию на начало 2012 года, производство РО под торговой маркой Vactrol продолжает компания PerkinElmer (США) — правопреемник Vactec, Inc.[33]. Компания Silonex (США, подразделение Carlyle Group) производит РО под торговой маркой AudiOhm[34].
В Европейском Союзе производство и сбыт фоторезисторов на основе соединений кадмия запрещены с 1 января 2010 года. Первоначальный вариант директивы ЕС об ограничении содержания вредных веществ (RoHS), принятой в 2003 году, допускал временное использования кадмия в приборах, не имевших безопасных аналогов[35]. Представители звуковой индустрии не смогли убедить законодателей в незаменимости кадмиевых оптопар, и в 2009 году Еврокомиссия исключила «фоторезисторы для оптопар, применяемых в профессиональной звуковой аппаратуре» из списка разрешённых применений кадмия[36].
Физические свойства
Излучатели, фоторезисторы и оптическая связь
В оптопарах применяются два вида светочувствительных материалов: сульфид кадмия (CdS, сернисто-кадмиевые фоторезисторы[37]) и селенид кадмия (CdSe, селенисто-кадмиевые фоторезисторы[37]).
Сернисто-кадмиевые фоторезисторы имеют высокую чувствительность, достигающую максимума в красной области видимого спектра (длина волны λ = 640 нм) и захватывающую ближнюю инфракрасную область до λ = 900 нм[38]. Они способны управлять относительно большими токами (порядка нескольких мА), при этом их передаточная люксамперная характеристика (зависимость фототока от освещённости при постоянном напряжении) близка к линейной[37]. Высокое темновое сопротивление[note 1], достигающее десятков ГОм[37], обеспечивает максимально возможный динамический диапазон по освещённости и наименьшие нелинейные искажения сигнала[39]. Однако быстродействие таких фоторезисторов низкое: постоянная времени реакции на изменение освещённости достигает 140 мс при +25 °C[37].
Селенид-кадмиевые фоторезисторы имеют максимально возможную чувствительность, в 5-100 раз превосходящую чувствительность сернисто-кадмиевых приборов[37]. Максимум чувствительности лежит в красной области видимого спектра или в ближней инфракрасной области (λ от 670 до 850 нм), длинноволновая граница чувствительности достигает 1100 нм[38]. При относительно узком динамическом диапазоне и худшей линейности селенид кадмия обеспечивает лучшее быстродействие — постоянная времени не превышает 20 мс[37].
Оптимальными излучателями для кадмиевых фоторезисторов являются красные светодиоды на гетероструктурах AlGaAs (длина волны λ = 660 нм) или GaP/GaP (λ = 697 нм), имеющие относительно широкие спектры излучения[40]. Коэффициент спектральной корреляции[note 5] таких оптопар достигает 35% и 47% соответственно[41].
Светимость светодиода практически пропорциональна управляющему току[note 6]. Спектр излучения зависит от температуры кристалла (которая, в свою очередь, растёт с ростом тока), но температурный сдвиг спектра в пределах области безопасной работы слишком мал, чтобы нарушить спектральное согласования светодиода и фоторезистора[42][43]. Для обеспечения постоянства оптической связи излучатель и фоторезистор жёстко склеиваются прозрачным компаундом на основе эпоксидной смолы, оптического клея или вазелиноподобных полимеров[44]. Фокусировка и узкая направленность излучения, свойственная светодиодам, в оптопарах не допускаются: если узкий пучок света падает на границу металлизации и открытой поверхности фоторезистора, то малейшее смещение излучателя относительно границы раздела существенно изменяет световой поток, улавливаемый фоторезистором[45]. Поэтому в светодиодных оптопарах клей выполняет дополнительную функцию рассеивания света.
Передаточная характеристика
Передаточная характеристика идеальной РО, обычно представляемая как зависимость сопротивления фоторезистора от тока через излучатель, является производной от амперлюксной характеристики излучателя, коэффициента оптической связи излучателя и фоторезистора, спектрального согласования излучателя и фоторезистора, и люксомической характеристики фоторезистора[note 7]. Эффективная освещённость кристалла фоторезистора светодиодом пропорциональна управляющему току во всём диапазоне рабочих токов. Для ламп накаливания связь тока и полезной освещённости можно установить только опытным путём: светимость лампы зависит от тока нелинейно, при этом с ростом тока спектр излучения непрерывно смещается. Свойства фоторезистора также зависят от температуры, напряжения на его выводах, срока эксплуатации, но в особенности от накопленной «световой истории» (эффекта памяти). Поэтому на практике передаточная характеристика представляет собой полосу вероятных значений.

Эквивалентная схема фоторезистора состоит из трёх сопротивлений:
- RТ — темновое сопротивление (объёмное сопротивление кристалла CdS or CdSe) лежит в диапазоне от единиц МОм до сотен ГОм[2][45].
- RОСТ — остаточное световое сопротивление полностью открытого фоторезистора. Для низкоомных фоторезисторов типичны значения от 100 Ом до 1 кОм, для высокоомных — от 2 до 20 кОм[45].
- RФ — идеальный фоторезистор, сопротивление которого обратно пропорционально освещённости. Так как RТ на несколько порядков больше, чем RОСТ, то в большей части рабочего диапазона освещённостей Ф полное сопротивление определяется именно RФ:[45] R (Ф) ≈ RФ. Динамический диапазон фоторезистора по освещённости приравнивается к отношению критической освещённости ФКР к порогу чувствительности ФП, при этом ГОСТ определяет ФКР как освещённость, при которой ток через фоторезистор отклоняется от идеального линейного закона зависимости (I (Ф) = kФ) более, чем на 20 %[46] (то есть при увеличении фактического сопротивления до более чем 120% от идеализированного RФ).
RТ и RФ (но не RОСТ) уменьшаются c ростом напряжения на выводах фоторезистора, что порождает нелинейные искажения выходного сигнала[45]. При малых уровнях освещённости полное сопротивление кадмиевого фоторезистора имеет положительный температурный коэффициент сопротивления (ТКС), увеличиваясь примерно на 1% с ростом температуры на 1 °C[47][48]. С ростом освещённости ТКС может и возрастать, и уменьшаться, и менять знак с положительного на отрицательный[49].
Эффект памяти

Кадмиевые фоторезисторы обладают выраженным эффектом памяти: сопротивление фоторезистора, при прочих равных условиях, зависит от накопленной «световой истории»[50]. Фоторезистор, выдержанный в темноте в течение достаточно длительного времени, демонстрирует избыточную реакцию на свет. Непосредственно после облучения фоторезистора светом постоянной интенсивности Ф его сопротивление падает до низкого начального значения RМИН (Ф). Затем сопротивление медленно возрастает до установившегося значения R (Ф). В обратном случае, когда фоторезистор длительное время облучался светом высокой интенсивности (Ф0 >> ФКР), с переходом к меньшему уровню освещённости Ф сопротивление возрастает до RМАКС (Ф), а затем медленно спадает до уровня R (Ф). Изменения мощности, рассеиваемой излучателем и фоторезистором, неизбежно влияют на температуру последнего, поэтому на практике адаптация к свету сопровождается тепловым дрейфом сопротивления.
Скорость адаптации к свету нелинейно растёт с уровнем освещённости, а время адаптации к новому уровню освещённости измеряется минутами или часами. После выключения источника света сопротивление фоторезистора возрастает до RТ, однако фоторезистор «помнит» накопленную «световую историю». Адаптация к темноте (возврат к исходному тёмному состоянию), как правило, занимает около восьми часов, но в некоторых приборах остаточные явления продолжаются неделями[6]. На практике время гарантированной полной адаптации приравнивают к 24 часам[5].
Глубина эффекта памяти, выраженная как отношение RМАКС / RМИН, наиболее велика при малых уровнях освещённости. Для фоторезисторов современных РО производства PerkinElmer это отношение равно 1,5—1,6 при освещённости 0.1 лк; при освещённости 1000 лк оно снижается до 1,05—1,10 (RМАКС и RМИН асимптотически приближаются к RОСТ)[50]. Ещё в 2001 году в США выпускались быстрые низкоомные фоторезисторы, у которых отношение RМАКС / RМИН достигало значения 5,5[50], но к 2009 году они были сняты с продаж[51]. Высокоомные фоторезисторы, как правило имеют менее выраженный эффект памяти, менее зависят от температуры, и более линейны, чем низкоомные приборы, — но проигрывают им в быстродействии[52]. В 1960-е годы были предложены фоторезисторы, у которых эффект памяти практически отсутствовал[note 8], но при высоких уровнях освещённости эти приборы демонстрировали неприемлемо высокие нелинейные искажения[53].
Рабочие частоты
РО — медленные устройства, которым характерны два рода частотных ограничений — по входу и по выходу.
Эффективный частотный диапазон входного (управляющего, модулирующего) сигнала ограничен задержками отклика источника света на изменение входного тока и задержками отклика фоторезистора на изменение освещённости. Верхняя граница частоты управляющего сигнала РО составляет от 1 до 250 Гц, а время отклика фоторезистора на уменьшение освещённости (выключение излучателя) составляет от 2.5 мс до более 1 секунды[4] [note 9]. Отклик на увеличение освещённости существенно (до десяти раз) быстрее, но на практике частотный диапазон ограничен наибольшей из задержек, то есть откликом на уменьшение освещённости. С ростом среднего уровня освещённости задержки отклика незначительно уменьшаются[4]. Паспортные данные по задержке отклика советских РО, как правило, более консервативны, чем данные американских приборов. По ГОСТу[54] время спада определяется как «минимальный интервал времени между точками обратной переходной нормированной характеристики со значениями [нормированного тока или нормированной проводимости] 0,9 и 0,1 соответственно»[55]. По ТУ задержка при выключении РО приравнивалась ко времени, за которое ток через фоторезистор снизится до 20% от начального (светового) тока[56]. Американцы же оперируют постоянной времени — временем, за которое проводимость или ток спадает до 27% (1/e) от начального значения[45][57].
Задержка включения светодиода составляет единицы или десятки наносекунд — ею на практике пренебрегают. Задержки включения и выключения лампы накаливания измеряются десятками и сотнями миллисекунд соответственно, поэтому частотный диапазон РО на лампах накаливания ограничен единицами Гц. На частотах сетевого напряжения и выше такие РО являются эффективными детекторами среднеквадратического значения тока через лампу[30]. Однокристальные микроконтроллеры с широтно-модулированными выходами могут управлять РО всех типов без дополнительной фильтрации ШИМ-сигналов.
Частотный диапазон выходного (управляемого, модулируемого) сигнала ограничен утечками тока через паразитную ёмкость РО. Металлизированные электроды, сформированные на поверхности фоторезистора, имеют значительную площадь и, как следствие — паразитную ёмкость, которая шунтирует омическое сопротивление фоторезистора, тем самым снижая динамический диапазон РО[58]. Темновая межэлектродная ёмкость фоторезистора малогабаритных РО составляет около 3 пФ (при высоких уровнях освещённости, соответствующих полностью открытому фоторезистору, ёмкость в 2-10 раз выше)[58]. При малых значениях освещённости полное темновое сопротивление такого фоторезистора падает до 3 МОм на верхней границе звукового диапазона (20 кГц) и до 12 кОм на поднесущей частоте видеосигнала PAL (4.43 MГц)[58]. Поэтому практический частотный диапазон сигнала, модулируемого РО, ограничен звуковыми и ультразвуковыми частотами.
Шумы и искажения
Шумовой почерк фоторезисторов так же, как и обычных макроскопических резисторов, определяется тремя типами шума: тепловым (джонсоновским) шумом, дробовым шумом и фликкер-шумом[59]. В звуковом диапазоне частот наблюдаются преимущественно дробовой и фликкер-шум, на частотах свыше 10 кГц преобладает тепловой шум[60]. На практике шумовым вкладом фоторезистора в полезный сигнал пренебрегают, если напряжение на его выводах не превышает 80 В[59]. При превышении порога в 80..100 В отмечается существенный рост шумов[59].
Нелинейные искажения, порождаемые фоторезистором, зависят от приложенного к нему напряжения и от освещённости. По данным PerkinElmer, КНИ для данного напряжения минимален при большой освещённости и малом сопротивлении фоторезистора. С уменьшением освещённости и ростом сопротивления КНИ увеличивается в несколько раз. Относительная разница между минимальным и максимальным значением КНИ для каждого типа фоторезистора практически не зависит от приложенного напряжения[61].
Если напряжение на фоторезисторе не превосходит порога, который для разных материалов составляет от 100 до 300 мВ[61], то КНИ практически не зависит от напряжения и составляет менее 0,01 %[61]. Природа этих остаточных искажений, в спектре которых преобладает вторая гармоника, не установлена[59]. При превышении порога в спектре появляется третья гармоника, КНИ увеличивается пропорционально квадрату напряжения[61]. Приемлемый для высококачественного воспроизведения звука коэффициент нелинейных искажений в 0,1% (-80 дБ), как правило, обеспечивается при напряжениях сигнала до 500 мВ[59]. Соотношением чётных и нечётных гармоник можно управлять, прикладывая к электродам фоторезистора постоянное напряжение смещения[61].
Тепловой режим

Превышения максимального напряжения между выводами фоторезистора, даже кратковременные, недопустимы[62]. Максимальное допустимое напряжение малогабаритных высокоомных фоторезисторов ограничено утечками тока по поверхности кристалла и составляет от 100 до 300 В[62]. Максимальное допустимое напряжение низковольтных фоторезисторов устанавливается на меньших уровнях, определяемых допустимым рассеянием тепла на кристалле[62]. И в том, и в другом случае перенапряжение вызывает катастрофическое необратимое разрушение металлизации[62].
Срок службы РО определяется сроком службы излучателя (лампы или светодиода) и допустимым диапазоном изменений свойств фоторезистора[62]. На практике сроком службы светодиода можно пренебречь — он составляет от 10 до 20 тысяч часов (от 1 до 7 лет непрерывной работы), после которых начинается плавное снижение оптической отдачи[62]. Работа на предельных токах ускоряет старение светодиодов, поэтому при постоянном включении рекомендуется ограничить ток половиной от допустимого максимума[63]. Среднее время наработки на отказ лампы накаливания не превышает 20 тысяч часов, а сам отказ происходит почти мгновенно и необратимо: перегорает спираль лампы[64]. Из-за низкого КПД лампы накаливания требуют большей, чем светодиоды, мощности и, как следствие, фоторезистор оптопары с лампой накаливания работает в худшем тепловом режиме[65].
Процесс старения фоторезистора необратим и длится в течение всей жизни прибора. Если температура кристалла фоторезистора не превышает допустимого предела (как правило, не более +75 °C), то в течение каждого года непрерывной эксплуатации темновое сопротивление фоторезистора падает на 10 %[66]. При превышении порога старение ускоряется, при температуре +150 °C необратимые (но не катастрофические) изменения сопротивления можно наблюдать на экране осциллографа — в течение нескольких минут сопротивление фоторезистора падает в несколько раз[6]. Предельная мощность рассеяния на фоторезисторе обычно указывается для температуры окружающей среды +25 °C; для более высоких температур предельная мощность уменьшается на 2% на каждый дополнительный градус сверх +25 °C (то есть при +75 °C допустимая мощность уменьшается до нуля — эксплуатация прибора запрещена)[67]. Стоит отметить, что благодаря бо́льшей площади кристалла фоторезисторы более устойчивы к кратковременному превышению допустимой мощности, чем современные кремниевые транзисторы с таким же паспортным значением допустимой мощности[62].
При низких температурах (около −25 °C для низкоомных и около −40 °C для высокоомных приборов) скорость отклика фоторезисторов резко снижается[6] — фоторезисторы буквально «замерзают». После разморозки их электрические свойства полностью восстанавливаются, однако процессы теплового расширения пластиковых корпусов могут приводить к необратимым механическим повреждениям. Советские оптопары в металлических корпусах, как правило, нормировались на работу при температурах до −60 °C[68], но на таких температурах паспортная задержка отклика удлиняется до 4 секунд[69].
Практическое применение
Реле переменного тока
Оптопары с высокоомными фоторезисторами, допускающие работу в цепях переменного напряжения 220 В, могут быть использованы в качестве маломощных реле постоянного или переменного тока c нормально разомкнутыми «контактами». Такие РО — «почти идеальные устройства»[56] для управления электролюминесцентными индикаторами: последовательная цепь из фоторезистора оптопары и переключаемой нагрузки подключается непосредственно к сети переменного тока[70].
Простые делители напряжения

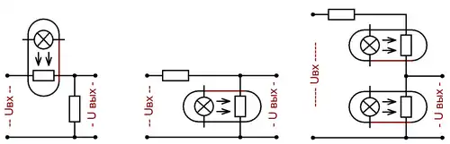
В простейших схемах регулятора уровня сигнала фоторезистор оптопары включается в верхнее (последовательное включение) или в нижнее (шунтирующее включение) плечо делителя напряжения[71].
Последовательное включение обеспечивает бо́льший диапазон регулирования (до −80 дБ) на постоянном токе и низких частотах. Управление затруднено крайней нелинейностью зависимости сопротивления от управляющего тока[72]. Сужение динамического диапазона из-за паразитной ёмкости ощутимо уже на частотах в сотни Гц[72]. Скорость нарастания коэффициента передачи делителя (отклика на увеличение управляющего тока) существенно выше скорости его уменьшения (реакции на уменьшение или отключение управляющего тока)[72]. При низких коэффициентах передачи делителя (-10 дБ и ниже) практически всё напряжение источника сигнала падает на фоторезистор, порождая относительно высокие нелинейные искажения[72].
Шунтирующее включение имеет более гладкую передаточную характеристику, меньший уровень нелинейных искажений, но глубина регулировки коэффициента передачи ограничена уровнем −60 дБ[73]. Это ограничение снимается при последовательном соединении двух шунтирующих делителей[73]. Передаточная характеристика двухкаскадного шунта остаётся достаточно гладкой, если управляющий ток задаётся потенциометром с антилогарифмической характеристикой[73]. Скорость нарастания коэффициента передачи (отклика на уменьшение или отключение управляющего тока) существенно медленнее скорости его уменьшения (реакции на увеличение управляющего тока)[73].
Наилучшее сочетание гладкой передаточной характеристики, малых искажений, большого диапазона регулировки и практически равных скоростей нарастания и уменьшения коэффициента передачи достигается в последовательно-параллельных схемах, составленных из двух оптопар и одного последовательного резистора[74]. Излучатели верхней и нижней РО в такой схеме запитываются комплементарными токами от диодно-резисторного делителя, подобранного под характеристики используемых оптопар. Частотные ограничения таких схем аналогичны последовательному включению РО[74].
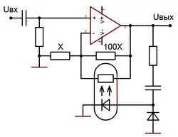
Прецизионные делители напряжения
Схемы, задающие управляющее напряжение делителя, могут эффективно компенсировать тепловой дрейф светодиода РО[75], но не способны компенсировать эффект памяти и тепловой дрейф фоторезистора. Для компенсации процессов, происходящих в фоторезисторе, необходим второй (контрольный) фоторезистор, находящийся в тех же условиях (освещённость, температура), что и основной (модулирующий) прибор. Если напряжение на каждом из двух фоторезисторов относительно невелико, то можно полагать, что температуры их кристаллов равны, «световая история» идентична, и, как следствие — их сопротивления равны друг другу[76].
Наилучшую точность слежения обеспечивают двухрезисторные оптопары, в которых основной и контрольный фоторезисторы сформированы на общем кристалле. Также возможно использование двух обычных оптопар, излучатели которых соединены последовательно (при этом основной и контрольный фоторезисторы могут быть гальванически развязаны друг от друга).
Контрольный фоторезистор включается в делитель стабилизированного напряжения или измерительный мост. Усилитель ошибки сравнивает напряжение на средней точке делителя с целевым значением и корректирует ток излучателя так, чтобы напряжение на средней точке равнялось целевому. Различные схемы цепи обратной связи позволяют реализовать пропорциональную, обратно-пропорциональную, кусочно-линейную, логарифмическую и т. д. передаточные характеристики схемы. При линейной характеристики управления оптопара превращается в аналоговый умножитель: ток через фоторезистор пропорционален произведению напряжения на фоторезисторе и управляющего напряжения[77][78].
Схемы автоматического регулирования

В СССР малогабаритные РО использовались в компрессорах звукового сигнала в дальней телефонной связи. Лампа накаливания РО подключалась к выходу операционного усилителя (ОУ), фоторезистор включался в делитель напряжения обратной связи неинвертирующего усилителя на ОУ. В зависимости от выходного напряжения, коэффициент усиления схемы изменялся от 1:1 до 1:10[79].
Аналогичные схемы с регулируемыми постоянными времени управляющей цепи по сей день применяются в профессиональном звуковом оборудовании (ограничители и компрессоры сигнала, схемы подавления шумов). По заявлению Applied Research & Technology (ART Audio), ламповые компрессоры с оптопарами Vactrol обеспечивают время нарастания сигнала от 0.25 мс, время спада от 150 мс при КНИ=0,1 % и уровне шума −99 dBu[80].
В США РО производства General Electric используются в силовых стабилизаторах напряжения переменного тока промышленного и военного назначения[30]. Стабилизаторы GE строятся на базе автотрансформатора, управляемого парой силовых тиристорных сборок. Лампа накаливания оптопары, защищённая балластным резистором, подключается к выходу переменного тока. Лампа выделяет среднеквадратичное значение выходного напряжения, практически не реагируя на кратковременные выбросы напряжения и длительные искажения формы синусоиды, характерные для промышленных электросетей[30]. Кадмиевый фоторезистор оптопары включён в одно из плеч измерительного моста, выделяющего сигнал ошибки в цепи обратной связи[30].
Гитарные усилители

В первом усилителе Fender c эффектом тремоло[note 3], выпущенном в 1955 году[81], генератор тремоло управлял напряжением смещения предвыходного каскада. Сигнал генератора неизбежно проходил на выход усилителя, порождая заметные призвуки[82]. В начале 1960-х годов Fender и Gibson применили в качестве модулятора тремоло оптопару, фоторезистор которой подключался через блокирующий конденсатор и регулирующий потенциометр между выходом предусилителя и общим проводом. При протекании тока через лампу фоторезистор шунтировал выход предусилителя на землю, и уровень выходного сигнала падал. В этой схеме прохождение управляющего сигнала на выход было исключено[82]. Глубина модуляции регулировалась относительно низкоомным[note 10] потенциометром, вынесенным на лицевую панель. Независимо от положения потенциометра, модулятор существенно снижал коэффициент усиления предшествующего каскада, поэтому предусилитель должен был иметь запас по усилению, а физический разрыв цепи модулятора менял не только уровень, но и тембр усилителя[26].
В усилителях Gibson фоторезистором управляла лампа накаливания, требовавшая относительно больших (для ламповой техники) токов. Раскачкой оптопары заведовал «токовый» триод 6С4 или половина двойного триода 12AU7 (паспортный рабочий ток до 20мА). Fender заменил лампу накаливания на неоновую лампу, что позволило повысить частоту модуляции[83] и раскачивать оптопару маломощным триодом (половина 12AX7). Однако, в отличие от плавного вибрато усилителей Gibson, неоновая лампа Fender работала в ключевом режиме (включено-выключено), что делало эффект менее благозвучным[84]. По этой причине независимые производители гитарных эффектов (Univibe) предпочли использовать лампы накаливания[85].

В 1968 году Darr назвал модулятор на оптопаре «новым методом» связи генератора тремоло и усилителя[82], но дни оптопары в массовом производстве были уже сочтены. Рок-музыка потребовала выходных мощностей, практически не достижимых в ламповой схемотехнике, и к 1967 году основные производители гитарных усилителей перешли на транзисторные схемы[86]. В течение нескольких лет Gibson использовал продолжал использовать оптопару тремоло в транзисторных усилителях (задачу облегчало использование в каскадах предварительного усиления полевых транзисторов, хорошо сопрягавшихся с шунтирующим фоторезистором)[87]. В транзисторном усилителе 1973 года Gibson G100A оптопара была задействована в ином качестве — там она по сигналу педали или внешнего генератора плавно подключала диодный ограничитель сигнала[88]. В том же 1973 году Gibson отказался от использования оптопар, заменив их полевыми транзисторами в режиме управляемого сопротивления[89].
Аналоговые синтезаторы
РО — простой и удобный инструмент перестройки по частоте генераторов, фильтров и усилителей в аналоговых синтезаторах. Особенно проста реализация управляемых напряжением RC-фильтров Саллена — Ки: оптопара обеспечивает близкую к экспоненциальной зависимость частоты среза от управляющего тока, даже без использования обратной связи по модулирующему сигналу[90]. Однако из-за ограниченного частотного диапазона РО большинство разработчиков синтезаторов 1970-х и 1980-х годов (ARP, Korg, Moog, Roland и др.) предпочли использовать иные схемные решения [note 11]. По состоянию на февраль 2012, выпуск модулей синтезаторов на РО продолжает EAR[91] (США), а Doepfer (Германия) реализует их из старых запасов[92].
Триггеры на оптопарах

Последовательное включение светодиода[note 12] и низкоомного фоторезистора превращает оптопару в управляемую импульсами тока бистабильную ячейку (защёлку, ячейку памяти) — аналог защёлки на электромеханических реле. Светодиод оптопары может служить визуальным индикатором состояния защёлки. При включении питания ток через светодиод и фоторезистор равен нулю, напряжение на выходе ячейки приближается к напряжению питания. При подаче на светодиод импульса втекающего тока светодиод загорается, сопротивление фоторезистора падает, выходное напряжение падает до уровня около 2 В. Ячейка защёлкивается во включённом состоянии. Для перевода её в выключенное состояние необходимо кратковременно закоротить светодиод на землю. Сопротивление фоторезистора возрастает, на выходе вновь устанавливается высокий уровень[93] [94].
Радиосвязь
РО используются в любительской радиосвязи как прецизионные, дистанционно регулируемые терминаторы антенн Бевериджа и фидерных линий. В типичной конфигурации РО размещается в герметичном ящике на дальнем (от радиостанции) конце антенны[95][96]. Регулируя ток через излучатель РО, оператор настраивает антенну на максимальное подавление нуля кардиоиды излучения. По утверждению Connelly, подстройка оптопарой подавляет нуль эффективнее, чем подбор фиксированного сопротивления[97]. Во время грозы провода, через которые протекает управляющий ток РО, подвержены опасным перенапряжениям. Их необходимо шунтировать на землю неоновыми лампочками или аналогичными защитными разрядниками[96].
Комментарии
- 1 2 «Темновое сопротивление фотоэлектрического полупроводникового прибора (ФЭПП) — сопротивление ФЭПП в отсутствие падающего на него излучения в диапазоне его спектральной чувствительности». ГОСТ 21934-83 «Приёмники излучения полупроводниковые фотоэлектрические и фотоприёмные устройства. Термины и определения», определение 55.
- ↑ Последнее утверждение верно для закрытого оптического канала при жёсткой механической связи излучателя и приёмника.
- 1 2 Эффект, заявленный Fender и Gibson как «тремоло», фактически представлял собой амплитудное вибрато c регулируемой глубиной и частотой модуляции. При максимально глубокой модуляции звучание эффекта приближалось к настоящему тремоло.
- ↑ В 1993 году марку Vactrol зарегистрировала на себя Mallinckrodt Incorporated, но заявленный ею класс товаров (медицинские катетеры) не пересекается с оптоэлектронными приборами — см. База данных торговых марок USPTO Архивная копия от 9 декабря 2002 на Wayback Machine, запись 74381130 (заявка от 20 апреля 1993, регистрация с 5 апреля 1994).
- ↑ См. определение и расчётную формулу в: Пихтин, А. Н. Оптическая и квантовая электроника. — М.: Высшая школа, 2001. — С. 540. — 573 с. — ISBN 5060027031.
- ↑ Нелинейности амперлюксной характеристики светодиода, как правило, лежат за пределами области безопасной работы и (или) за пределами динамического диапазона фоторезисторов.
- ↑ «Люксомическая характеристика фоторезистора — зависимость светового сопротивления фоторезистора от потока или плотности потока излучения, падающего на фоторезистор» — ГОСТ 21934-83 «Приёмники излучения полупроводниковые фотоэлектрические и фотоприёмные устройства. Термины и определения», определение 165.
- ↑ Точнее, эффект памяти был сопоставим с погрешностью измерений.
- ↑ Согласно ГОСТ 17772-88 (СТ СЭВ 3789-82) «Приёмники излучения полупроводниковые фотоэлектрические и фотоприёмные устройства. Методы измерения фотоэлектрических параметров и определения характеристик», п.1.21.1.5, для испытания частотных характеристик фоторезисторов достаточно аппаратуры, обеспечивающей измерения в диапазоне от 2 Гц до 20 кГц.
- ↑ По сравнению с типичным сопротивлением в цепи сетки предвыходного каскада (потенциометр 47 кОм, сеточное сопротивление от 300 кОм до 1 МОм).
- ↑ В классических модульных синтезаторах 1970-х и 1980-х годов использовались явления изменения динамического сопротивления и(или) обратной ёмкости p-n переходов в диодах и транзисторах. Наиболее часто применялись лестничные диодно-конденсаторные фильтры, охваченные регулируемой положительной обратной связью (Moog, APR). Korg использовал обычные фильтры Саллена — Кея, в которых вместо сопротивлений использовались биполярные транзисторы в обратном включении.
- ↑ РО с лампами накаливания не подходят для релейных схем из-за несоразмерности относительно больших токов, требуемых для включения лампы, и относительно высоких сопротивлений фоторезисторов.
Примечания
- 1 2 Ющин, 1998, с. 319.
- 1 2 3 4 Ющин, 1998, с. 325-330 (паспортные данные советских РО серий ОЭП-1 … ОЭП-14)..
- ↑ PerkinElmer, 2001, pp. 35-37.
- 1 2 3 PerkinElmer, 2001, p. 34.
- 1 2 PerkinElmer, 2001, pp. 6,29.
- 1 2 3 4 PerkinElmer, 2001, p. 38.
- ↑ Пихтин, 2001, с. 11.
- ↑ Fielding, 1974, pp. 176, 246.
- ↑ Fielding, 1974, p. 177.
- 1 2 Millard, A. J. America on record: a history of recorded sound. — Cambridge University Press, 2005. — P. 150, 157. — 457 p. — ISBN 0521835151.
- ↑ Zvorykin et al, 1934, pp. 245—257.
- ↑ Bennett, S. A history of control engineering, 1930-1955. — London: Peter Peregrinus Ltd. / IET, 1993. — P. 21. — 250 p. — ISBN 0863412998.
- ↑ Zvorykin et al, 1934, pp. 100—151.
- ↑ Fielding, 1974, p. 176. "Медленные" = медленные по сравнению с вакуумными фотоэлементами..
- ↑ Zvorykin et al, 1934, p. 127.
- ↑ Electric Eye Stops Elevator at Floor Level Архивная копия от 8 сентября 2014 на Wayback Machine. Popular Mechanics, November 1933, c. 689.
- ↑ Zvorykin et al, 1934, pp. 306—308.
- ↑ Zvorykin et al, 1934, pp. 294—311, излагают полный обзор применений первой половин 1930-х годов..
- ↑ Bennett, S. A history of control engineering, 1930-1955. — London: Peter Peregrinus Ltd. / IET, 1993. — P. 104-105. — 250 p. — ISBN 0863412998.
- ↑ Zijlstra, W. G. et al. Visible and near infrared absorption spectra of human and animal haemoglobin: determination and application. — Zeist, The Netherlands: VSP, 2000. — P. 245—246. — 368 p. — ISBN 9067643173.
- ↑ Severinghaus, J. W.; Astrup, P. B. History of blood gas analysis. VI. Oximetry (англ.) // Journal of Clinical Monitoring and Computing. — Springer Science+Business Media, 1986. — Vol. 2, no. 4. — P. 270-288. — ISSN 1387-1307. — doi:10.1007/BF02851177. (недоступная ссылка)
- ↑ Stroebel, L. D., Zakia, R. D. The Focal encyclopedia of photography, 3-rd ed. — Woburn, MA: Focal Press / Elsevier, 1993. — P. 290. — 914 p. — ISBN 0240514173.
- 1 2 Goldberg, N. Camera technology: the dark side of the lens. — San Diego, CA: Academic Press, 1992. — P. 55, 57. — 309 p. — ISBN 0122875702.
- 1 2 Cacioppo, J. Handbook of psychophysiology. — Cambridge University Press, 2007. — P. 198. — 898 p. — ISBN 0521844711.
- ↑ Novelly, R. A. et al. Photoplethysmography: System Calibration and Light History Effects (англ.) // Psychophysiology. — Baltimore: Williams & Wilkins, 1973. — Vol. 10, iss. 1. — P. 70-72. — ISSN 0048-5772. — PMID 4684234.
- 1 2 Weber, 1997, p. 391.
- ↑ Weber, 1997, pp. 168—169.
- 1 2 База данных торговых марок USPTO Архивная копия от 9 декабря 2002 на Wayback Machine, запись 72318344 (приоритет использования с 31 июля 1967, регистрация от 23 декабря 1969).
- ↑ Goldberg, 1992, p. 57.
- 1 2 3 4 5 Gottlieb, I. Power Supplies Switching Regulators, Inverters, and Converters. — TAB Books / McGraw-Hill Professional, 1993. — P. 169-170. — 479 p. — ISBN 0830644040.
- ↑ McMillan, G. K.; Considine, D. M. Process/industrial instruments and controls handbook. — McGraw-Hill Professional, 1999. — 1200 p. — ISBN 0070125821.: «Although in some applications it is well to know about this [memory] effect, it normally is not a significant consideration in industrial uses» («В некоторых применениях этот эффект желательно учитывать, но в промышленных применениях он не является существенным ограничением»).
- ↑ Weber, 1997, p. 190: «light dependent resistor, also known as LDR or vactrol»..
- ↑ PerkinElmer, 2001.
- ↑ Silonex. Audiohm Optocouplers (англ.). Silonex (19 февраля 2010). Дата обращения: 23 февраля 2012. Архивировано из оригинала 29 июля 2012 года.
- ↑ European Commission. Directive 2002/95/EC of 27 January 2003 on the restriction of the use of certain hazardous substances in electrical and electronic equipment (англ.) // Official Journal of the European Union. — 2003. — Vol. L37. — P. L37/19-23. Архивировано 22 декабря 2008 года.
- ↑ European Commission. Commission decision of 10 June 2009 amending, for the purposes of adapting to technical progress, the Annex to Directive 2002/95/EC of the European Parliament and of the Council as regards exemptions for applications of lead, cadmium and mercury (C(2009) 4187) (англ.) // Official Journal of the European Union. — 2009. — Vol. L148. — P. L148/27-28. Архивировано 11 марта 2011 года.: «Cadmium in photoresistors for optocouplers applied in professional audio equipment».
- 1 2 3 4 5 6 7 Криксунов, 1978, с. 261.
- 1 2 Криксунов, 1978, с. 262—263, табл. 6.12.
- ↑ Silonex 2007, «It follows that cells with a high Rb exhibit lower THD, all other things being equal» («Следовательно, при прочих равных условиях фоторезисторы с бо́льшим темновым сопротивлением имеют меньшие искажения»).
- ↑ PerkinElmer, 2001, p. 24.
- ↑ PerkinElmer, 2001, pp. 24-25.
- ↑ Schubert, F. E. Light-emitting diodes. — Cambridge University Press, 2006. — P. 103. — 422 p. — ISBN 0521865387.
- ↑ Winder, S. Power supplies for LED driving. — Oxford, UK: Newnes, 2008. — P. 9. — 232 p. — ISBN 0750683414.
- ↑ Пихтин, 2001, с. 540.
- 1 2 3 4 5 6 Silonex 2007.
- ↑ ГОСТ 17772-88 (СТ СЭВ 3789-82) «Приёмники излучения полупроводниковые фотоэлектрические и фотоприёмные устройства. Методы измерения фотоэлектрических параметров и определения характеристик.» Утверждён постановлением Госстандарта СССР от 29 июня 1988 года N. 2513., п.1.20.4.
- ↑ Silonex 2007, «At a constant LED current, the cell resistance shows a marked positive temperature coefficient of approximately 1 % per degree C» («При постоянном токе светодиода сопротивление фоторезистора демонстрирует явный, положительный температурый коэффициент равный примерно 1 % на градус Цельсия»)..
- ↑ Ющин, 1998, с. 320.
- ↑ PerkinElmer, 2001, pp. 30-31.
- 1 2 3 PerkinElmer, 2001, p. 29.
- ↑ Bass, M. Handbook of optics (англ.). — McGraw Hill Professional, 2009. — Vol. 2. — P. 24.51-24.52. — 1264 p. — ISBN 0071636005.
- ↑ PerkinElmer, 2001, p. 30.
- ↑ Rich, P. H.; Wetzel, R. G. A Simple, Sensitive Underwater Photometer (англ.) // Limnology and Oceanography. — American Society of Limnology and Oceanography, 1969. — Vol. 14, no. 4. — P. 611. — ISSN 0024-3590. — . Архивировано 10 февраля 2017 года.
- ↑ ГОСТ 21934-83 «Приёмники излучения полупроводниковые фотоэлектрические и фотоприёмные устройства. Термины и определения». Утверждён постановлением Госстандарта СССР от 25 апреля 1983 года N. 2043.
- ↑ ГОСТ 21934-83, определения 91 и 92.
- 1 2 Ющин, 1998, с. 322.
- ↑ PerkinElmer, 2001, p. 6.
- 1 2 3 PerkinElmer, 2001, p. 39.
- 1 2 3 4 5 PerkinElmer, 2001, p. 35.
- ↑ Криксунов, 1978, с. 262.
- 1 2 3 4 5 PerkinElmer, 2001, p. 36.
- 1 2 3 4 5 6 7 PerkinElmer, 2001, p. 37.
- ↑ Silonex 2007, «LED will show an aging effect when operated at or near the maximum current rating. To minimize this effect in an application where the LED will be on most of the time, the optocoupler should be run at less than half of the maximum rating».
- ↑ Hodapp, M. W. Application for High-Brightness Light-Emitting Diodes // High brightness light emitting diodes / Stringfellow, Gerald (ed.). — San Diego, CA: Academic Press, 1997. — Т. 48, вып. Semiconductors and Semimetals. — С. 281,344. — ISBN 0127521569. — ISSN 0080-8784.
- ↑ Hodapp, M. W. Application for High-Brightness Light-Emitting Diodes // High brightness light emitting diodes / Stringfellow, Gerald (ed.). — San Diego, CA: Academic Press, 1997. — Т. 48, вып. Semiconductors and Semimetals. — С. 281. — ISBN 0127521569. — ISSN 0080-8784.
- ↑ PerkinElmer, 2001, pp. 8,37,39.
- ↑ PerkinElmer, 2001, p. 8.
- ↑ Ющин, 1998, c. 326—330. Из 17 приборов, перечисленных в справочник, 16 допускают работу при температурах до −60 °C..
- ↑ Ющин, 1998, с. 326.
- ↑ Ющин, 1998, с. 322—323, рис. 5.2.
- ↑ Silonex 2002, p. 2.
- 1 2 3 4 Silonex 2002, p. 3.
- 1 2 3 4 Silonex 2002, p. 4.
- 1 2 Silonex 2002, pp. 5-6.
- ↑ Silonex 2002, p. 6.
- ↑ Silonex 2002, p. 7.
- ↑ PerkinElmer, 2001, p. 65.
- ↑ Silonex 2002, p. 8.
- 1 2 Ющин, 1998, с. 323—334, рис. 5.4.
- ↑ Pro VLA II™ professional two channel Vactrol®/tube levelling amplifier. User manual (англ.). Applied Research & Technology (2007). Дата обращения: 13 апреля 2011. Архивировано из оригинала 29 марта 2014 года.
- ↑ Brosnac, D. The Amp Book: A Guitarist's Introductory Guide to Tube Amplifiers. — Westport, CT: Bold Strummer Ltd, 1987. — P. 46. — 64 p. — ISBN 0933224052.
- 1 2 3 Darr, J. Electric guitar amplifier handbook. — H. W. Sams, 1968. — P. 29-30. — 160 p.
- ↑ Weber, 1997, p. 168.
- ↑ Weber, 1997, p. 168: «If you turned the volume on-off, on-off, as with a switch, it would not sound very good» («Если регулировать уровень „включено-выключено, включено-выключено“, это не будет хорошо звучать»).
- ↑ Weber, 1997, pp. 168—169: «The famous Univibe pedal uses the slow response time of incandescent bulbs to good effect» («Медленный отклик ламп накаливания был удачно использован в знаменитых педалях Univibe»).
- ↑ Brosnac, D. The Amp Book: A Guitarist's Introductory Guide to Tube Amplifiers. — Westport, CT: Bold Strummer Ltd, 1987. — P. 6. — 64 p. — ISBN 0933224052.
- ↑ Gibson G40 (1971 model) schematic. Gibson (1971). Дата обращения: 13 апреля 2011. Архивировано из оригинала 29 июля 2012 года.
- ↑ Gibson G100A schematic. Gibson (1973). Дата обращения: 13 апреля 2011. Архивировано из оригинала 29 июля 2012 года.
- ↑ Gibson G20A, G30A schematic. Gibson (1973). Дата обращения: 13 апреля 2011. Архивировано из оригинала 29 июля 2012 года.
- ↑ Vactrol Basics (англ.). Doepfer. Дата обращения: 13 апреля 2011. Архивировано 29 июля 2012 года.: «With a logarithmic current source (i.e. the LED current is proportional to the control voltage) one obtains a reasonable control scale for the filter frequency» («Используя логарифмический источник тока (ток светодиода пропорционален [стандартному] CV), можно получить приемлемую шкалу управления частотой фильтра».
- ↑ The Model 12 Mark II State Variable Vactrol Filter (англ.). Electro-Acoustic Research. Дата обращения: 13 апреля 2011. Архивировано из оригинала 29 июля 2012 года.
- ↑ Universal Vactrol Module A-101-9 (англ.). Doepfer. Дата обращения: 13 апреля 2011. Архивировано 29 июля 2012 года., см. также подробное описание (англ.) Архивная копия от 29 июня 2011 на Wayback Machine
- ↑ Satyam, M.; Ramkumar, K. Foundations of electronic devices. — New Delhi: New Age International, 1990. — P. 555. — ISBN 9788122402940.
- ↑ Пихтин, 2001, с. 542—542.
- ↑ Connelly, M. Remote Termination of Beverage and Ewe Antennas (англ.). QSL.net (14 июля 2005). Дата обращения: 13 апреля 2011. Архивировано 29 июля 2012 года.
- 1 2 Byan, S. Remote-Controlled Termination Beverage Antenna (англ.). Oak Ridge Radio (1996). Дата обращения: 13 апреля 2011. Архивировано из оригинала 1 октября 2002 года.. См. схемы на рис. 8, 9.
- ↑ Connelly, M. Phasing Improves Kaz Antenna Nulls (англ.). QSL.net (12 июля 2001). Дата обращения: 13 апреля 2011. Архивировано 29 июля 2012 года.. «In many cases Vactrol control of termination can improve null depth over what can be had with a fixed termination value (typically chosen to be about 1000 +/- 200 ohms).» («Во многих случаях управление вактролом улучшает глубину подавления нуля излучения по сравнению с фиксированным резистором…»)
Литература
на русском языке
- Криксунов, Л. З. Справочник по основам инфракрасной техники. — М.: Советское радио, 1978. — С. 230-336, 247-274. — 400 с.
- Пихтин, А. Н. Оптическая и квантовая электроника. — М.: Высшая школа, 2001. — С. 262-271, 401-424, 534-545. — 573 с. — ISBN 5060027031.
- Ющин, А. В. Оптоэлектронные приборы и их зарубежные аналоги, том 1. — М.: Радиософт, 1998. — С. 319-337. — 512 с. — ISBN 5855540000.
на английском языке
- Fielding, R. Technological history of motion pictures and television. — Berkeley and Los Angeles, CA: University of California Press, 1974. — ISBN 0520004116.
- PerkinElmer. Photoconductive Cells and Analog Optoisolators (Vactrols). — St. Louis, MO: PerkinElmer Optoelectronics, 2001. — 69 p.
- Silonex. Audio level control with resistive optocouplers (англ.). Silonex (2002). Дата обращения: 13 апреля 2011. Архивировано из оригинала 13 мая 2012 года.
- Silonex. Audiohm Optocouplers: Audio Characteritics (англ.). Silonex (2007). Дата обращения: 13 апреля 2011. Архивировано из оригинала 13 мая 2012 года.
- Weber, G. Tube Amp Talk for the Guitarist and Tech. — Milwaukee, MN: Hal Leonard Corporation, 1997. — 545 p. — ISBN 0964106019.
- Zvorykin, V.G.; Wilson, E.D. Photocells and their application. — 2nd edition: New York: J. Wiley and sons; London: Chapman and Hall, 1934. — 348 p.