Растровый электронный микроскоп



Растровый электронный микроскоп (РЭМ) или сканирующий электронный микроскоп (СЭМ) (англ. scanning electron microscope, SEM) — прибор класса электронный микроскоп, предназначенный для получения изображения поверхности объекта с высоким (до 0,4 нанометра) пространственным разрешением, также информации о составе, строении и некоторых других свойствах приповерхностных слоёв. Основан на принципе взаимодействия электронного пучка с исследуемым объектом.
Современный РЭМ позволяет работать в широком диапазоне увеличений приблизительно от 3—10 раз (то есть эквивалентно увеличению сильной ручной линзы) до 1 000 000 раз, что приблизительно в 500 раз превышает предел увеличения лучших оптических микроскопов.
Сегодня возможности растровой электронной микроскопии используются практически во всех областях науки и промышленности, от биологии до наук о материалах. Существует огромное число выпускаемых рядом фирм разнообразных конструкций и типов РЭМ, оснащённых детекторами различных типов.
История
История электронной микроскопии (в частности, и РЭМ), началась с теоретических работ немецкого физика Ганса Буша о влиянии электромагнитного поля на траекторию заряженных частиц. В 1926 году он доказал, что такие поля могут быть использованы в качестве электромагнитных линз[1], установив таким образом основополагающие принципы геометрической электронной оптики. В ответ на это открытие возникла идея электронного микроскопа и две команды — Макс Кнолл и Эрнст Руска из Берлинского технического университета и Эрнст Бруш из лаборатории EAG попробовали реализовать эту идею на практике. И в 1931 году Кнолл и Руска создали первый просвечивающий электронный микроскоп[2].
После перехода в немецкую радиокомпанию Telefunken, для проведения исследований телевизоров на катодных трубках, Макс Кнолл разработал анализатор электронной трубки или «анализатор электронного пучка», который моделировал все необходимые характеристики сканирующего электронного микроскопа: образец располагался с одной стороны отпаянной[уточнить] стеклянной трубки, а электронная пушка с другой. Электроны, ускоренные напряжением от 500 до 4000 вольт, фокусировались на поверхности образца, а система катушек обеспечивала их отклонение. Пучок сканировал поверхность образца со скоростью 50 изображений в секунду, а измерение тока, прошедшего через образец, позволяло восстановить изображение его поверхности. Первый прибор, использующий этот принцип, был создан в 1935 году[3].
В 1938 году немецкий специалист Манфред фон Арденне построил первый сканирующий электронный микроскоп[4]. Но этот аппарат ещё не был похож на современный РЭМ, так как на нём можно было смотреть только очень тонкие образцы на просвет. То есть это был скорее сканирующий просвечивающий электронный микроскоп (СПЭМ или STEM) — Фон Арденне, по сути, добавил сканирующую систему к просвечивающему электронному микроскопу. Кроме регистрации изображения на кинескопе, в приборе была реализована система фоторегистрации на плёнку, расположенную на вращающемся барабане. Электронный пучок диаметром 0,01 мкм сканировал поверхность образца, а прошедшие электроны засвечивали фотоплёнку, которая перемещалась синхронно с электронным пучком.
Первая микрофотография, полученная на СПЭМ, зафиксировала увеличенный в 8000 раз кристалл оксида цинка (ZnO) с разрешением от 50 до 100 нанометров. Изображение составлялось из растра 400х400 точек и для его накопления было необходимо 20 минут. Микроскоп имел две электростатические линзы, окружённые отклоняющими катушками.
В 1942 году, русский эмигрант, физик и инженер Владимир Зворыкин, работавший в то время в лаборатории Radio Corporation of America в Принстоне в США, опубликовал детали первого сканирующего электронного микроскопа, позволяющего проанализировать не только тонкий образец на просвет, но и поверхность массивного образца. Электронная пушка с вольфрамовым катодом эмиттировала электроны, которые затем ускорялись напряжением 10 киловольт. Электронная оптика аппарата была составлена из трёх электростатических катушек, а отклоняющие катушки размещались между первой и второй линзой. Чтобы обеспечить удобство размещения образца и манипулирования им в конструкции РЭМ, электронная пушка располагалась внизу микроскопа (у этой конструкции была неприятная особенность — риск падения образца в колонну микроскопа).
Этот первый РЭМ достигал разрешения порядка 50 нанометров. Но в это время бурно развивалась просвечивающая электронная микроскопия, на фоне которой РЭМ казался менее интересным прибором, что сказалось на скорости развития этого вида микроскопии[5].
В конце 1940 годов Чарльз Отли, будучи председателем конференции отдела проектирования Кембриджского университета в Великобритании, заинтересовался электронной оптикой и решил объявить программу разработки сканирующего электронного микроскопа в дополнение к ведущимся в отделе физики работам над просвечивающим электронным микроскопом под руководством Вернона Эллиса Косслетта. Один из студентов Чарльза Отли, Кен Сандер, начал работать над колонной для РЭМ, используя электростатические линзы, но вынужден был через год прервать работы из-за болезни. Работу в 1948 году возобновил Дэннис МакМиллан. Он с Чарльзом Отли построили их первый РЭМ (SEM1 или Scanning Electron Microscope 1) и в 1952 году этот инструмент достиг разрешения 50 нанометров и, что наиболее важно, обеспечил трёхмерный эффект воспроизведения рельефа образца — характерную особенность всех современных РЭМ[6].
В 1960 году Томас Эверхарт и Ричард Торнли, изобретя новый детектор («детектор Эверхарта — Торнли»), ускорили развитие растрового электронного микроскопа. Этот детектор, крайне эффективный для сбора как вторичных, так и отражённых электронов, становится очень популярным и встречается сейчас на многих РЭМ.
Работы, которые велись в Кембриджском университете группой Чарльза Отли в 60-е годы, весьма способствовали развитию РЭМ, и в 1965 году фирмой «Cambridge Instrument Co.» был выпущен первый коммерческий сканирующий электронный микроскоп — Stereoscan[7].
Принцип работы
Разрешающая способность (способность различать тонкие детали) оптического микроскопа ограничена длиной волны фотонов видимого света. Наиболее мощные оптические микроскопы могут обеспечить наблюдение деталей с размером 0.1—0.2 мкм[8]. Если мы захотим увидеть более тонкие детали, необходимо сократить длину волны, которая освещает объект исследования. Для этого можно использовать не фотоны, а, например, электроны, длина волны которых намного меньше. Электронные микроскопы — результат воплощения этой идеи.

Нижеследующий рисунок иллюстрирует принципиальную схему РЭМ: электронный пучок направляется на анализируемый образец. В результате взаимодействия генерируются низкоэнергетичные вторичные электроны, которые собираются детектором вторичных электронов. Интенсивность электрического сигнала детектора зависит как от природы образца (в меньшей степени), так и от топографии (в большей степени) образца в области взаимодействия. Таким образом возможно получить карту рельефа проанализированной зоны.
Тонкий электронный зонд генерируется электронной пушкой, которая играет роль источника электронов, и фокусируется электронными линзами (обычно электромагнитными, иногда электростатическими). Сканирующие катушки отклоняют зонд в двух взаимоперпендикулярных направлениях, сканируя поверхность образца зондом, подобно сканированию электронным пучком экрана электронно-лучевой трубки телевизора. Источник электронов, электронные линзы (обычно тороидальные магнитные) и отклоняющие катушки образуют систему, называемую электронной колонной.
В современных РЭМ изображение регистрируется в цифровой форме, но первые РЭМы появились в начале 1960 годов задолго до распространения цифровой техники и поэтому изображение формировалось способом синхронизации развёрток электронного пучка в кинескопе с электронным пучком в РЭМ и регулировки интенсивности трубки вторичным сигналом. Изображение образца тогда появлялось на фосфоресцирующем экране кинескопа и могло быть зарегистрировано на фотоплёнке.
Взаимодействие электронов с веществом

Электроны зонда (пучка) взаимодействуют с материалом образца и генерируют различные типы сигналов: вторичные электроны, обратноотраженные электроны, Оже-электроны, рентгеновское излучение, световое излучение (катодолюминесценция) и т. д. Эти сигналы являются носителями информации о топографии и материале образца[9].
Вторичные электроны
В результате взаимодействия с атомами образца электроны первичного пучка могут передать часть своей энергии электронам образца. В результате такого взаимодействия может произойти отрыв электронов. Такие электроны называются вторичными. Эти электроны обычно обладают небольшой энергией (порядка 50 эВ). Часто электрон первичного пучка обладает энергией, достаточной для появления нескольких вторичных электронов.
Так как энергия вторичных электронов невелика, их выход возможен только с приповерхностных слоев материала (менее 10 нм). Благодаря небольшой кинетической энергии эти электроны легко отклоняются небольшой разностью потенциалов. Это делает возможным существенно повысить эффективность детекторов (собрать максимально возможное количество электронов) и получить высококачественные изображения с хорошим отношением сигнал/шум и разрешением лучше 1 нм. Количество вторичных электронов зависит от угла столкновения электронного пучка с поверхностью образца, то есть от топографии. Поэтому сигнал вторичных электронов применяется для воспроизведения топографии образца.[9].
Устройство


Основа сканирующего электронного микроскопа — электронная пушка и электронная колонна, функция которой состоит в формировании остросфокусированного электронного зонда средних энергий (200 эВ — 50 кэВ) на поверхности образца. Прибор обязательно должен быть оснащен вакуумной системой. Также в каждом РЭМ есть предметный столик, позволяющий перемещать образец минимум в трёх направлениях. При взаимодействии электронов с объектом возникают несколько видов сигналов, каждый из которых улавливается специальным детектором (см. ниже). Соответственно, изображения, продуцируемые микроскопом, могут быть построены с использованием различных сигналов, часто нескольких сигналов одновременно (например, изображение во вторичных электронах, изображение в отражённых электронах, рентгеновское изображение (карта)).
РЭМ оснащаются детекторами, позволяющими отобрать и проанализировать излучение, возникшее в процессе взаимодействия, и частицы, изменившие энергию в результате взаимодействия электронного зонда с образцом.[9] Разработанные методики позволяют исследовать не только свойства поверхности образца, но и визуализировать информацию о свойствах подповерхностных структур.
Основные типы сигналов, которые генерируются и детектируются в процессе работы РЭМ:
- вторичные электроны (ВЭ, режим рельефа)
- отражённые электроны (ОЭ, режим контраста по среднему атомному номеру, а также режим рельефа)
- прошедшие через образец электроны, в случае установленной STEM-приставки (чаще используется для исследования органических объектов)
- дифракции отражённых электронов (ДОЭ)
- потери тока на образце (ПЭ или детектор поглощённых электронов)
- ток, прошедший через образец (ТЭ или детектор прошедших электронов)
- характеристическое рентгеновское излучение (Рентгеноспектральный анализ)
- световой сигнал (КЛ или катодолюминесценция).
Все возможные типы детекторов, установленные на одном приборе, встречаются крайне редко.
Детекторы вторичных электронов — первый и традиционно устанавливаемый на большинство РЭМ тип детекторов (в некоторых упрощённых настольных моделях используется только детектор отражённых электронов). В этом режиме разрешающая способность РЭМ максимальна. Из-за очень узкого электронного луча РЭМ обладают очень большой глубиной резкости, примерно на два порядка выше, чем у оптического микроскопа и позволяет получать четкие микрофотографии с характерным трехмерным эффектом для объектов со сложным рельефом. Это свойство РЭМ крайне полезно для понимания поверхностной структуры образца. Микрофотография пыльцы демонстрирует возможности режима ВЭ РЭМ.
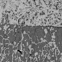
Отражённые электроны (ОЭ) — это электроны пучка, отражённые от образца упругим рассеиванием. В зависимости от конфигурации детектора они могут отображать либо композицию (состав) образца, либо его топографию (рельеф поверхности). В композиционном режиме ОЭ часто используются в аналитическом РЭМ совместно с анализом характеристических спектров рентгеновского излучения. Поскольку интенсивность сигнала ОЭ напрямую связана со средним атомным номером (Z) облучаемой в данным момент электронным пучком области образца, изображения ОЭ несут в себе информацию о распределении различных элементов в образце. Например, режим ОЭ позволяет обнаружить коллоидные золотые иммунные метки диаметра 5-10 нм, которые очень тяжело или даже невозможно обнаружить в биологических объектах в режиме ВЭ. Микрофотография поверхности аншлифа металл-оксидной системы демонстрирует возможности режима ОЭ РЭМ. В топографическом режиме ОЭ могут использоваться в условиях, когда традиционные детекторы вторичных электронов не работают, как например в РЭМ с переменным вакуумом.
Характеристическое рентгеновское излучение генерируется, когда электрон пучка выбивает электрон с внутренней оболочки одного из атомов образца, заставляя электрон с более высокого энергетического уровня перейти на нижний уровень энергии с одновременным испусканием кванта рентгеновского излучения. Обработка спектра характеристического рентгеновского излучения позволяет осуществлять качественный и количественный элементный анализ состава образца.
Режимы работы
Обычно для получения информации о структуре поверхности используются вторичные и/или отражённые (обратно-рассеянные) электроны. Контраст во вторичных электронах сильнее всего зависит от рельефа поверхности, тогда как отражённые электроны несут информацию о распределении электронной плотности (области, обогащённые элементом с бо́льшим атомным номером выглядят ярче). Поэтому обратно-рассеянные электроны, которые генерируются одновременно со вторичными, кроме информации о морфологии поверхности содержат дополнительную информацию и о составе образца. Облучение образца пучком электронов приводит не только к образованию вторичных и отражённых электронов, но также вызывает испускание характеристического рентгеновского излучения. Анализ этого излучения позволяет определить элементный состав микрообъёма образца (разрешение для массивных образцов обычно не лучше 1 мкм).
Детектирование вторичных электронов
В качестве детектора вторичных электронов используется детектор Эверхарта — Торнли, позволяющий эффективно собирать электроны с энергией порядка 50 эВ.
Детектирование отражённых электронов
Многие РЭМ оснащены высокочувствительным полупроводниковым детектором обратно-рассеянных электронов. Детектор смонтирован на нижней поверхности объективной линзы либо вводится на специальном стержне под полюсной наконечник. Это позволяет путём выбора режима из меню получить изображения топографии поверхности, изображение в композиционном контрасте или в темном поле.
Элементный микроанализ
Для анализа элементного состава применяется рентгеноспектральный микроанализ, в котором детектируется характеристическое рентгеновское излучение вещества, возникающее при облучении поверхности образца электронами. Существует энергодисперсионные (EDX или EDS) и волнодисперсионные (WDX) анализаторы.
До настоящего времени используются энергодисперсионные спектрометры с азотным охлаждением, однако в последние годы производители переходят на безазотные детекторы.
Работа при низких ускоряющих напряжениях

Современные микроскопы способны работать при низких ускоряющих напряжениях, до 200 вольт. Приложение замедляющего потенциала позволяет уменьшать ускоряющее напряжение до 10 вольт. Низкие напряжения имеют ряд преимуществ. При низком напряжении можно достичь состояние равновесия, когда количество электронов пучка поглощённых образцом равно количеству электронов, эмитированных образцом. В этих условиях нанесение проводящих покрытий на образец не требуется. При низких напряжениях повреждение образца электронами пучка минимально, что важно для деликатных образцов. И, наконец, при низких напряжениях зона взаимодействия электронов пучка с образцом резко уменьшается, что ведёт к существенному увеличению пространственного разрешения при работе с отражёнными электронами и с рентгеновским излучением.
Переменный вакуум
Часть современных микроскопов оборудована вакуумной системой, способной поддерживать высокий (и сверхвысокий) 10−3 Па вакуум в электронной колонне, и относительно плохой вакуум до 5 — 2000 Па в камере образцов. В результате образец находится в хотя и разреженной, но достаточно плотной для нейтрализации поверхностного заряда, атмосфере (обычно состоящей из паров воды или азота). Молекулы газов ионизируются под воздействием первичных электронов, испускаемых катодом. Образовавшиеся положительные ионы взаимодействуют с электронами, которые накапливаются на образце и нейтрализуют поверхностный заряд.
В результате диэлектрические образцы можно наблюдать без проводящего покрытия. Если микроскоп оборудован также и охлаждающим держателем образцов, то появляется возможность работы с влажными образцами и даже с водой. Например, можно наблюдать непосредственно в микроскопе за растворением и рекристаллизацией поваренной соли (или других кристаллов).
Разрешение
Пространственное разрешение сканирующего электронного микроскопа зависит как от диаметра электронного пучка, так и от размера области взаимодействия электронного зонда с образцом. Размер электронного зонда и размер области взаимодействия зонда с образцом намного больше расстояния между атомами мишени. Хотя разрешение растровых электронных микроскопов уступает разрешению просвечивающих микроскопов, они имеют ряд преимуществ, таких как возможность изучения топографии образца, визуализация сравнительно большой области образца, исследование массивных объектов (а не только тонких плёнок), набор аналитических методов, позволяющих измерять состав и свойства изучаемого объекта.
В зависимости от конкретного прибора и параметров эксперимента, может быть получено разрешение от десятков до доли нанометра. На 2009 год наилучшее разрешение было достигнуто на микроскопе Hitachi S-5500 и составило 0,4 нм (при напряжении 30 кВ)[10].
Как правило, наилучшее разрешение может быть получено при использовании вторичных электронов, наихудшее — в характеристическом рентгеновском излучении. Последнее связано с большим размером области возбуждения излучения, в несколько раз превышающим размер электронного зонда. При использовании режима низкого вакуума разрешение несколько ухудшается.
Подготовка объектов
Проводящие (металлические) образцы обычно не требуют специальной подготовки, и могут быть непосредственно помещены в камеру микроскопа. Если требуется, образцы могут подвергаться очистке. Для обозрения внутренней структуры и (или) использования микрорентгеноспектрального анализа могут быть приготовлены шлифы.
Порошки и наночастицы наносятся на зеркального качества поверхности (стекло, пластик, слюда и др.) в виде взвеси в воде или органическом растворителе. После высыхания жидкости образец может быть использован в микроскопе. Порошки с более крупными частицами могут наноситься на проводящий углеродный скотч.
Непроводящие образцы обычно подвергаются напылению тонкого проводящего слоя для снятия заряда и экранирования падающего пучка от накопленного в объёме материала заряда. Для проводящих покрытий чаще всего используют углерод, золото или сплав золота с палладием. Первый полезен для рентгеновского микроанализа. Напыление золота или сплава на его основе позволяет получать микрофотографии с бо́льшим увеличением и контрастом (чаще всего без собственной визуализации). Если невозможно напыление плёнки на образец, то в РЭМ с переменным вакуумом возможно снятие заряда с образца ионами вводимых в камеру газов (обычно водяные пары или азот). Накопления заряда на образце так же можно избежать при работе при низких ускоряющих напряжениях (обычно порядка 1 кВ).
Биологические образцы должны быть химически зафиксированы, дегидратированы в сериях растворов спирта или ацетона с увеличивающейся от 30-50 % до 100 % концентрацией, затем спирт (или ацетон) должен быть удален из образца в специальном аппарате, в котором спирт замещается на жидкую двуокись углерода, которая переводится в газообразное состояние посредством перехода через критическую тройную точку.
Применение
Растровые микроскопы применяются как исследовательский инструмент в физике, электронике, биологии, фармацевтике, медицине, материаловедении, и т. д. Их главная функция — получение увеличенного изображения исследуемого образца и/или изображений образца в различных регистрируемых сигналах. Сопоставление изображений, полученных в разных сигналах, позволяют делать вывод о морфологии и составе поверхности.
Характеристики современного растрового микроскопа
Характеристики растрового электронного микроскопа Magellan XHR SEM
- Разрешение при оптимальной рабочей дистанции
- 0,8 нм при 15 кВ
- 0,8 нм при 2 кВ
- 0,9 нм при 1 кВ
- 1,5 нм при 200 В
- Разрешение в точке схождения
- 0,8 нм при 15 кВ
- 0,9 нм при 5 кВ
- 1,2 нм при 1 кВ
Основные мировые производители сканирующих электронных микроскопов
- Carl Zeiss Microscopy (часть Carl Zeiss Group[11]) — Германия
- FEI Company — США (часть Thermo Fisher Scientific[12])
- Hitachi — Япония
- JEOL — Япония (Japan Electron Optics Laboratory)
- Tescan — Чехия
- KYKY — Китай
- Сoxem — Корея
См. также
Примечания
- ↑ H. Busch. Berechnung der Bahn von Kathodenstrahlen im axialsymmetrischen elektromagnetischen Felde // dans Annalen der Physik, vol. 386, no 25, 1926, p. 974—993. Дата обращения: 21 февраля 2010. Архивировано 1 декабря 2014 года.
- ↑ M. Knoll, E. Ruska. Das Elektronenmikroskop // dans Zeitschrift für Physik A Hadrons and Nuclei, vol. 78, 1932, p. 318—339 (недоступная ссылка)
- ↑ M. Knoll. Aufladepotentiel und Sekundäremission elektronenbestrahlter Körper // Zeitschrift fur technische Physik. 16, 467—475 (1935)
- ↑ M. von Ardenne. Das Elektronen-Rastermikroskop // Zeitschrift für Physik A Hadrons and Nuclei, 108 (9-10) :553-572, 1938
- ↑ E. Ruska. The Early Development of Electron Lenses and Electron Microscopy. Hirzel, Stuttgart, 1980, ISBN 3-7776-0364-3
- ↑ K.C.A. Smith, Charles Oatley: Pioneer of scanning electron microscopy, EMAG '97 Proceedings, IOP Publishing Lt, 1997. Дата обращения: 21 февраля 2010. Архивировано из оригинала 8 сентября 2009 года.
- ↑ Дэннис МакМиллан. Сканирующая электронная микроскопия в период с 1928 по 1965 годы. Дата обращения: 21 февраля 2010. Архивировано 22 января 2018 года.
- ↑ Principes de fonctionnement du microscope photonique Архивная копия от 9 октября 2010 на Wayback Machine, Centre national de la recherche scientifique
- 1 2 3 Гоулдстейн Дж., Ньюбери Д., Эчлин П., Джой Д., Фиори Ч., Лифшин Ф. Растровая электронная микроскопия и рентгеновский микроанализ: в двух книгах. Пер. с англ. — М.: Мир, 1984. 303 с.
- ↑ Hitachi преодолевает предел разрешения РЭМ, www.labtechnologist.com, 10.03.2005
- ↑ Carl Zeiss Microscopy — Company Presentation. Дата обращения: 22 июля 2017. Архивировано 1 сентября 2019 года.
- ↑ Thermo Fisher Scientific Completes Acquisition of FEI Company. Дата обращения: 22 июля 2017. Архивировано 19 июля 2017 года.