Альтернативный Стингер
| Stinger Alternate | |
|---|---|
![]() Стрелок с опытным прототипом ПЗРК в боевом положении на базе «Форт-Блисс», Техас (1975) | |
| Тип | переносной зенитный ракетный комплекс |
| Страна |
|
| История службы | |
| Годы эксплуатации | на вооружение не принимался |
| История производства | |
| Разработан | 1973—1975 |
| Производитель |
|
| Годы производства | 1975—1976 |
| Всего выпущено | 18 ЗУР исходной модели |
| Варианты | «Сейбр» (ПЗРК и боевой модуль для размещения на самоходной платформе) |
| Характеристики | |
| Масса, кг | ок. 15 (исходный), 12,4 (усовершенствованный) |
| Длина, мм | 1300 (пусковой трубы) |
| 1194 (ракеты в полёте) | |
| Экипаж (расчёт), чел. | 1 |
Stinger Alternate ([ˈstɪŋə ɔːltərneɪt] чит. «Сти́нгер-Олтернэйт», в пер. «альтернативный стингер») — опытный американский переносной зенитный ракетный комплекс (ПЗРК) с наведением по лазерному лучу (англ. in the loop, laser-beam guidance), одно из первых американских средств противовоздушной обороны такого рода[1]. Комплекс разрабатывался на замену ПЗРК «Редай» как дополнение[2] и одновременно альтернатива ПЗРК «Стингер» (отсюда и название)[3] на случай, если бы последний показал неудовлетворительные результаты в ходе испытаний[4]. Разработка комплекса велась корпорацией «Филко-Форд» в первой половине 1970-х гг.[5] с перспективой постановки на вооружение к концу 1970-х годов,[6] сначала по заказу Агентства по перспективным оборонным научно-исследовательским разработкам США (АРПА), затем по заказу Управления ракетных войск Армии США. Основным отличием альтернативного комплекса от исходного «Стингера» и его советских аналогов является система наведения, которая реализует в себе технологию, известную как «оседланный луч»,[7] где вместо инфракрасной головки самонаведения применяется полуактивный лазерный излучатель,[8] что исключает возможность отклонения ракеты в полёте на ложные цели — тепловые ловушки и очень существенно повышает помехоустойчивость комплекса, делая его неуязвимым для большинства бортовых средств противодействия ракетному обстрелу и активным помехам. Указанная особенность роднит его со шведским «Рэйрайдером»[9] и британским «Джавелином», которые реализуют аналогичный принцип с некоторыми конструктивными особенностями. При условии оснащения ракеты двурежимным взрывателем или контактным взрывателем ударного действия, комплекс мог ограниченно применяться против легкобронированных и небронированных наземных целей[10].
История
С самого начала работы над переносным зенитным ракетным комплексом «Редай-2», армейскому командованию стало очевидно, что целый ряд недостатков, обнаруженных в ходе эксплуатации его предшественника, комплекса «Редай» первой модели, не будет устранён по причине исчерпания доступных конструктивных возможностей проектирования ракет с инфракрасными головками самонаведения при имеющейся технологической базе. Среди прочих, зависимость от погодно-климатических факторов, уязвимость для естественных и искусственных помех, тепловых ловушек и другие соображения заставляли искать приемлемую альтернативу. В начале 1970-х гг. АРПА, активно осваивавшее ракетную тематику, инициировало программу создания универсальных противотанковых и противовоздушных ракетных комплексов ATADS (Anti-Tank, Air Defense System) для борьбы с лёгкой бронетехникой и низколетящими средствами воздушного нападения противника. Учитывая широту охвата проводимых исследований и опытно-конструкторских работ, указанная программа породила множество ответвлений на перспективу (например, «Эйдатс» и «Танк брейкер»). Одним из направлений работ данной программы был проект под названием LBR (Laser Beam Rider), реализовавший командное наведение при помощи лазерного луча. Наработки этого проекта и легли вскоре в основу описываемого образца вооружения, которым заинтересовались армейские чины, но тем не менее отдали предпочтение образцу с инфракрасной головкой самонаведения (впоследствии получившему название «Стингер»).[11] Стартовавшая в 1972 году программа Управления ракетных войск Армии США по усовершенствованию имеющихся и разработке альтернативных средств ближней противовоздушной обороны получила название MANPADS (Man Portable Air Defense System),[12][13] впоследствии этот акроним стал синонимом вообще любых переносных зенитных ракетных комплексов. 28—30 ноября 1973 года Управление ракетных войск заключило контракт с корпорацией «Филко-Форд» (филиалом «Форд») сроком в 23 месяца на сумму $5 млн 200 тыс.[14] на разработку, создание и испытания альтернативного ракетного комплекса, использовавшего для наведения ракеты лазерную подсветку оператором с земли, и предъявление 18 опытных ракет к нему на стрельбовые испытания[15]. В соответствии с положениями контракта, первые огневые испытания были запланированы на июнь 1975 года[16]. В структуре Управления ракетных войск проект курировался двумя подразделениями, за научно-технические аспекты отвечала Научно-исследовательская лаборатория ракетного вооружения (RD&E Missile Systems Laboratory) во главе с профессором Джоном Макдэниелом, в то время как аспекты эксплуатации и боевого применения курировала специально сформированная для этих целей команда концептуализации перспективных комплексов противовоздушной обороны (Air Defense Advanced Systems Concept Team) во главе с подполковником Р. С. Кэнноном[17].
«Филко-Форд» была не единственным подрядчиком в проекте по разработке альтернативы «Стингеру», кроме неё свои проекты представили корпорации «Мартин-Мариэтта», «Макдоннел-Дуглас» и «Нортроп»,[18] а также ведущие иностранные производители зенитного ракетного оружия. Производственный план «Филко-Форд» на 1975 год предусматривал изготовление десяти опытных ракет: четырёх для заводских испытаний и шести для армейских с началом поставки летом 1975 года[19]. В структуре корпорации работа над перспективным комплексом велась подразделением «Аэроньютроник» в Ньюпорт-Бич калифорнийского филиала «Форд аэроспейс». Контроль за ходом работ со стороны заказчика осуществлялся прикомандированными офицерами из Редстоунского арсенала (по месту дислокации управления ракетных войск и названных выше курирующих организаций в его структуре).[1] Тем временем, конкуренты из «Дженерал дайнемикс» сосредоточились на доработке «Стингера» (попутно с альтернативным комплексом, велась работа над альтернативной головкой самонаведения),[20] сократив на 15 % общее количество электронных элементов и дополнив конструкцию съёмным пусковым механизмом, в ходе испытаний 1975 года «Стингер» показал удовлетворительные результаты, в феврале 1976 года Министерство обороны США заявило о том, что все ранее имевшие место недоработки были устранены. Первая презентация альтернативного комплекса военным с демонстрацией особенностей его эксплуатации и боевого применения прошла в Школе противовоздушной обороны на базе «Форт-Блисс», штат Техас, летом 1975 года[21]. Армейским командованием рассматривались разнообразные варианты замены ПЗРК «Редай» на комплексы с автоматическим, полуавтоматическим и ручным режимами управления полётом ракеты. В «Форде» были согласны на одновременное принятие на вооружение обоих комплексов, одного как стандартного средства прикрытия войск, другого как диверсионного оружия для сил специальных операций и проамериканских партизанско-повстанческих формирований за рубежом. Однако, представители генералитета с самого начала были склонны к постановке на вооружение только одного образца с перспективой поиска альтернативного поставщика, но не альтернативного образца вооружения[4]. В качестве основного недостатка комплексу вменялась невозможность быстрой смены огневой позиции после пуска и необходимость спокойного сопровождения цели оператором, что требовало от него высоких профессиональных и волевых качеств, в то время как применение самонаводящегося «Стингера» не требовало от стрелка особого профессионализма и выдержки[22].
Испытания
Стрельбовые испытания проводились в 1975—1976 гг. на полигоне «Уайт-Сэндз» в штате Нью-Мексико под руководством Управления ракетных войск[23] (попутно с альтернативным комплексом на армейских полигонах проводились испытания других образцов вооружения разработанных «Аэроньютроник»).[24] Программа испытаний предполагала обстрел ракетами с инертной боевой частью (болванками) сначала зафиксированных над землёй неподвижных габаритных целей,[25] затем самолётов-мишеней «Файрби», переоборудованных в самолёты-мишени реактивных учебно-тренировочных самолётов «Шутинг стар» и истребителей «Дельта даггер».[26] В ходе совместных стрельбовых испытаний ракетами с осколочно-фугасной боевой частью, с участием армейских зенитчиков и инженеров компании-изготовителя при помощи альтернативного комплекса удалось поразить беспилотный вертолёт «Дэш» (первый пуск по цели)[27] и самолёт-мишень из стекловолоконного материала, буксируемый истребителем «Фантом-2».[1] По завершении испытаний комплекс был представлен вниманию прессы[28].
| Перечень пусков по программе испытаний | |||
|---|---|---|---|
| № п.п. | Дата | Подробности | Результат |
| Пуски ракет с инертной боевой частью | |||
| 1 | н/д | первый пуск ракеты по неподвижной цели, попытка не зачтена ввиду обрыва провода телеметрической аппаратуры[25] | неисправность |
| 2 | 20 ноября 1975 | пуск ракеты по неподвижной цели[25] | прямое попадание |
| 3 | н/д | ||
| 4 | н/д | ||
| 5 | н/д | ||
| 6 | н/д | ||
| 7 | н/д | ||
| 8 | н/д | ||
| Пуски ракет с осколочно-фугасной боевой частью | |||
| 9 | 30 июня 1976 | первый пуск ракеты с ОФ БЧ на пересекающихся курсах по воздушной цели типа «вертолёт» (QH-50) летящей со скоростью 111 км/ч на удалении свыше 2500 метров[17][27] | прямое попадание |
| 10 | 30 октября 1976 | пуск ракеты с ОФБЧ по буксируемой воздушной цели типа «реактивный самолёт»[1] | прямое попадание |
Производственный план
Комплекс изначально проектировался под заданную стоимость. Корпоративный производственный план предусматривал производство и поставку заказчику 2020 командно-пусковых блоков и 23 тыс. ракет в течение семи лет со среднемесячным показателем производства 275 ракет (84 месяца).[29] Темпы производства в любой момент могли быть увеличены при возникновении таковой необходимости за счёт подключения альтернативных поставщиков, для этих целей инженеры «Филко-Форд» подготовили производственно-техническую документацию на все три отсека ракеты, которые могли производиться серийно на заводах «Форд» и других компаний[30]. Начать предполагалось с партии в 1 тыс. ракет[31]. Полная стоимость программы закупок ракет оценивалась в $195 млн 238 тыс. 95 долларов (не считая командно-пусковых блоков [КПБ]).[32] Заявленная стоимость программы закупок в целом и одной ракеты в отдельности варьировалась весьма значительно в зависимости от объёма предполагаемого заказа, применяемых материалов и технологий производства (увеличение объёма заказа и упрощение устройства ракеты означало удешевление её стоимости до 30 % и более).[33] Однако, армейское командование решило, что «Стингер» превзошёл своего конкурента. В первой половине 1977 года финансирование альтернативного проекта было прекращено,[2] а в 1978 году «Стингер» был принят на вооружение. После отказа армейского командования от дальнейшего финансирования альтернативных проектов, проект разработки ПЗРК с лазерной подсветкой цели стал неактуален[34].
Устройство

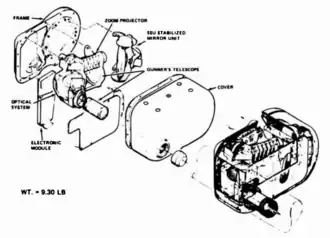
Командно-пусковой блок (guidance unit) представляет собой металлический короб продолговатой кубической формы со скошенной на одну четверть верхней гранью (в процессе работы КПБ и пусковая труба претерпевали неоднократные изменения во многих отношениях, даже их внешний вид весьма существенно отличался, форма корпуса, расположение прицельных приспособлений и оптических приборов отличалась у различных моделей КПБ), носимый в заплечном ранце и стыкующийся поперёк пусковой трубы, в передней её части. В КПБ заключены электронные и оптические приборы управления ракетой, аккумуляторная батарея (battery power pack), прицельные приспособления (zoom optical subassembly), лазерная станция наведения (transmitter assembly), линза которой (laser beam projector) в походном положении закрыта съёмной крышкой. Пусковая труба представляет собой унитарный боеприпас с корпусом из полимерного материала, вмонтированной внутрь ракетой и запаянными заглушками, поставляемой в войска с завода-изготовителя в виде, готовом к боевому применению и не предназначена для разборки/сборки. Пусковая труба имеет рукоятку управления огнём и для удобства пользования оснащена пластиковым цевьём. Ракета внутри пусковой трубы представляет собой оперённый управляемый снаряд со сложенным оперением, скомпонованный по нормальной аэродинамической схеме, состоит из отсеков: боевого (ordnance section), двигательного (flight motor section) и рулевого (flight control section). Отсеки соединены между собой зажимными хомутами типа «Марман». Электроника ракеты на основе больших интегральных схем гибридного типа является цифровой с логическим аппаратом, включающим в себя базовый набор логических вентилей с соответствующими функциями[35]. Наземный источник питания (thermal battery) является одноразовым изделием для запитки элекроцепей комплекса в течение цикла боевой работы и на исходной модели представляет собой металлическую ёмкость цилиндрической формы, по размеру помещающуюся в ладонь и вкручивающуюся в отверстие в задней части пусковой трубы[21]. Перед обстрелом цели он проворачивается по кругу до щелчка, на усовершенствованной модели источник питания совмещён с полимерным цевьём и пристыковуется к передней части пусковой трубы, спереди от рукоятки управления огнём, приводится в действие выдёргиванием предохранительной чеки и нажатием на кнопку включения (после этого комплекс готов к бою). КПБ и пусковая труба имеют снаружи ряд тумблеров и переключателей, которые нажимаются в зависимости от воздушной обстановки, типа воздушной цели и других конкретных обстоятельств. КПБ мог быть доукомплектован запросчиком системы радиолокационного опознавания[10].
Цикл стрельбы
Последовательность операций боевой работы комплекса следующая. После получения координат воздушной цели по радиостанции и другим средствам оповещения или визуального её обнаружения, стрелок-оператор снимает чехол с прицела и крышку с линзы лазерной станции наведения командно-пускового блока, пристыковует его к пусковой трубе с ракетой. К разъёму пусковой трубы пристыковуется наземный источник питания (НИП). Непосредственно перед принятием решения на обстрел воздушной цели, НИП активизируется стрелком и запитывает электроцепи комплекса, после чего комплекс запрокидывается стрелком на правое плечо (конструктивных решений для левшей предусмотрено не было), упирается в плечевой упор и разворачивается передним срезом в направлении цели. При наличии запросчика системы радиолокационного опознавания, его показания носят сугубо информационный характер, предназначены для принятия к сведению и на работу комплекса не влияют. Стрелок прикладывается правым глазом к резиновому наглазнику окуляра оптического прицела и имея цель в обозримом пространстве прицела (желательно в центре) вдавливает спусковую скобу до упора, это приводит к разарретированию гироскопического следящего координатора лазерной станции наведения и её пространственной и временно́й синхронизации с прицелом. Тем временем, от электрического импульса срабатывает выбрасывающий двигатель, при истечении реактивной струи которого слетают передняя и задняя заглушки пусковой трубы, и ракета покидает пусковую трубу на скорости, обеспечивающей её отлёт на безопасное расстояние от огневой позиции, где начинает работу маршевый двигатель, благодаря тяге которого ракета летит к точке встречи с целью, «прижимаясь» в полёте к линии визирования цели[21]. Лазерная станция наведения захватывает своим лучом лазерный приёмник в хвосте ракеты сразу же после её вылета из пусковой трубы, её гироскопический следящий координатор непрерывно доворачивается в сторону ракеты, зафиксированный параметр рассогласования вектора направления движения ракеты от линии визирования цели, лазерный излучатель (представляющий собой два диода, расположенные таким образом чтобы получить L-образный силуэт цели) передаёт двухмерные угловые координаты сопровождаемой цели относительно линии визирования (центра прицела) на бортовую электронику ракеты, автопилот вычисляет текущее значение ошибки наведения и показания датчика угловой скорости ракеты (rate sensor assembly), полученное значение передаётся на рулевую машинку (integrated control assembly), которая тут же преобразует его в электромеханические импульсы на рулевые поверхности ракеты (control surfaces). На стартовом (разгонном) участке траектории полёта, маневренные качества ракеты призван повысить блок управления вектором тяги (reaction control nozzles), сопла которого расположены в хвостовой части ракеты, спереди от хвостового оперения, и который активизируется одновременно с рулевыми поверхностями. От стрелка требуется непрерывно удерживать прицельную марку точно на цели, при этом не отпуская нажатой спусковой скобы до момента попадания или промаха (отпустив спусковую скобу преждевременно разомкнётся электроцепь и отключится станция наведения, а ракета потеряет управляемость).[21] В системе наведения комплекса был применён принцип полуавтоматического сопровождения с фиксацией угловых скоростей полёта ракеты (rate-aided tracking), на случай если стрелок в процессе наведения сделает чресчур резкое движение или произойдёт обрыв командной линии. Автопилот ракеты запоминает тенденцию изменения угловых скоростей и в случае резкого смещения лазерного луча в сторону доворачивается в заданном направлении плавно с учётом рассчитанного на основе зафиксированных значений коэффициента поправки, что даёт стрелку время на исправление допущенной ошибки наведения или, в случае обрыва командной линии управления, на восстановление управляемости ракетой путём перезахвата её лазерным лучом[36]. Кроме электроники ракеты, для этих же целей КПБ оснащён системой стабилизации (sightline stabilization unit), которая компенсирует ошибку наведения, возникающую в результате воздействия биомеханических факторов, смягчает резкие движения стрелка в процессе наведения, дрожь, вибрацию и другие колебательные движения[10]. Окончив обстрел цели, стрелок отстыковует и выбрасывает стреляную пусковую трубу или аккуратно кладёт на грунт бракованную (в случае невыхода ракеты), после чего может повторить цикл стрельбы в указанной последовательности до израсходования боекомплекта, либо покинуть огневую позицию[21].
Тактико-технические характеристики
Ракета
- Общие сведения
- Взрыватель — неконтактный
- Массо-габаритные характеристики
- Длина опытного прототипа ракеты в стартовой конфигурации — 1333,5 мм (52,5")
- Длина ракеты в стартовой конфигурации — 1280 мм (50,4")
- Длина ракеты в полётной конфигурации — 1194 мм (47")
- Диаметр маршевой ступени корпуса — 82,5 мм (3,25")
- Диаметр носовой части корпуса — 80 мм (3,15")
- Диаметр обтекателя — 3,8 мм (0,15")
- Толщина стенок корпуса боевого отсека — 254 мкм (0,01")
- Толщина стенок корпуса двигательного отсека — 635 мкм (0,025")
- Толщина стенок корпуса рулевого отсека — 762 мкм (0,030")
- Масса опытного прототипа ракеты в стартовой конфигурации (с телеметрической аппаратурой) — 9,071 кг (20 фунтов)
- Масса ракеты в стартовой конфигурации — 8,164 кг (18 фунтов)
- Масса ракеты в полётной конфигурации — 7,711 кг (17 фунтов)
- Масса выбрасывающего двигателя — 0,453 кг (1 фунт)
- Масса боевого отсека — 1,283 кг (2,83 фунта)
- Масса двигательного отсека — 4,245 кг (9,36 фунтов)
- Масса рулевого отсека — 2,027 кг (4,47 фунта)
- Масса электроники — 0,154 кг (0,34 фунта)
- Используемые материалы
- Материал корпуса носовой части и боевого отсека — высокопрочный тонколистовой алюминиевый сплав 6000 Series
- Материал корпуса двигательного отсека — высокопрочная сталь
- Материал корпуса рулевого отсека — высокопрочный алюминиевый сплав 6000 Series
- Материал корпуса хвостовой части, блока управления вектором тяги и камеры сгорания — высокопрочный алюминиевый сплав с твёрдым анодированным покрытием Type 356
- Тип используемого топлива — двухосновное твёрдое ракетное топливо
- Лётно-технические характеристики
- Инерциальная навигационная аппаратура — автопилот с системой управления пространственным положением
- Система пространственной навигации — трёхкоординатная
- Угол наклона соплового блока к центральной оси ракеты — 20°
- Начальная скорость ракеты на вылете из пусковой трубы — 18,2 м/сек (60 футов)
- Среднее расстояние точки срабатывания маршевого двигателя от точки запуска — 6 м (20 футов)
- Среднее время полёта ракеты на максимальное расстояние — >10 сек
- Максимальная продольная перегрузка — 55 G
- Максимальная поперечная перегрузка — 45 G
Командно-пусковой блок (КПБ)
- Масса опытного образца КПБ — 7,121 кг (15,7 фунтов)
- Масса серийного образца КПБ — 6,577 кг (14,5 фунтов)
- Масса усовершенствованного КПБ — 4,218 кг (9,3 фунтов)
- Кратность увеличения линзы прицела — 10-кратное
- Диаметр лазерного луча — варьирующийся от 1 до 6 м
Сравнительная характеристика
В плане сопоставления его с другими образцами вооружения, претендовавшими на замену комплексов «Редай», альтернативный комплекс занимал промежуточную позицию, как в плане своих достоинств, так и в плане недостатков. Ни одно из указанных качеств комплекса не было столь явно выраженным как у образцов с ручным радиокомандным наведением, либо оснащённых головкой самонаведения, — в отличие от иных образцов вооружения указанного типа, имеющих явные преимущества и явные недостатки в сравнении с конкурирующими образцами, практически все качественные характеристики альтернативного комплекса имели серединные значения. В плане стоимостных показателей, его отличала относительная дешевизна в сравнении с образцами, оснащёнными головками самонаведения (ГСН) (даже наиболее примитивными)[30], в эксплуатационном плане, он был более сложным, нежели образцы с ГСН, но более простым в сравнении комплексами с ручным радиокомандным наведением[10].
| Характеристика | ||||||
|---|---|---|---|---|---|---|
| Разработчик | КБМ | General Dynamics | Ford | Bofors | Northrop | Short Brothers |
| Принятие на вооружение в стране производства | ||||||
| Аэродинамическая схема ракеты | «утка» с прямоугольным оперением | нормальная схема с трапециевидным оперением | нормальная схема со стреловидным оперением | «утка» с треугольным оперением | ||
| Режим управления полётом ракеты | автоматический | полуавтоматический | ручной | |||
| Система управления ракетой с земли | не предусмотрена | наведение по лучу | радиокомандная | |||
| Устройство наведения ракеты на цель | головка самонаведения | станция лазерной подсветки | станция передачи команд | |||
| пассивная инфракрасная | пассивная инфракрасная/ультрафиолетовая | полуактивная лазерная | оптико-электронная | |||
| конического сканирования передней полусферы | ||||||
| Неконтактный датчик цели | не предусмотрен | радиолокационный | лазерный | комбинированный | ||
| Удержание цели по центру прицела в процессе прицеливания | требуется | желательно | не требуется | |||
| Осуществление пуска по цели без точного прицеливания | недопустимо ни при каких обстоятельствах | не желательно | допустимо при отсутствии времени на прицеливание | |||
| Подсветка цели оператором | не предусмотрена | лазерная | не предусмотрена | |||
| низкоимпульсная | частотно-модулированная | непрерывная | ||||
| Сопровождение ракеты оператором | не предусмотрено | по линии визирования цели | ||||
| Метод наведения ракеты | двухточечный | трёхточечный | ||||
| метод пропорционального сближения | метод автоматического совмещения | метод ручного совмещения | ||||
| с переменным запрограммированным углом упреждения | с переменным автоматически рассчитываемым углом упреждения | с нулевым углом упреждения | с произвольным регулируемым углом упреждения | |||
| Помехозащищённость | относительная | близкая к абсолютной | ||||
| Помехоустойчивость | низкая | относительная | высокая | близкая к абсолютной | ||
| Угрожающие факторы помеховой обстановки | уязвимость для тепловых ловушек, небесным светилам | уязвимость для средств оптико-электронного подавления | безразличие к помехам | |||
| Бортовые средства оповещения об угрозе ракетного обстрела воздушной цели | станция предупреждения о радиолокационном облучении | станция предупреждения о лазерном облучении | не существуют | |||
| Эффективность при стрельбе навстречу | ниже, чем вдогон | одинаково высокая | более высокая, чем вдогон | |||
| Эффективность применения в условиях облачности | ниже, чем при безоблачной погоде | относительная | одинаково высокая | |||
| Эффективность применения в условиях тумана | практически бесполезен | |||||
| Эффективность применения в условиях задымления или запыления огневой позиции | одинаково высокая | ниже, чем при отсутствии указанных факторов, ограничивающих видимость цели | ||||
| Эффективность применения в тёмное время суток | с ТПВ более эффективен, чем в светлое время суток | без ночной оптики практически бесполезен | ||||
| Эффективность применения по целям, оставляющим низкоконтрастный тепловой след (аэростаты, планеры, дельтапланы и др.) | ниже, чем по целям, с выраженным тепловым контрастом | одинаково высокая | ||||
| Возможность повторного обстрела цели или смены позиции | сразу после пуска | после попадания или промаха | ||||
| Возможность обстрела наземных или надводных целей | отсутствует | имеется у поздних моделей | имеется | ограничена | имеется | |
| Категория мобильности | носимый | возимый | ограниченно носимый | |||
| Простота в эксплуатации | примитивен, выстрелил и выбросил | требует специальной подготовки | требует особых навыков | |||
Источники информации
| ||||||
Дальнейшее развитие задела
| CLBRP (1978) | |||||||||||||||||||||||||||||
| Laser Shillelagh (1976) | AHAMS (1978) | ||||||||||||||||||||||||||||
| LBR (1972) | |||||||||||||||||||||||||||||
| Basic Saber (1981) | TopKick (1986) | ||||||||||||||||||||||||||||
| ATADS (1971) | Stinger Alternate (1973) | Long Range Saber (1985) | |||||||||||||||||||||||||||
| Laser Chaparral (1974) | |||||||||||||||||||||||||||||
В начале 1980-х гг., армейское руководство возобновило работы в направлении создания альтернативных носимых средств противовоздушной обороны с лазерной подсветкой цели, на этот раз в рамках программы LADS (Lightweight Air Defense Systems), с перспективой оснащения ими лёгких пехотных и аэромобильных подразделений сухопутных войск, морской пехоты, а также общевойсковых группировок сил быстрого развёртывания. С подразделением «Аэроньютроник» был заключён контракт на проведение научно-исследовательских работ по указанной тематике, в результате чего из архивов были извлечены имеющиеся наработки. Основные тактико-технические требования практически не изменились, были дополнены пунктами об устойчивости комплекса к любым погодно-климатическим факторам и пригодности к применению в любой точке планеты в условиях интенсивного применения противником средств постановки помех (что ограничивало боевые возможности имеющегося арсенала средств), желательным качеством комплекса была его универсальность, то есть пригодность к применению не только против средств воздушного нападения, но и против бронетехники противника в ситуации, когда зенитному ракетному взводу или прикрываемому им подразделению придётся обороняться от сухопутных сил противника. Для управления действиями подразделений и целеуказания была создана система управления огнём в форме подвижного пункта управления огнём взвода (Mobile Fire Control Center, сокр. FCC) прошедшего испытания в 1981 году в частях 9-й пехотной дивизии на базе «Форт-Льюис», штат Вашингтон[40]. Пункт управления огнём был оснащён средствами радиолокационного обнаружения и радиочастотного мониторинга, а также акустическими датчиками, электронно-вычислительной аппаратурой, средствами голосовой связи и передачи цифровых данных[41]. Организационно-штатная структура такого рода подразделений предполагала наличие четырёх зенитных ракетных отделений (fire unit) в составе взвода и трёх взводов в составе батареи[42].
На тот момент на экспорт комплекс не предлагался, однако на базе имеющихся наработок позднее, к середине 1980-х гг. была разработана модификация комплекса в двух вариантах — лёгком переносном и тяжёлом для размещения на самоходной платформе, получившая словесное название «Сейбр» по начальным буквам комплекса. Впоследствии, сокращённое словесное название «Сейбр» стало употребляться и применительно к исходной модели комплекса 1970-х гг. (хотя в то время его никто так не называл), но уже много позже, — только после того, как комплекс стал предлагаться на мировом рынке вооружения. Два описываемых образца вооружения роднит преемственность в части компании-разработчика и использованного инженерно-конструкторского задела, по сути же это два разных комплекса.
Примечания
- 1 2 3 4 Stinger Alternate on target Архивная копия от 7 апреля 2018 на Wayback Machine. // Flight International, 30 October 1976, v. 110, no. 3529, pp. 1308—1310.
- 1 2 Richardson, Doug. World missiles directory Архивная копия от 7 апреля 2018 на Wayback Machine. // Flight International, 14 May 1977, v. 111, no. 3557, p. 1343.
- ↑ Hewish, Mark. World missiles Архивная копия от 7 апреля 2018 на Wayback Machine. // Flight International, 29 May 1976, v. 109, no. 3507, p. 1442.
- 1 2 State of the Art of Laser Antiaircraft Weapons. / Hearings on S. 920, United States Senate, March 13, 1975, pt. 9, pp. 4488-4489.
- ↑ Birtles, Philip ; Beaver, Paul. Missile Systems Архивная копия от 7 апреля 2018 на Wayback Machine, Shepperton, Surrey: Ian Allan Ltd, 1985, p. 8, ISBN 0-7110-1483-3.
- ↑ Hewish, Mark ; Gilson, Charles. Air defence weapons and organization Архивная копия от 7 апреля 2018 на Wayback Machine. // Flight International, 27 June 1974, v. 105, no. 3407, p. 842.
- ↑ Laser beam-rider guidance seeker employed by Aeronutronic Ford in the Stinger alternate man-portable anti-aicraft missile Архивная копия от 7 апреля 2018 на Wayback Machine. // Aviation Week & Space Technology, November 17, 1975, v. 103, no. 20, p. 41.
- ↑ Jane’s Infantry Weapons 1975 Архивная копия от 7 апреля 2018 на Wayback Machine, Macdonald and Jane’s, 1974, p. 805, ISBN 0-531-02748-1.
- ↑ Closer Cooperation with European Allies in Military Research and Development Архивная копия от 26 апреля 2017 на Wayback Machine. / Congressional Record, United States Congress, February 21, 1975, v. 121, pt. 6, p. 6931.
- 1 2 3 4 5 Maney, Rhoi M. Man-Portable Air Defense Systems (A Comparison) Архивная копия от 25 января 2017 на Wayback Machine. // Air Defense Magazine, October-December 1977, pp. 22-23.
- ↑ DARPA Technical Accomplishments: An Historical Review of Selected DARPA Projects Архивная копия от 25 февраля 2017 на Wayback Machine, Institute for Defense Anaiyses, February 1990, v. 1, pp. 330—331 [26-1—2].
- ↑ MANPADS (Man-Portable Air Defence System, possible Stinger alternate) Архивная копия от 7 февраля 2017 на Wayback Machine. // Army Research and Development, November-December 1975, v. 16, no. 6, p. 1.
- ↑ McDaniel, John L. Speaking on…Development of Energy Resources In Accelerated Interagency Effort. // Army Research and Development Magazine, January-February 1974, v. 15, no. 1, p. 20.
- ↑ Philco-Ford Corp. received a $5,200,000 Army contract for continued development of the Stinger antitank missile. // Moody’s Industrial News Reports, November 30, 1973, v. 45, no. 55, p. 2210.
- ↑ Hewish, Mark. World missile yearbook. // Flight International, 14 March 1974, v. 105, no. 3392, p. A11.
- ↑ Infantrymen May Get Laser Missile Aimers (недоступная ссылка). // Machine Design, May 30, 1974, v. 46, no. 12, p. 197.
- 1 2 Stinger Stings Drone Copter Архивировано 26 января 2017 года.. // The Rocket, June 30, 1976, v. 25, no. 6, p. 5.
- ↑ Army is expected to receive at least four proposals in its current competition to develop an alternate Архивная копия от 14 февраля 2018 на Wayback Machine. // Aviation Week & Space Technology, April 9, 1973, v. 98, no. 15, p. 9.
- ↑ Hewish, Mark. World missile survey. // Flight International, 8 May 1975, v. 107, no. 3452, p. 761.
- ↑ Statement by Dr. Malcolm R. Currie, Director of Defense Research and Engineering. / Hearings on Military Posture and H.R. 3689, 94th Congress, 1st Session, 21 February 1975, pt. 1, pp. 336-337.
- 1 2 3 4 5 6 Stinger Alternate System Архивная копия от 31 января 2017 на Wayback Machine. // Air Defense Trends, July-September 1975, p. 52.
- ↑ Marriott, John. Air defence of units in the field. // The Army Quarterly and Defence Journal, July, 1978, v. 108, no. 3, p. 24.
- ↑ Military’s laser shopping list. // Electronics, May 1, 1975, v. 48, no. 9, p. 60.
- ↑ Laser beamrider missile concept has been demonstrated successfully in three firings at the Redstone Arsenal firing range. // Aviation Week & Space Technology, April 7, 1975, v. 102, no. 14, p. 39.
- 1 2 3 Stinger Alternate hits target. // Flight International, 20 November 1975, v. 108, no. 3443, p. 750.
- ↑ Stinger testing continues. // Flight International, 6 March 1975, v. 108, no. 3443, p. 358.
- 1 2 Stinger Alternate success. // Flight International, 21 August 1976, v. 110, no. 3519, p. 430.
- ↑ Laser beam riding alternative for Stinger demonstrated. // Aviation Week & Space Technology, October 25, 1976, v. 105, no. 17, p. 69.
- ↑ Johnson, J. L. Stinger Alternate Guidance System, 1975, p. 188.
- 1 2 Johnson, J. L. Stinger Alternate Guidance System, 1975, p. 190.
- ↑ Johnson, J. L. Stinger Alternate Guidance System, 1975, p. 191.
- ↑ Johnson, J. L. Stinger Alternate Guidance System, 1975, p. 192.
- ↑ Johnson, J. L. Stinger Alternate Guidance System, 1975, pp. 193-194.
- ↑ Gunston, Bill. The Illustrated Encyclopedia of the World’s Rockets & Missiles Архивная копия от 8 апреля 2018 на Wayback Machine, London: Salamander Books, 1979, p. 177, ISBN 0-86101-029-9.
- ↑ Johnson, J. L. Stinger Alternate Guidance System, 1975, pp. 190-192.
- ↑ Report of the Army Scientific Advisory Panel Ad Hoc Group on Fire Suppression Архивная копия от 25 февраля 2017 на Wayback Machine, July 1975, p. 165.
- ↑ Johnson, J. L. Stinger Alternate Guidance System, 1975, pp. 181-183.
- ↑ Johnson, J. L. Stinger Alternate Guidance System, 1975, pp. 187-188.
- ↑ Johnson, J. L. Stinger Alternate Guidance System, 1975, pp. 192-193.
- ↑ Cleveland, W. C. A Distributed Command and Fire Control System, 1982, p. 21.
- ↑ Cleveland, W. C. A Distributed Command and Fire Control System, 1982, p. 22.
- ↑ Cleveland, W. C. A Distributed Command and Fire Control System, 1982, p. 24.
Литература
- Johnson, J. L. Stinger Alternate Guidance System. / Missile Manufacturing Technology Conference Held at Hilton Head Island, South Carolina on 22-26 September 1975. — 360 p.
- Levi, R. ; Stahlhuth, P. H. Low Cost Servo Actuator for Tactical Missile Thrust Vector Control (TVC). — Newport Beach, California: Aeronutronic Ford Corporation, Aeronutronic Division, May 1977. — 118 p.
- Gentile, F. ; Tutt, G. Target Track and Stabilization for Manportable Direct Fire Missiles. — Huntington Beach, CA: McDonnell Douglas Astronautics Company, November 1981. — Vol. 1 — 170 p.
- Cleveland, William C. A Distributed Command/Fire Control System for Lightweight Air Defense Weapons. / Fire Control As A Force Multiplier : 1982 Symposium on Fire Control, US Navy Surface Weapons Center, White Oak, Maryland, March 23-24, 1982. — 100 p.

