Телеграф Кука и Уитстона

Телеграф Кука и Уитстона был изобретен в 1830-х годах английским изобретателем Уильямом Куком и ученым Чарльзом Уитстоном. Это была первая коммерческая система электрического телеграфа. Приемник состоял из набора стрелок, которые приводились в движение электромагнитной катушкой и указывали на буквы на доске. Этот метод был удобен для первых пользователей телеграфа, поскольку не требовал изучения системы кодов и позволял работодателям не инвестировать в обучение персонала.
Более поздние варианты системы могли не использовать доску с буквами, поскольку пользователи научились читать текст непосредственно следя за движением стрелок. Это стало возможным, поскольку количество стрелок было уменьшено и сам код становился сложнее. Это изменение было следствием уменьшения количества телеграфных проводов, которое должно было соответствовать количеству стрелок используемых в аппарате для указания символов. Более ранние линии телеграфных проводов постепенно выходили из строя, что делало использование нескольких проводов для передачи каждого символа неэкономичным. Наиболее коммерчески успешный вариант телеграфа Кука и Уитстона использовал всего одну стрелку и находился в эксплуатации до 1930-х годов.
Телеграф Кука и Уинстона сыграл свою роль в задержании Джона Тавелла за совершенное им убийство. Сообщение о том, что Тавелл сел на поезд в Лондон, было передано со станции в Слау по телеграфу на конечную станцию Паддингтон и позволило полиции арестовать преступника. Необычная новость об использовании телеграфа в борьбе с преступностью вызвала большой интерес у публики и популяризовала использование телеграфа.
Изобретатели

Телеграф был создан при сотрудничестве Уильяма Кука и Чарльза Уитстона. Чарльз Уитстон также известен другими своими изобретениями, в частности измерительным мостом Уитстона. По ходу работы между ними возникали трения, поскольку они ставили перед собой разные цели. Кук был изобретателем и предпринимателем, поэтому считал целью своей работы извлечение коммерческой выгоды. Однако Уитстон был ученым и преследовал академические цели. Он хотел публиковать результаты своей работы, что бы другие могли их свободно использовать.[1] Эти различия во взглядах в результате привели к тому, что Кук и Уитстон спорили о том, кому принадлежит приоритет из изобретения. Спор был разрешен Марком Изамбаром Брюнелем, представлявшем интересы Кука и Джоном Фредериком Даниелем представлявшим Уитстона. В конечном итоге Кук выкупил права у Уитстона о обмен на долю в прибыли.[2] У Кука были более ранние идеи по поводу телеграфа и он консультировался о них с Майклом Фарадеем еще до сотрудничества с Уитстоном. Однако научные обоснования требуемые для реализации модели были сделаны Уитстоном. Ранние идеи Кука которые описывали электромеханический телеграф, использующий часовые механизмы и электромагнитный стопор, были отброшены. [3] В 1854 году Кук напечатал обличительное сочинение, озаглавленное «Электрический телеграф. Был ли он изобретен профессором Уитстоном?»[4][5].
История

В январе 1837 года Кук предложил дизайн шестидесятикодового телеграфа для железной дороги Ливерпуль — Манчестер. Код был слишком сложен для требуемой задачи. Заказчику требовалось простая система сигнализации между станцией в Ливерпуле и паровой машиной, находившуюся наверху длинного крутого уклона в тоннеле за пределами станции. Паровая машина приводила в действие канат который тянул поезда до станции. В то время канатная тяга часто использовалась для подачи поездов на основные станции, чтобы избежать шума и загрязнения, и в том случае, если уклон был слишком крутым, чтобы локомотив поднимался без посторонней помощи. Все, что требовалось, было несколько простых сигналов, таких как указание канатной машине начать движение. Куку было предложено построить более простую версию с меньшим количеством кодов, которые он сделал к концу апреля 1837 года. [6] Однако железная дорога решила использовать вместо этого пневматический телеграф с свистками.[7] После консультаций с Майклом Фарадеем Уильяму Куку порекомендовали обратиться к Чарльзу Уитстону. В письмах домочадцам Кук писал о том, что его направили к «профессору химии из Лондонского Университета». Он ошибся с предметом и с университетом, но вот с компаньоном ему повезло.Вскоре после этого Кук вступил в партнерство с Уитстоном.[8]
Оформление заявки на патент длилось довольно долго и закончено было только 12 июня 1837 года. До 1852 года в Великобритании патенты не публиковались официально, более того, в Англии, Шотландии, Уэльсе и Ирландии были разные процедуры. А желающих оформить все права на электрический телеграф было предостаточно. Уже весной 1837 года это попытался сделать Эдвард Дэви (Edward Davy), который был наслышан об экспериментах Уитстона. В телеграфе Дэви для передачи каждой (!) буквы требовался отдельный провод, но этот факт его не смущал[9]. В Шотландии против телеграфа Уитстона и Кука выступил Уильям Александр (William Alexander), но все же патент был оформлен 12 декабря 1837 года, а в Ирландии он был оформлен 23 апреля 1838 года[10].
В этой системе на доске использовалось несколько стрелок, которые можно было перемещать, чтобы указать на буквы алфавита. В патенте рекомендована пятистрелочная система, но любое количество стрелок может использоваться в зависимости от количества символов, которые необходимо было кодировать. Четырехстрелочная система была установлена между станциями Юстон и Камден-Таун в Лондоне на железнодорожной линии, построенной Робертом Стивенсоном между Лондоном и Бирмингемом. Она было успешно продемонстрирована 25 июля 1837 года. [11] Эта система была похожа на проект сделанный для Ливерпуля. Вагоны отсоединялись на станции Камден-Таун и катились под уклон, под действием силы тяжести на станцию Юстон. Система была необходима, чтобы сигнализировать в Камден-Таун, что надо тянуть вагоны обратно верх к ожидавшему их локомотиву. Как и в Ливерпуле, электрический телеграф был в конце концов отвергнут в пользу пневматической системы с свистками [12].
Первым коммерческим успехом телеграфа Кука и Уитстоуна стала его установка на Great Western Railway на участке в 13 миль (21 км) от станции Паддингтон до Западного Дрейтона в 1838 году. Это был первый коммерческий телеграф в мире. [13] Система использовала пять стрелок и шесть проводов.[12] Кабели изначально были установлены под землей в стальном канале. Однако вскоре кабели стали разрушаться из-за ухудшения изоляции и были заменены не изолированными проводами на столбах.[14] В качестве промежуточной меры использовалась двухстрелочная система с тремя оставшимися рабочими подземными проводами, которые, несмотря на использование только двух стрелок, имели большее количество кодов.[15] Но когда линия была расширена до Слау в 1843 году, была установлена однострелочная двухпроводная система. [16] С этого момента использование электрического телеграфа стало расти на новых железных дорогах, построенных из Лондона. Туннельная железная дорога Блэкволл (так же с канатной тягой) была оборудована телеграфом Кука и Уитстона, когда она открылась в 1840 году, и многие другие впоследствии. [17] Однострелочный телеграф оказался очень успешным на британских железных дорогах, и 15 000 комплектов все еще использовались в конце девятнадцатого века. Некоторые из них остались в эксплуатации в 1930-х годах. [18] В сентябре 1845 года финансист Джон Льюис Рикардо и Кук сформировали компанию Electric Telegraph. Эта компания выкупила патенты Кука и Уитстона и основала собственный устойчивый телеграфный бизнес. В 1869 году компания была национализирована и стала частью главной почтовой службы Великобритании General Post Office.[19]
Арест Тавелла

Джон Тауэлл, подозреваемый в том, что отравил свою любовницу, был задержан после получения сообщения стрелочного телеграфа[20] из Слау до Паддингтона на 1 января 1845. Это, как полагают, было первым использованием телеграфа, чтобы поймать убийцу. Сообщение гласило:
Убийство было только-что совершено в Солт-Хилле и предполагаемый убийца был замечен покупающим билет в первый класс поезда следующего из Слау в 19:42 в Лондон. Он одет в как квакер, в большом пальто доходящим ему почти до пят. Он сел в последнее отделение вагона второго класса.
Оригинальный текст (англ.)A MURDER HAS GUST BEEN COMMITTED AT SALT HILL AND THE SUSPECTED MURDERER WAS SEEN TO TAKE A FIRST CLASS TICKET TO LONDON BY THE TRAIN WHICH LEFT SLOUGH AT 742 PM HE IS IN THE GARB OF A KWAKER WITH A GREAT COAT ON WHICH REACHES NEARLY DOWN TO HIS FEET HE IS IN THE LAST COMPARTMENT OF THE SECOND CLASS COMPARTMENT
Система Cooke и Wheatstone не поддерживала пунктуацию, строчные буквы и передавала не все буквы. Даже двухстрелочная система опускала буквы J, Q и Z; Следовательно, слова JUST (только что) и QUAKER (Квакер) были переданы с орфографическими ошибками. Это вызвало определенные трудности для принимающего оператора в Паддингтоне, который неоднократно запрашивал повторную отправку после получения K-W-A, (вместо Q-U-A) которое, по его мнению, было ошибочным. Это продолжалось до тех пор, пока маленький мальчик не предложил посылающему оператору закончить слово, после чего сообщение поняли. По прибытии полицейские детективы проследовали за Тавеллом в соседнюю кофейню и арестовали его там. Газетное освещение этого инцидента создало большую известность электрическому телеграфу и настроило в его пользу его в общественное мнение.[21] Широко разрекламированный арест Тавелла был одним из двух событий, которые привлекли внимание широкой общественности к телеграфу и привели к его широкомасштабному использованию за пределами железнодорожной сигнализации. Другим событием стало объявление телеграфом новости о рождении Альфреда Эрнеста Альберта, второго сына королевы Виктории). Новость была опубликована в газете Таймс с беспрецедентной скоростью, всего через 40 минут после объявления.[22]
Принцип работы

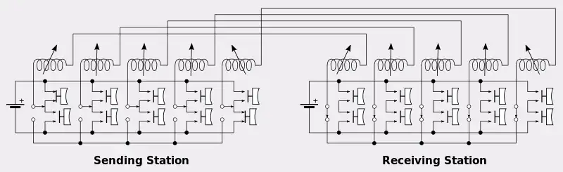
Телеграф Кука и Уитстона состоял из ряда магнитных стрелок, которые можно было повернуть на короткое расстояние либо по часовой стрелке, либо против часовой стрелки под действием электромагнитной индукции в обмотке. Направление движения определялось направлением тока в телеграфных проводах. Стрелки были закреплены на доске размеченной ромбовидной сеткой с буквой на каждом пересечении линий так, что когда две стрелки были под напряжением, они указывали на нужную букву букву. Количество проводов, требуемых системой Кука и Уитстона, равно количеству используемых стрелок. Количество стрелок определяло количество символов, которые могут быть закодированы. Патент Кука и Уитстона рекомендовал пять стрелок, и это было их количество в ранних демонстрационных моделях. Количество кодов, которые могут быть получены из 2, 3, 4, 5, 6 ... стрелок, составляет 2, 6, 12, 20, 30 ... соответственно.[23] На отправляющем конце было два ряда кнопок, пара кнопок для каждой катушки в каждой строке. Оператор выбрал одну кнопку из каждой строки. Это соединяло две катушки с положительным и отрицательным концами батареи соответственно. Другие концы катушек были соединены с телеграфными проводами и оттуда на один конец катушек на приемной станции. Другой конец приемных катушек был соединен вместе когда аппарат находился в режиме приема. Таким образом, ток течет через те же две катушки с обоих концов и возбуждает те же две стрелки. С помощью этой системы стрелки всегда включались парами и всегда вращались в противоположных направлениях. [24]
Пятистрелочный телегаф
Пятистрелочный телеграф с двадцатью возможными положениями стрелок позволял составить шесть кодов, которые не могли кодировать полный алфавит. Пропущенные буквы были C, J, Q, U, X и Z.[25] Преимущество данной конструкции, определившим ее коммерческий успех заключалась в том, что он был прост в использовании и требовал небольшой подготовки оператора. Нет требовалось изучать сложный код, поскольку отправленное письмо явно отображается как оператору отправки и получения. Телеграф Паддингтон - Западный Дрейтон изначально использовал шесть проводов, а не пять, хотя это была пятиигловая система. Шестой провод требовался для того, чтобы обеспечить общий возврат сигнала, чтобы стрелки могли работать независимо, что давало возможность использовать большее количество кодов.[12] Однако использование этих кодов потребовало бы более обширной подготовки операторов, поскольку дисплей не мог быть прочитан в виде сетки отображающей простые алфавитные кодовы. Позднее телеграфные системы стали использовать заземление, чтобы избежать необходимости прокладки дополнительного провода, но этот принцип не был еще известен во времена телеграфа Кука и Уитстона. Экономическая потребность в сокращении количества проводов в итоге оказалась более сильным стимулом, чем простота использования, и привела Кука и Уитстона к разработке двухиглового телеграфа.[15]

Двухстрелочный телеграф
Двухстрелочный телеграф требовал трех проводов, по одному для каждой стрелки и общего возврата. Кодирование несколько отличалось от пятистрелочного телеграфа, и его нужно было изучать, а не читать с дисплея. Стрелки могли перемещаться влево или вправо на один, два или три раза подряд, или на одновременно в обоих направлениях в быстрой последовательности. Любая стрелка в отдельности или обе вместе могли быть перемещены. Это дало в общей сложности 24 кода, один из которых был занят кодом остановки. Таким образом, три буквы были опущены: J, Q и Z, которые были заменены G, K и S соответственно.[21]
Однострелочный телеграф
Эта система была разработана для замены неисправного многопроволочного телеграфа на линии Паддингтон на Западный Дрейтон. Он требовал только два провода, но более сложный код и более медленную скорость передачи. В то время как для двухстрелочной системы был необходим трехкомпонентный код (т. е. До трех перемещений стрелок для представления каждой буквы), однострелочная система использовала четырехкомпонентный код, но имела достаточно кодов для кодирования всего алфавита , Как и предыдущая двухстрелочная система, блок кода состоял из отклонений стрелки влево или вправо в быстрой последовательности. При движении стрелка ударяла по ограничительному столбику, производя звонок. Для левого и правого движений были предусмотрены разные тональные сигналы, чтобы оператор мог услышать, в каком направлении двигалась стрелка, не глядя на нее.[18]
Коды

Коды были уточнялись и адаптировались по мере использования. В 1867 к пятистрелочному коду были добавлены цифрам. Это было достигнуто за счет использования шестого провода для общего возвращения, позволяющего перемещать только одну стрелку. С первоначальными пятью проводами было возможно только перемещать стрелки в парах и всегда в противоположных направлениях, так как не было общего провода. Теоретически возможно еще много кодов с общими обратными сигналами, но не все из них удобно использовать с отображением на сетке. Цифры обрабатывались путем маркировки их по краю ромбовидной сетки. Стрелки с 1 по 5 при включении вправо указывали на цифры с 1 по 5 соответственно, а слева - на цифры от 6 до 9 и 0. На телеграфах были предусмотрены две дополнительные кнопки, позволяющие подключать общий возврат к положительной или отрицательной клемме батареи в соответствии с желаемым направлением перемещения стрелок. [27]
Также к 1867 году коды кодов Q
) и Z (
) были добавлены в однострелочный код, но не для J. Однако коды для Q (
), Z (
) и J (
) были отмечены на пластинах более поздних стрелочных телеграфов вместе с шестью кодами для переключения в режим передачи чисел (
) и для переключения в режим передачи букв (
). [28] Для управления оператором были добавлены многочисленные составные коды, такие как ожидание и повтор. Эти соединения аналогичны служебным сигналам, используемых в коде Морзе, где два символа работают вместе без пробела. Коды смены двух букв и сдвиг букв также являются составными. [29]
Коды, используемые для четырехстрелочного телеграфа, неизвестны, и ни одного экземпляра оборудования для них не сохранилось. Даже не известно, какие буквы были присвоены двенадцати возможным кодам. [12]
Источники
- ↑ Bowers, page 119
- ↑ Bowler & Morus, pages 403–404
- ↑ Shaffner, page 185
- ↑ Иванов Александр. Чарльз Уитстон (Charles Wheatstone) // Музей Истории Телефона / telhistory.ru. — С. Алфавитный указатель раздора. Архивировано 18 августа 2021 года.
- ↑ Cooke, William Fothergill. The electric telegraph: Was it invented by professor Wheatstone?. — London, 1857.
- ↑ Bowers, page 123
- ↑ Burns, page 72
- ↑ Bowers, pages 124–125
- ↑ Иванов Александр. Чарльз Уитстон (Charles Wheatstone) // Музей Истории Телефона / telhistory.ru. — С. Стрелочный телеграф Кука и Уитстона. Архивировано 18 августа 2021 года.
- ↑ Bowers, Brian. Sir Charles Wheatstone. FRS.1802–1875. — London: The Institution of Electrical Engineers, 2001. — С. 126. — ISBN 0-85296-103-0.
- ↑ The telegraphic age dawns Архивная копия от 31 августа 2019 на Wayback MachineBT Group Connected Earth Online Museum. Accessed December 2010, 10 Feb 2013
- 1 2 3 4 Bowers, page 129
- ↑ Huurdeman, page 67
- ↑ Huurdeman, pages 67–68
Beauchamp, page 35 - 1 2 Mercer, page 7
- ↑ Huurdeman, page 69
- ↑ Beauchamp, page 35
- 1 2 Huurdeman, pages 67–69
- ↑ Mercer, page 8
- ↑ Иванов Александр. Чарльз Уитстон (Charles Wheatstone) // Музей Истории Телефона / telhistory.ru. — С. Телеграф в детективной истории. Архивировано 18 августа 2021 года.
- 1 2 3 John Tawell, The Man Hanged by the Electric Telegraph. University of Salford. Дата обращения: 11 января 2009. Архивировано 10 февраля 2013 года. 10 Feb 2013
- ↑ Burns, pages 78–79
- ↑ Прямоугольное_число
- ↑ Burns, pages 75–77
- ↑ Shaffner, page 201
- ↑ Shaffner, page 204–205 (five-needle)
Shaffner, pages 226–229 (two-needle)
Shaffner, page 221 (one-needle, late)
Huurdeman, page 68 (one-needle, early) - ↑ Shaffner, pages 204–206
- ↑ "Single needle telegraph - Zeigertelegraf" Архивная копия от 15 ноября 2016 на Wayback Machine, Musée des Arts et Métiers, Paris, stkone, Flickr, retrieved 16 Feb 2013.
- ↑ Shaffner, page 221
Библиография
- Beauchamp, Ken, History of Telegraphy, IET, 2001 ISBN 0852967926.
- Bowers, Brian, Sir Charles Wheatstone: 1802–1875, IET, 2001 ISBN 0852961030.
- Bowler, Peter J.; Morus, Iwan Rhys, Making Modern Science: A Historical Survey, University of Chicago Press, 2010 ISBN 0226068625.
- Burns, Russel W., Communications: An International History of the Formative Years, IET, 2004 ISBN 0863413277.
- Huurdeman, Anton A., The Worldwide History of Telecommunications, John Wiley & Sons, 2003 ISBN 0471205052.
- Mercer, David, The Telephone: The Life Story of a Technology, Greenwood Publishing Group, 2006 ISBN 031333207X.
- Shaffner, Taliaferro Preston, The Telegraph Manual, Pudney & Russell, 1859.