Сигма-дельта-модуляция

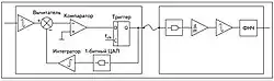
Блок-схема сигма-дельта АЦП первого порядка.[1]

Сигма-дельта модуляция (ΣΔ; или дельта-сигма, ΔΣ) — способ модуляции, обеспечивающий оцифровку сигнала с заданными характеристиками в рабочей полосе частот.

Принцип действия

Сигма-дельта модулятор основан на периодическом неполном уравновешивании заряда конденсатора интегратора. Одноразрядный[2] сигма-дельта модулятор первого порядка работает следующим образом: на первом такте работы интегрируется входной сигнал до тех пор, пока выходной сигнал интегратора не достигнет порога переключения синхронного компаратора. Выходной сигнал компаратора изменяется только по внешнему сигналу тактирования. Данный цифровой сигнал является выходом модулятора, он же поступает в отрицательную обратную связь, где с помощью ЦАП формируется аналоговый сигнал, который вычитается из входного аналогового сигнала, и тем самым, уравновешивает интегратор, заставляя его выход меняться в обратном направлении. Таким образом, интегратор начинает интегрировать эту разность и его выходной сигнал изменяется в противоположную сторону до тех пор, пока компаратор не переключится в обратную сторону. Далее эти циклы повторяются, формируя на выходе синхронного компаратора цифровую последовательность.

Сигма-дельта АЦП

Спектр шума квантования сигма-дельта модулятора первого порядка (линия 1), второго порядка (2) и третьего порядка (3). Область частот полезного сигнала закрашена жёлтым и зелёным.

Сигма-дельта модулятор можно условно рассматривать как синхронный преобразователь напряжение-частота[3], и теоретически возможно подсчитать удельное количество единиц в этом цифровом потоке, что и будет цифровым кодом простейшего сигма-дельта АЦП. Однако на практике такой метод не применяется из-за большого требуемого количества выборок. На практике применяется цифровая фильтрация шума квантования, который благодаря структуре сигма-дельта модулятора имеет спад в области низких частот, причём спад имеет большую крутизну в модуляторах более высокого порядка. Таким образом соотношение сигнал/шум растёт не только за счёт избыточной дискретизации, но и благодаря ограничению шума[4] (англ. noise shaping) в области частот, содержащей полезный сигнал.[5]

Анализ

Дельта-сигма модуляция обладает всеми достоинствами дельта-модуляции и в то же время лишена многих её недостатков. Как известно, дельта-модулятор пригоден для работы только с хорошо коррелированными сигналами, поэтому для повышения коррелированности входного сигнала его можно пропустить через интегратор, а на приёмной стороне выходной преобразованный сигнал пропустить, соответственно, через дифференциатор.

Переход от дельта-модулятора к дельта-сигма модулятору

Поскольку разность интегралов равна интегралу разности, то два интегратора на входах вычитателя можно заменить одним на его выходе. Что касается дифференциатора на приемной стороне, то он вместе с приемным интегратором может быть исключён. Таким образом, схема ДСМ отличается от дельта-модулятора положением интегратора на передающей стороне и его отсутствием на приёмной. Такое незначительное изменение в схеме значительно улучшило её характеристики и, в частности, позволило достичь отношения сигнал/шум –120 дБ.

Схема дельта-сигма модулятора

Шумы

Одним из основополагающих принципов дельта-модуляции является превышение частоты Котельникова в K раз. При такой передискретизации эффективная разрядность, а соответственно, и отношение сигнал/шум, увеличивается согласно формуле , где K — коэффициент передискретизации, а N — количество дополнительных битов. Обычно применяется K = 64, и в этом случае эффективная разрядность будет 7 бит, а отношение сигнал/шум будет равно 42 дБ. Однако передискретизация сама по себе не является эффективным средством. Дальнейшее подавление шума производится благодаря самой структуре дельта-сигма модулятора. Чтобы понять, как именно происходит формирование спектра шума, используем линеаризованную дискретную модель системы, в которой входной сигнал представлен последовательностью x(n), выходной сигнал y(x) и шум квантования, вносимый компаратором и триггером,— e(n), что изображено на схеме линеаризованной дискретной модели системы.

Схема линеаризованной дискретной модели системы

Рассмотрим Z-преобразование этой системы дельта-сигма модулятора:

Видно, что полезный сигнал X(t) проходит эту цепь без изменений, с задержкой на 1 такт, в то время как для шума E(t) возникает препятствие в виде фильтра низких частот (ФНЧ). Таким образом, осуществляется формирование спектра шума в дельта-сигма модуляторе. Интегратор в данном случае выступает в роли ФНЧ для шумовой составляющей сигнала. Энергия шума сосредотачивается в области верхних частот, и бо́льшая её часть может быть отфильтрована выходным ФНЧ. Таким образом, в выходном сигнале после демодулирования дельта-сигма последовательности наблюдается намного более низкий уровень шума, чем можно было бы предполагать. Следующим шагом по улучшению отношения "сигнал/шум" является повышение порядка модулятора. Следует особо отметить, что дельта-сигма АЦП с высочайшей (24 бита) эффективной разрядностью можно построить, всего лишь используя интегратор и стробируемый компаратор.

Информационные параметры

Ещё одним важным на сегодня параметром сигнала является его информационная ёмкость. Здесь следует отметить, что сигнал в формате дельта-сигма модуляции не требует кадровой синхронизации, а значит, считывать его можно в любой момент времени в записи или в канале передачи. В этом его сходство с аналоговым сигналом. Ещё одно важное его отличие — это повышенная помехоустойчивость сигнала в формате дельта-сигма модуляции.

Применение

Чаще всего сигма-дельта модуляция применяется в микросхемах АЦП и ЦАП звукового диапазона частот (20–20000 Гц). Это обусловлено сравнительно небольшими требованиями таких систем к диапазону частот и значительными требованиями к уровню шумов и динамическому диапазону системы.

Широкое применение сигма-дельта модуляция нашла также в микросхемах АЦП для прецизионных медленных измерений с большим динамическим диапазоном (от 16 до 32 бит[6]).

Аудиозапись

Как следствие широкого применения сигма-дельта ЦАП в воспроизведении аудиосигнала возникли попытки оптимизировать форматы хранения аудио на цифровых носителях под эту технологию. Преимущества форматов, основанных на сигма-дельта модуляции — отсутствие необходимости понижения частоты дискретизации сигнала (децимации).

Наиболее известный пример формата — Super Audio CD (SACD), предложенный фирмами Sony и Philips. Параметры формата — 1 бит, 2,8224 МГц.

Происхождение названия

Этимология термина содержит названия греческих букв Δ («дельта») и Σ («сигма»), которые обозначали содержащиеся в схеме блоки вычитающего устройства (Δ, расположен на входе в устройство модулятора или АЦП) и интегратора (Σ)[7].

См. также

Примечания

  1. Кестер, 2007, с. 284.
  2. Одноразрядные сигма-дельта модуляторы наиболее распространены.
  3. Кестер, 2007, с. 290.
  4. Схема подавления шумов и квадратурный понижающий преобразователь. Дата обращения: 23 июня 2016. Архивировано 26 августа 2016 года.
  5. Кестер, 2007, с. 288.
  6. Например, АЦП ADS1282 и др.
  7. Жмудь Вадим Аркадьевич. О ПРИМЕНЕНИИ АЦП С СИГМА-ДЕЛЬТА МОДУЛЯЦИЕЙ В РЕЖИМЕ КОММУТАЦИИ // Автоматика и программная инженерия. — 2016. № 3 (17).

Литература

  • Аналогово-цифровое преобразование. — Под ред. Уолта Кестера. — Москва: Техносфера, 2007. — 1016 с. — ISBN 978-5-94836-146-8.

Ссылки