Резисторные матрицы
Резисторные матрицы являются электрическими цепями из повторяющихся резисторов. Ниже обсуждаются две конфигурации, цепочка последовательных резисторов и матрица R-2R.
Цепочка последовательных резисторов (аналого-цифровое преобразование, АЦП)
Множество, часто одинакового номинала, резисторов включённых между двумя напряжениями сравнения является матрицей последовательных резисторов. Резисторы действуют как делители напряжения между напряжениями сравнения. Каждый вывод цепочки производит разное напряжение, которое может быть сравнено с другим напряжением: это является основным принципом параллельных АЦП (аналого-цифрового преобразования). Часто напряжение преобразуется в ток, что позволяет использовать матрицу R-2R.
- Недостаток: для -битного АЦП число резисторов растёт экспоненциально, требуется резисторов, в то время как в матрице R-2R число резисторов увеличивается линейно с числом битов и требуется только резисторов.
- Преимущество: величины высокого импеданса могут быть достигнуты используя одинаковое число компонентов.
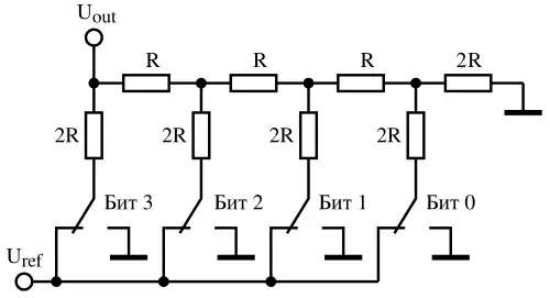
Резисторная матрица R-2R (цифро-аналоговое преобразование, ЦАП)

Матрица R-2R имеет два вида включения: прямое — матрица токов и инверсное — матрица напряжений. Включение матрицы резисторов R-2R по схеме матрицы напряжений показано на рисунке 1.