Конденсаторный контактор

конденсаторный контактор
конденсаторный контактор

Конденсаторный контактор — специализированный контактор двухступенчатого включения для коммутации конденсаторов в установках компенсации реактивной мощности (УКРМ).

Работа механических контактов на емкостную нагрузку

Работа механического контактора на емкостную нагрузку значительно отличается от работы на активную. Пусковые токи и разрушающее воздействие здесь в сотни раз больше. В момент подключения конденсаторов сопротивление конденсатора близко к нулю и контакты работают практически в режиме короткого замыкания. На время переходного периода (от 1 до 2 мс) возникают токи с высокой амплитудой и частотой (от 3 до 15 кГц). Амплитуда подобных токов, известных как «бросок зарядного тока», зависит от следующих факторов:

  • индуктивность сети
  • мощность трансформатора и напряжение короткого замыкания
  • способ компенсации реактивной мощности
осцилограмма
осцилограмма

Значение пиковой амплитуды тока I max в момент включения зависит от фазы включения и степени разряда конденсатора после предыдущего включения:

  1. — включение разряженного конденсатора — Umax на контактах 510 Вольт (сеть 400 Вольт), Imax — 200 Inom
  2. — включение заряженного конденсатора — Umax на контактах 1020 Вольт (сеть 400 Вольт),Imax — 400 Inom

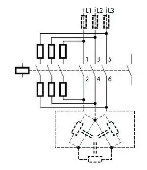
Принцип работы конденсаторного контактора

Для уменьшения пускового тока используются специальные конденсаторные контакторы двухступенчатого включения, снижающие пиковый бросок зарядного тока.

Это обеспечивается вспомогательными контактами предварительного замыкания — так называемыми «предконтактами», включеными последовательно с токоограничивающими резисторами.

Предконтакты с резисторами ограничивают зарядный ток в цепи «контактор—конденсатор» до безопасного уровня. Они замыкаются на 2 мсек раньше основных контактов. Последние обладают малым сопротивлением и подключаются в основном режиме работы контактора, после снижения тока через конденсатор до уровня, близкого к номинальному (менее 10 × Inom).

Использование конденсаторного контактора позволяет коммутировать конденсаторы до 5000 раз в год в соответствии со стандартом IEC 60831-1, а также 2 или 1 раз в 2 часа. Для более высокой частоты коммутации конденсаторов используются другие коммутационные устройства:

  • Тирикон
  • Тиристорный контактор для конденсаторов

Схема устройства

схема конденсаторного контактора

См. также

Литература

  • Геворкян М.В. Современные компоненты компенсации реактивной мощности (для низковольтных сетей).Справочное издание - Москва: Издательский дом " Додэка-XXI ", 2003.- 64 с.