Хронология радио
Хроноло́гия ра́дио — список исторических событий, связанных с радио.
О дате открытия или изобретения радио
В становление радио был внесён вклад многих людей, среди которых признанные учёные, инженеры и просто энтузиасты. Поэтому бессмысленны словосочетания «изобретатель радио» или «изобретение радио», когда хотят приписать первенство какому-либо лицу или установить начальную дату в этой области человеческого знания. Некорректность словосочетания «изобретение радио» отмечали, например, Н. И. Чистяков[1] и Л. Н. Никольский[2][* 1].
По мнению В. И. Шапкина, радио в целом нельзя открыть или изобрести, поскольку это, с одной стороны, наука, где новое теоретическое достижение именуется открытием, а с другой — техника, где новое практическое достижение является изобретением. Однако можно говорить об открытиях и изобретениях в радио раздельно, то есть говорить о научных открытиях в радио, как науки, и об изобретениях в радио, как техники (радиотехника)[6].
Гипотеза о множественных открытиях (изобретениях) допускает, что большинство научных исследований и изобретений делаются независимо и более или менее одновременно несколькими учёными и изобретателями[7]. В 1898 году А. Блондель своим письмом президенту Французского физического общества от 2 декабря 1898 года[8] инициировал среди учёных полемику по вопросу о приоритете в изобретении беспроволочного телеграфа, отдавая предпочтение Г. Маркони[9]. В России вывод о не единственном изобретателе беспроволочного телеграфа был сделан в 1908 году комиссией РФХО под руководством О. Д. Хвольсона. В заключительной части доклада комиссии отмечалось:
Для рассматриваемого дела не имеет значения, существовало ли одновременно с А. С. Поповым лицо, которое имело ту же самую идею и осуществило её в более совершенной форме, чем А. С. Попов. Мы знаем, что такое лицо есть, что оно признаётся изобретателем беспроволочного телеграфа. Но существование нескольких лиц, одновременно и самостоятельно возымевших и осуществивших одну и ту же самую идею, представляется, как показывает история науки и техники, явлением не редким. Признание за каждым из таких лиц права и почётного титула «изобретателя» не только не нарушает справедливости, но необходимо восстанавливает её.
Таким образом, по имеющимся в нашем распоряжении данным, независимо от всяких прочих обстоятельств истории данного изобретения, А. С. Попов по справедливости должен быть признан изобретателем телеграфа без проводов при помощи электрических волн[10].
Н. И. Чистяков в 1990-х годах заметил, что сторонники приоритета А. С. Попова, цитируя заключительную часть доклада комиссии РФХО, исключают все положения (см. первый абзац приведённой выше цитаты), не совпадающие с их концепцией единственности «изобретателя радио»[1].
Л. И. Мандельштам, по инициативе которого создавался сборник статей и документов «Из предыстории радио», в заключительной части введения к сборнику, не называя фамилий «действительных изобретателей радио»[* 2], отмечал:
Заканчивая настоящее введение, я хотел бы выразить надежду, что этот сборник достигнет цели: осветит то положение, которое существовало к моменту, когда радио было изобретено, и покажет, как физическое исследование шаг за шагом подготовляло для него идейную почву. Из приведённых материалов видно далее, как близко подходили исследователи к решению практической задачи. Но было бы, на мой взгляд, ошибочно считать, что всё это в какой бы то ни было мере умаляет заслуги действительных изобретателей радио.
…Настоящим изобретателем по праву должен считаться тот, кто дал идее конкретное осуществление, кто конкретными устройствами слил идею и осуществление в одно органическое целое, после чьих работ не остаётся сомнения в том, что поставленная практическая цель достигнута[12].
В терминологическое определение изобретения как нового значительного явления включаются, с одной стороны, «способ» — преимущественно оригинальная и более или менее общая идея — и, с другой стороны, «устройство» — конкретная реализация способа, в принципе допускающего множество реализаций. Способы часто предлагаются раньше, чем создаются соответствующие устройства, но это не мешает признанию их полноценными изобретениями[13].
В 1990 году Н. И. Чистяков отмечал, что в российской технической и технико-исторической литературе на вопрос, с чего началась радиотехника, распространённый ответ — «с первого в мире радиоприёмника», а передатчик при этом обычно не упоминался. Пренебрежительное отношение к передатчику было необоснованным. Приемлемое определение термина «радиопередатчик» в БСЭ: «…устройство (комплекс устройств), служащее для получения модулированных электрических колебаний в диапазонах радиочастот с целью их последующего излучения (антенной) в виде электромагнитных волн», вполне соответствует передатчику Г. Герца. Там же определение радиоприёмника: «…устройство, предназначенное (в сочетании с антенной) для приёма радиосигналов или естественных радиоизлучений и преобразования их к виду, позволяющему использовать содержащуюся в них информацию», также соответствует назначению и свойствам приёмника Герца[13].
1750—1850
1751—1752 — Бенджамин Франклин предложил для защиты сооружений конструкцию молниеотвода, экспериментальным прототипом для которого стал католический собор в Филадельфии[14].
1752 — Георг Рихман проводит опыты с атмосферным электричеством. От установленного на крыше его дома железного изолированного шеста была проведена в одну из комнат проволока, к концу которой подсоединялась лейденская банка и крепились металлическая шкала с квадрантом и шёлковая нить. По углу отклонения нити от воздействия атмосферного электричества Рихман делал измерения[15].
1789 — Луиджи Гальвани замечает, что порождённая рядом искра вызывает сокращение лапки препарированной лягушки при прикосновении к ней скальпеля.
1791 — в другом эксперименте Луиджи Гальвани замечает сокращение мышцы препарированной лягушки от молнии. Схема эксперимента включала длинный провод, выведенный на крышу здания и провод, соединяющий мышцу с водой в колодце[16].
1820 — Ханс Кристиан Эрстед обнаружил связь между электричеством и магнетизмом в простом эксперименте. Он продемонстрировал, что проволока, по которой течёт электрический ток, вызывает отклонение магнитной стрелки компаса[12].
1820 — Андре-Мари Ампер установил закон взаимодействия электрических токов[12].
1823 — Уильям Стёрджен замечает, что сердечник из мягкого железа внутри катушки с проводом становится сильным магнитом на время прохождения тока и мгновенно теряет это свойство, когда ток прерывается. Он создал первый электромагнит[17].
1825 — появилась работа Ампера «Теория электродинамических явлений, выведенных исключительно на основании опытов»[12].
1826 — Георг Ом открыл основной закон постоянного тока[12].
1831 — Майкл Фарадей начал серию экспериментов, в которых обнаружил явление электромагнитной индукции и дал математическое описание этого явления. Он предположил, что в пространстве вокруг проводника с током действуют особые электромагнитные силы, но не завершил работ, связанных с этим предположением[12].
1835 — Джозеф Генри конструирует устройство для увеличения дальности срабатывания своего телеграфного аппарата. Устройство представляло собой электромагнитный контактный коммутатор электрической цепи, осуществляющий усиление импульсов тока, поступающих на силовой электромагнит телеграфа. Подобное устройство впоследствии получило название реле[18].
1842 — Джозеф Генри публикует свои экспериментальные результаты, показывающие колебательный характер разряда лейденской банки[19][20][21], и описывает, как порождённая искра может намагнитить иглу, окружённую катушкой, на расстоянии 70 м. Он также описывает, как удар молнии на расстоянии 13 км намагничивает иглу, окружённую катушкой, — эффект, который был, скорее всего, вызван электромагнитной волной. В то время Генри считал, что оба эти эффекта из-за электромагнитной индукции.
1845 — Франц Нейман опубликовал работу, в которой он, используя метод Ампера, даёт теоретическое обоснование законов открытой Фарадеем электромагнитной индукции[12].
1845 — следует ряд блестящих открытий Фарадея после его болезни в 1841—1845 годах, в частности, открытие вращения плоскости поляризации света в магнитном поле и открытие диамагнетизма[12].
1846 — Вильгельм Вебер опубликовал фундаментальный закон, который лёг в основу теории, объединяющей электростатику и электродинамику[12].
1850—1890
1851 — Генрих Румкорф запатентовал своё устройство для получения импульсов высокого напряжения, известное под названием «катушка Румкорфа»[22].
1853 — Уильям Томсон вывел условия существования колебательного электрического разряда и формулу для частоты колебаний в цепи, содержащей электрический конденсатор и катушку индуктивности[23][21].
1856 — Сэмюэл Варлей, измеряя электрическое сопротивление смеси металлических опилок с угольным порошком, обнаружил скачкообразное уменьшение его при достижении некоторого порогового напряжения. При встряхивании смеси сопротивление восстанавливалось. Он предложил трубку с контактами по концам, заполненную угольным или металлическим порошком, в качестве предохранителя в телеграфных устройствах от мощных разрядов атмосферного электричества[24][* 3].
1861—1865 — Джеймс Максвелл провёл ряд экспериментов с электромагнитными волнами и на их основе создал теорию электромагнитного поля, которую сформулировал в виде системы уравнений. Максвелл первым понял и оценил идеи и открытия Фарадея. Так, в работе «Динамическая теория магнитного поля» он прямо говорит, что электромагнитную теорию света предложил Фарадей. Отдавая должное Амперу и его методу, Максвелл не скрывает явного предпочтения стилю идей Фарадея и объявляет себя его последователем[12].
1866 — Малон Лумис заявил о том, что открыл способ беспроводной связи. Связь осуществлялась при помощи двух электрических проводов, поднятых двумя воздушными змеями. Один из проводов с размыкающим от земли устройством был передающим, второй — приёмным. При размыкании цепи передающего провода отклонялась стрелка гальванометра в цепи приёмного провода. Лумис установил, что для успешной передачи сигнала имеет значение одинаковая длина проводов[26], полагая, что сигнал передаётся от конца провода через слой электрически заряженного воздуха[27].
1868 — Малон Лумис заявил, что повторил свои эксперименты перед представителями Конгресса США, передав сигналы на расстояние 14—18 миль. В пояснительной записке он указал, что «колебания или волны, распространяясь от источника возмущения вдоль поверхности Земли подобно волнам в озере, достигают удалённый пункт и вызывают колебания в другом проводнике, которые могут быть обнаружены индикатором»[26].
1872 — 30 июля Малон Лумис получил патент США № 129971 «Улучшение в телеграфии» на беспроводную связь. Хотя президент США подписал закон о финансировании опытов Лумиса, финансирование так и не было открыто[26]. Достоверных данных о характере экспериментов Лумиса, равно как и чертежей его аппаратов, не сохранилось. Американский патент также не содержит детального описания устройства.
1873 — Уильям Крукс впервые ввёл в обращение термин «радио». В ходе химических экспериментов Крукс сконструировал прибор для измерения теплового и светового излучения и дал ему название «радиометр»[28].
1874 — Карл Фердинанд Браун обнаружил одностороннюю электрическую проводимость некоторых минеральных кристаллов[29]. Точечный контакт металл — полупроводник выпрямлял переменный ток[30].
1875 — Элиу Томсон провёл эксперименты и в начале 1876 года опубликовал результаты по передаче энергии без проводов. Передатчиком служила катушка Румкорфа с искровым разрядником и длиной искры 5 см. Один конец её вторичной обмотки был присоединён к водопроводной трубе, а другой — при помощи проволоки длиной 1,5 метра — к изолированному от стола жестяному сосуду. Приёмником электромагнитных волн был заострённый металлический стержень, приближенный к какому-либо металлическому предмету, — в малом искровом промежутке при включении передатчика проскакивали искры[31][32][33][21].
1876 — Томас Эдисон усовершенствовал приёмник Элиу Томсона, поместив два заострённых стержня в зачернённую изнутри коробку. Один из стержней за пределами коробки оканчивался полым металлическим шаром, второй имел винт для регулировки зазора. Томсон отмечает, что искры в приёмнике при работе передатчика обнаруживались между этажами внутри здания на расстоянии около 90 футов (примерно 25 м[21])[31][32][34].
1879 — Дэвид Хьюз в своих экспериментах соединяет угольный микрофон собственной конструкции с телефоном и обнаруживает, что создаваемые на некотором расстоянии искровые разряды от индукционной катушки порождают щелчки в телефоне. Экспериментируя с заземлением передающего и приёмного устройств, а также с подобием антенны в передающем устройстве, он прослушивает щелчки на расстоянии более 400 м[* 4]. В декабре 1879 года демонстрирует свои опыты членам Королевского общества, в том числе сэру У. Круксу и У. Прису — на них опыты произвели сильное впечатление. В феврале 1880 года состоялась ещё одна демонстрация, где присутствовали президент общества Уильям Споттисвуд и почётные секретари Томас Гексли и Джордж Стокс, но его убеждают, что это всего лишь электромагнитная индукция. Хьюз так и не опубликовал своего открытия. Лишь в 1899 году его уговорили написать отчёт об опытах 1879—1880 годов[36][35][25].
1883 — Джордж Фрэнсис Фицджеральд предложил использовать эфирные колебания в качестве источника максвелловских волн. Однако он не представлял, как эти волны зарегистрировать, а потому ограничился чистой теорией.
1884 — Фемистокл Кальцекки-Онести исследует и более точно измеряет электрическое сопротивление металлических опилок в эбонитовой и стеклянной трубке. Подобная трубка впоследствии получила наименование когерер. Под действием электрических процессов при размыкании цепи, содержавшей индуктивность и трубку с опилками, сопротивление опилок значительно уменьшалось[37][25].
1885 — Эдисон подаёт патентную заявку на «передачу без проводов сигналов азбуки Морзе», например, для связи движущего поезда со станциями или в мореплавании, посредством, как объяснял автор, «электростатической индукции». В мае 1886 года Эдисон подаёт заявку на беспроводную телеграфную связь берега с кораблём и между кораблями. Патент США № 465971 «Способ передачи электрических сигналов» был получен в декабре 1891 года[27] — этот патент в 1903 году вынужден был купить Гульельмо Маркони[13].
1886—1888 — Генрих Герц экспериментально подтвердил теорию Максвелла. Для получения электромагнитных колебаний с большой частотой он воспользовался известным явлением колебательного электрического разряда. Для этого им были сконструированы передатчик, включающий в себя источник питания постоянного тока, катушку Румкорфа и антенну направленного действия — симметричный вибратор[* 5], и простейший приёмник в виде металлической рамки с малым искровым промежутком, выполнявшим функции индикатора (детектора) волн[40]. Другой вариант приёмника представлял вибратор, как у передатчика, но с малым искровым промежутком[41]. Герц обнаружил стоячие электрические волны в пространстве и продемонстрировал, что создаваемое электромагнитное поле обладает всеми свойствами волн, которые стали называть «волнами Герца». Он убедился в том, что законы отражения и преломления электромагнитных волн невидимого спектра подчиняются законам геометрической оптики видимого спектра[* 6]. Герц показал, что уравнения, описывающие электромагнитное поле, можно переформулировать в виде дифференциального уравнения в частных производных, названного волновым уравнением.
1889 — Оливер Лодж экспериментирует с аналогичными приборами из установки Герца[44], при этом в качестве антенны приёмника он использует не рамку, а вибратор, как в передатчике. Для повышения чувствительности приёмника он так уменьшает искровой промежуток у вибратора приёмника, что после электромагнитного воздействия электроды вибратора замыкаются (сцепляются). Такие приёмники Лодж называл когерерами (лат. cohaerere — сцепляться). Для размыкания электродов требовалось лёгкое встряхивание. Подключив к электродам вибратора источник питания и электрический звонок, Лодж обеспечил звуковую индикацию принятой электромагнитной волны[45], но когерер с единичным контактом был нестабилен в работе и сложен в регулировке из-за малости искрового промежутка[13].
1889 — Элиу Томсон в лекции «О переменных токах и электрических волнах», прочитанной в Линне, одним из первых высказал мысль о практическом использовании электромагнитных волн для связи[46].
1890—1895
1890 — Эдуард Бранли изобрёл прибор для регистрации электромагнитных волн, названный им «радиокондуктор». Прибор представлял собой стеклянную или эбонитовую трубку с металлическими опилками, которая включалась в схему с источником питания, гальванометром и ограничивающими ток проволочными резисторами. При электрическом разряде электрофорной машины или катушки Румкорфа сопротивление опилок резко уменьшалось. Гальванометр реагировал на разряды катушки Румкорфа на расстоянии более 20 м, при ручном встряхивании радиокондуктора стрелка гальванометра возвращалась в исходное положение. В своих опытах Бранли использовал антенны в виде отрезков проволоки, подключая их к одному из выводов радиокондуктора[25][47].
1890 — Лодж признал «трубку Бранли» наиболее подходящим индикатором «волн Герца» из имеющихся на то время. Как и для своих приёмников с одиночным контактом, он дал ей наименование «когерер»[48] и ввёл в свою схему с приёмным вибратором Герца вместо искрового промежутка, получив более устойчивую и надёжную[* 7] работу приёмника[45].
1890 — Яков Наркевич-Иодко применил для регистрации грозовых разрядов прибор, имеющий антенну, заземление и телефонную трубку. Прибор позволял регистрировать электрические разряды в атмосфере на расстоянии до 100 км[49][* 8].
1890 — Орест Хвольсон в заключительном абзаце статьи об опытах Герца в журнале «Электричество» писал: «Опыты Герца пока кабинетные, но что из них разовьётся дальше и не представляют ли они зародыш новых отделов электротехники — этого решить в настоящее время невозможно». Редактор снабдил эти слова сноской: «Например, телеграфия без проводов наподобие оптической»[42][46].
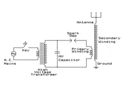
1891, 25 апреля — Никола Тесла получил патент США № 454622 на устройство для получения электромагнитных колебаний. В состав устройства входили: источник питания постоянного тока, управляющий ключ, катушка Румкорфа, электрический конденсатор, разрядник и высоковольтный трансформатор. Впервые в передатчике электромагнитных колебаний было реализовано явление электрического резонанса[51].
1891—1892 — Уильям Прис успешно экспериментировал с индукционной передачей телеграфных сигналов между прибрежными приёмно-передающими станциями (в том числе через Бристольский залив), расположенными на расстоянии друг от друга около 5 км[52].
1892 — Уильям Крукс публикует статью[53], в которой он впервые системно описал принципы передачи информации с помощью электромагнитных волн. Некоторые авторы считают, что Уильям Крукс открыл миру радио как науку[54]. Публикация считается отправной для истолкования понятия «радио». Такие заявленные по тексту термины, как генерирование, диапазон, чувствительность, избирательность и прочие, впоследствии стали общеупотребительными[28]. В статье Крукс, в частности, пишет (перевод Л. В. Гессен)[55]:
Лучи света не могут проникать ни через стену, ни, как мы слишком хорошо знаем, через лондонский туман. Но электрические колебания, о которых я говорил, с длиной волны в один ярд и более, легко проникнут через такие среды, являющиеся для них прозрачными. Здесь открывается поразительная возможность телеграфирования без проводов, телеграфных столбов, кабелей и всяких других дорогостоящих современных приспособлений. Допуская несколько приемлемых постулатов, мы можем рассматривать всё это как находящееся в области возможного осуществления.
…Это не просто грёзы мечтательного учёного. Всё необходимое, что нужно для реализации этого в повседневной жизни, находится в пределах возможностей открытия и всё это так разумно и ясно в ходе тех исследований, которые деятельно ведутся сейчас в каждой европейской столице, что в любой день мы можем услышать о том, как из области рассуждений это перешло в область неоспоримых фактов.
Крукс указал на необходимость использования радиоволн разной длины и настройки радиопередатчика и радиоприёмника на выбранные длины волн, отметил применение направленных антенн, азбуки Морзе, засекречивания радиограмм посредством кодирования. Способ телеграфирования без проводов был описан Круксом в более развитой форме, чем он был в 1895—1896 годах реализован в устройствах[13].
1892 — Элиу Томсон запатентовал конструкцию дугового генератора незатухающих электромагнитных колебаний с частотой до 50 кГц[56].
1893 — Тесла в США читает лекции слушателям Института Франклина в Филадельфии и Национальной ассоциации электрического освещения в Сент-Луисе[57]. Он демонстрирует изобретённую им в 1891 году техническую систему с резонанс-трансформатором, предполагая использование подобных устройств для беспроводного освещения и электрораспределительных систем и, как побочный аспект, для беспроводной связи. Тесла показал в деталях принципы передачи электрических сигналов через эфир. Существует мнение, что в Сент-Луисе Тесла представил первую публичную демонстрацию настроенных высокочастотных колебаний для беспроводной связи[58]. Приёмником электромагнитных колебаний служила настроенная в резонанс с антенной катушка с ярко вспыхивавшей при наличии сигнала трубкой Крукса (см. Катодные лучи)[59].
1893 — Аугусто Риги подтверждает исследования и выводы Герца относительно свойств электромагнитных волн. Он усовершенствовал передающую часть экспериментальной установки Герца с целью повышения частоты электромагнитных колебаний и защиты элементов от обугливания и обгорания при образовании искры[60][61].
1894, 1 июня — Лодж читает лекцию, посвящённую памяти Герца, умершего 1 января 1894 года, и демонстрирует оптические свойства электромагнитных волн, в том числе передачу их на небольшое расстояние, используя в качестве устройства для их обнаружения (детектора) улучшенную версию «трубки Бранли», которой Лодж дал наименование когерер. Материалы лекции под наименованием «Работы Герца» были опубликованы в распространяемых во многих странах мира журналах Nature (см. русский перевод под наименованием «Творение Герца»[48]) и The Electrician и неоднократно переиздавались впоследствии, что явилось стимулом для изобретательской деятельности в разных странах[62]. Риги после этих публикации проводил опыты уже с когерером и электрическим звонком, включёнными последовательно в цепь приёмного резонатора Герца[61].
1894, 14 августа — Лодж демонстрирует опыты по передаче и приёму электромагнитных волн в театре Музея естественной истории Оксфордского университета. При демонстрации сигнал был отправлен из лаборатории в соседнем Кларендоновском корпусе и принят прибором в театре на расстоянии 40 м. Для воспроизведения сигналов служил электрический звонок или гальванометр[48][45].
1894, ноябрь — Джагдиш Чандра Бос, основываясь на публикациях Лоджа, начинает эксперименты, в ходе которых ему удалось получить электромагнитные волны длиной примерно 5 мм (микроволновый диапазон)[63]. В качестве детектора электромагнитных волн он впервые использовал кристаллы[64][* 9].
1895 — Пётр Лебедев публикует статью, где описывает созданные им приборы для получения электромагнитных волн длиной 6 мм, что позволило ему с небольшими рефлекторами и другими устройствами провести исследования по распространению этих волн в кристаллах[66].
1895—1900
1895, 25 апреля (7 мая) — Александр Попов на заседании Русского физико-химического общества (РФХО) в Санкт-Петербурге читает лекцию «Об отношении металлических порошков к электрическим колебаниям» с демонстрацией воспроизведённых опытов Лоджа. Прибор, принимающий электромагнитные волны, был усовершенствован Поповым и его помощником П. Н. Рыбкиным — особенностью стал молоточек, встряхивавший когерер и работавший не от часового механизма, как у Лоджа, а от принятого сигнала[2]. Кроме того, было введено реле, повышающее чувствительность и стабильность работы прибора. Для получения электрических разрядов при демонстрации использовалась электрофорная машина. Согласно протоколу заседания РФХО прибор Попова был предназначен «для показывания быстрых колебаний в атмосферном электричестве»[67]. В мае 1895 года прибор был приспособлен для улавливания атмосферных электромагнитных волн на метеостанции Лесного института и получил название «разрядоотметчик» (впоследствии, «грозоотметчик»)[68].
1895 — Эрнест Резерфорд опубликовал результаты своих экспериментов по обнаружению радиоволн на расстоянии 1,2 км от источника. Для приёма радиоволн Резерфорд дополнил резонатор Герца катушкой из тонкой проволоки с намагниченной стальной иглой внутри. Под действием принятых радиоволн игла размагничивалась — это показывал магнитометр[69].
1896, январь — Попов публикует статью в журнале РФХО[70]. В статье (датированной декабрём 1895 года) приведена полная схема и подробное описание принципа действия прибора Попова. В статье говорится, что прибор на открытом воздухе принимал электромагнитные колебания от «большого» вибратора Герца с масляным разрядником на расстоянии около 60 м. В заключение автор выражает надежду, что «прибор, при дальнейшем усовершенствовании его может быть применён к передаче сигналов на расстояния при помощи быстрых электрических колебаний, как только будет найден источник таких колебаний, обладающий достаточной энергией»[2].
1896, 2 апреля — Владимир Скобельцын делает доклад в Электротехническом институте в Санкт-Петербурге о приборе Попова с демонстрацией аналогичного прибора собственного изготовления. Схема прибора Попова была дополнена двумя проволочными резисторами (с некоторой индуктивностью, на что Скобельцын не обратил внимания), подключёнными к выводам когерера последовательно с обмоткой реле. Прибор показал хорошую чувствительность: источник электромагнитных колебаний — катушка Румкорфа с вибратором Герца — находился на расстоянии около 40 м в соседнем здании[71].
1896, 2 июня — Гульельмо Маркони подаёт заявку на получение патента Великобритании с формулировкой «Усовершенствования в передаче электрических импульсов и сигналов и в аппаратуре для этого»[72].
1896, 2 сентября — Маркони демонстрирует свою аппаратуру в местечке Солсбери под Лондоном при большой аудитории с участием представителей армии и флота. С трёхметровой наружной антенной приёмник принимал сигнал на расстоянии до 0,5 км. Передатчик и приёмник с параболическими рефлекторами показали дальность связи 2,5 км[4].
1896 — Джагдиш Чандра Бос отправился в Лондон для проведения цикла лекций и встретился с Маркони, который проводил эксперименты по беспроводной связи для британского почтового ведомства.
1897, 2 марта — Маркони оформляет дополнение к патентной заявке от 2 июня 1896 года.
1897, 31 марта — Попов читает лекцию в Кронштадтском морском собрании при большом стечении военных и гражданских лиц и демонстрирует передачу и приём сигнала в пределах здания[73].
1897, май — Прис проводит сравнительные испытания аппаратуры Маркони и собственной аппаратуры, основанной на индукционной передаче сигналов. Испытания проводились в Бристольском заливе, причём впервые — над водной поверхностью для аппаратуры Маркони. Они показали полное превосходство над аппаратурой Приса. Попутно выяснилось, что электромагнитные колебания распространяются над водой с меньшими потерями, чем над землёй. Поэтому и был установлен новый очередной рекорд дальности связи 14 км[74][75].
1897 — Карл Фердинанд Браун обнаружил возможность слухового приёма на телефон при использовании угольного детектора[76]. Он проводил исследования свойств полупроводников и ранее, но, возможно, это был первый приёмник с полупроводниковым детектором и телефоном[13]. В этом же году Браун совершенствует схему искрового передатчика. Он вводит замкнутый настраиваемый контур в генерирующей части передатчика, разделяя его с передающей частью (антенной) посредством индуктивной связи.
1897, 2 июля — Маркони получает патент Великобритании № 12039 «Усовершенствования в передаче электрических импульсов и сигналов и в аппаратуре для этого» с приоритетом от 2 июня 1896. Патент Маркони представляет двухконтурную систему, в которой высокочастотные колебания, возникшие в передающем антенном контуре, обнаруживаются прибором, подключённым непосредственно к приёмному антенному контуру[77]. Передатчик включал в себя: передающую антенну, осциллятор Риги[61], источник питания постоянного тока и телеграфный ключ. Приёмник включал в себя: приёмную антенну, вакуумный когерер с металлическим порошком из смеси серебряных и никелевых опилок с добавлением ртути, дроссельные катушки, разделяющие высокочастотную и низкочастотную часть приёмной цепи, приёмное реле для управления телеграфным аппаратом, электромеханический ударник для встряхивания когерера от принятого сигнала и два источника питания постоянного тока[78].
1897, 6 июля — Маркони на итальянской военно-морской базе Ла Специяна передаёт своей аппаратурой фразу «Viva l’Italia» («Да здравствует Италия») на расстояние 18 км[74].
1897, 7 октября — Адольф Слаби установил радиосвязь на расстоянии 21 км между Шёнебергом и Рангсдорфом (пригород Берлина). Решающим усовершенствованием в таком достижении было не качество искрового передатчика и передающей антенны, как у Маркони, а введение индуктивности в антенную цепь приёмника для повышения его чувствительности[79].
1897, 19 октября — Попов выступает с докладом «О телеграфировании без проводов» в Электротехническом институте Санкт-Петербурга[* 10]. В конце доклада он признаёт: «Здесь собран прибор для телеграфирования. Связной телеграммы мы не сумели послать, потому что у нас не было практики, все детали приборов ещё нужно разработать»[81].
1897, 5 ноября — Эжен Дюкрете, используя созданные им приборы для беспроводной телеграфии[82], устанавливает связь между Эйфелевой башней и зданием Пантеона на расстоянии 4 км. 19 ноября 1897 года он демонстрирует работу этих устройств на заседании Французского физического общества. С января 1898 года Дюкрете по своей инициативе начинает переписку с Поповым, в сотрудничестве с которым он был заинтересован[83].
1897, ноябрь — Маркони строит радиостанцию на острове Уайт.
1897, 19 декабря — газета «Петербургский листок» сообщает о беспроводной передаче телеграфного сигнала Поповым 18 декабря 1897 года из здания химической лаборатории Петербургского университета в аудиторию физического кабинета в другом здании, где проходило заседание РФХО. В заметке сообщалось, что после того, как ассистент Попова Рыбкин ушёл на «станцию отправления», «ровно через 10 минут <…> на ленте обычной телеграфной азбукой обозначилось слово „Герц“»[84][2][* 11].
1897, 23 декабря — в Петербургском университете в присутствии высшего морского начальства Поповым была повторена лекция «О телеграфировании без проводников». Доклад закончился успешным приёмом сигнала из четырёх букв от передающей станции на расстоянии около 230 м[85].
1898 — Маркони открыл первый завод по производству своей аппаратуры в Англии, на котором работало около 50 человек. Исследовательская группа Маркони усовершенствовала трансформаторное подключение к антенному контуру Теслы, введя между трансформатором и когерером разделительный конденсатор, что повысило чувствительность и избирательность приёмника. Схема с таким включением конденсатора получила название «джиггер». Патентная заявка на усовершенствование поступила 1 июня 1898 года, патент Великобритании № 12326 был получен 1 июля 1899[86].
1898, 16 августа — Лодж получил патент № 609154, в описании которого предлагалось «использовать настраиваемую индукционную катушку или антенный контур в беспроводных передатчиках или приёмниках, или в обоих устройствах»[27].

1899 — Браун получил патенты в ряде европейских стран на так называемую «сложную схему», в которой искровой разрядник в передатчике вынесен из цепи антенны в отдельный колебательный контур. Это повысило КПД передатчика и позволило эффективно использовать явление резонанса, то есть телеграфировать в узкой полосе частот, уменьшив взаимные помехи между разными станциями[87].
1899 — П. Н. Рыбкин и Д. С. Троицкий[* 12] на аппаратуре, изготовленной в «Опытной механической и водолазной мастерской» Е. В. Колбасьева, обнаруживают возможность приёма сигнала от передатчика на телефон (на слух) при недостаточном для срабатывания когерера уровне сигнала[* 13]. Приёмник по такой схеме был запатентован Поповым в Великобритании, во Франции и в России и получил название «телефонный приёмник депеш»[29]. В августе — сентябре 1899 года Попов, Рыбкин и Колбасьев участвовали в испытаниях трёх станций беспроводного телеграфа, приобретённых у фирмы Дюкрете и установленных на кораблях Черноморского флота[89].
1899 — Джагдиш Чандра Бос объявил об изобретении «железо-ртутно-железного когерера с телефонным детектором» в докладе, представленном в Лондонское королевское общество[90].
1889 — Артур Венельт изобрёл электролитический прерыватель для катушки Румкорфа, позволивший значительно увеличить мощность искровых передатчиков[91].
1900—1910
1900 — аппаратура фирмы Дюкрете обеспечивала беспроводную связь для содействия операции по спасению броненосца «Генерал-адмирал Апраксин», севшего на камни у острова Гогланд[92]. Одна станция была установлена на острове Гогланд, другая — на расстоянии около 46 км на острове Кутсало (вблизи Котки). Использовались телефонные приёмники, изготовленные в мастерской Колбасьева, для приёма телеграфного сигнала на слух[* 14]. Руководителем всех работ был капитан 2 ранга И. И. Залевский — он же руководил возведением станции на Гогланде. Работами на Кутсало руководил лейтенант А. А. Реммерт. В работах принимали участие Рыбкин и Попов. Приём на Гогланде одного из первых сообщений ледоколу «Ермак» помог спасению финских рыбаков с оторванной льдины в Финском заливе.
1900 — Морской технический комитет инициировал создание при Кронштадтском порте мастерской по изготовлению, ремонту и проверке приборов для станций беспроволочного телеграфа. Руководителем мастерской был назначен Е. Л. Коринфский[93].
1900 — Реджинальд Фессенден начинает эксперименты по беспроводной передаче звуковых сигналов. Он впервые поместил в передатчике угольный микрофон в цепь искрового генератора и антенны. Метод стал называться «амплитудная модуляция» (АМ)[28]. В приёмнике отсутствовали реле и когерер — для приёма сигнала использовался сначала изобретённый Фессенденом бареттерный, а затем электролитический детектор[94]. Звуковой сигнал принимался с большими искажениями, поэтому в дальнейшем Фессенден отказался от искрового генератора и начал обдумывать систему передачи на основе незатухающих электромагнитных колебаний[28].
1900, апрель — Маркони получает патент Великобритании № 7777 на «джиггерную» (резонансную) схему передатчика. Однако его аналогичная патентная заявка в США была отклонена со ссылкой на существующее техническое решение Теслы, защищённое патентом в 1891 году.
1900 — аппаратура фирмы Дюкрете была дополнена запатентованным Поповым телефонным приёмником для приёма телеграфных сигналов на слух, выпускавшимся под торговой маркой «Попов — Дюкрете»[82].
1900 — Вильям Дуддель предложил использовать свойства дуговой лампы и генерировать в присоединённом к ней колебательном контуре незатухающие колебания. В первом варианте дуговой генератор Дудделя возбуждал колебания звуковых частот, но в дальнейшем удалось получать колебания и более высоких частот[95][56].
1901 — Джагдиш Чандра Бос впервые запатентовал кристаллический детектор[96].
1901, ноябрь — Тесла предложил в своём британском патенте использовать в приёмном устройстве прерыватель тока (тиккер), обеспечивающий приём на слух телеграфных сигналов от передатчика незатухающих электромагнитных колебаний[56].
1901, декабрь — Маркони заявил, что принял в Сент-Джонсе (Ньюфаундленд) телеграфный сигнал, переданный из Корнуолла (Великобритания). Однако возможность такого приёма с имевшимся на тот момент оборудованием у Маркони подвергалась сомнению и обсуждается до сих пор[97][98].
1902 — Оливер Хевисайд, исследуя возможность распространения радиоволн вокруг Земли в эксперименте Маркони в 1901 году, предположил существование в земной атмосфере ионизованного слоя. Независимо от Хэвисайда к таким же выводам почти одновременно пришёл американский инженер-электрик Артур Кеннелли. Существование такого слоя было доказано в 1924 году британскими учёными Э. Эпплтоном и М. Барнеттом[99].
1902 — Вальдемар Поульсен запатентовал конструкцию дугового генератора незатухающих электромагнитных колебаний с использованием специально подобранной газовой среды для увеличения частоты колебаний[56].
1903 — башня «Уорденклиф» по проекту Теслы близка к завершению. Существуют различные теории относительно того, как Тесла намеревался построить свою беспроводную систему связи (сообщалось о мощности в 200 кВт). Тесла утверждал, что башня «Уорденклиф» как часть мировой системы передатчиков позволила бы обеспечить надёжный многоканальный приём и передачу информации, общемировую навигацию, синхронизацию часов, а также глобальную систему определения координат[100].
1903 — Международная конференция по беспроволочной телеграфии (прошедшая летом этого года в Берлине[101]) рекомендует к употреблению термины «радиотелеграфия» и «радиосвязь» вместо применявшихся терминов «беспроволочная телеграфия» и «беспроводная связь»[102][2].
1904 — Джон Флеминг изобрёл первую радиолампу (диод) — в ней накалённая нить была источником электронов (катод), а на второй электрод (анод) подавался небольшой положительный потенциал[103].


1906, 14 января — Реджинальд Фессенден осуществил первую двустороннюю трансатлантическую телеграфную связь между построенной станцией в Брант Роке (штат Массачусетс) и идентичной станцией в Махриханише (Шотландия) с использованием своего роторно-искрового передатчика. Телеграммы шли в обе стороны без ошибок, однако попытки транслировать через океан музыку и речь были безуспешными. В ходе экспериментов выяснилось, что длинные волны менее подвержены затуханиям в тёмное время суток, поэтому для сверхдальней связи оказался более благоприятным зимний период, когда дни короче. Связь действовала до 5 декабря 1906 года, после чего на европейском берегу порывом ветра снесло антенную мачту. Накопленный Фессенденом опыт впоследствии помог Маркони избежать многих ошибок при введении в эксплуатацию системы телеграфной связи между Америкой и Европой[28].
1906 — Роберт фон Либен запатентовал «катодно-лучевое реле» с магнитным отклонением луча, сконструированное им на основе катодной трубки Брауна — Венельта. В его патенте впервые сформулирован принцип усиления электрического сигнала в вакуумной электронной лампе. Однако эта лампа имела (кроме катода и анода) ещё и магнитную катушку, что не позволяло назвать её трёхэлектродной лампой, которая впоследствии стала доминирующей в радиотехнике[104].
1906, 24 декабря — Фессенден, используя электромашинный генератор переменного тока Эрнста Александерсона (альтернатор Александерсона) частотой около 50 кГц и ранее построенную антенну в Брант Роке высотой 128 м[94], осуществил первую радиопередачу звукового сигнала[105]. По воспоминаниям Фессендена в 1932 году, короткая программа включала арию Ксеркса из оперы Генделя «Ксеркс» с фонографа, песню «O Святая ночь» в собственном исполнении на скрипке, а также чтение отрывка из Библии[94].
1907 — Маркони создал первую постоянно действующую трансатлантическую линию беспроводного телеграфа от Клифдена (Ирландия) до Глейс Бей (Новая Шотландия).
1907 — Ли де Форест получил патент на трёхэлектродную лампу, которую он назвал «аудион». Аудион Фореста не только детектировал принимаемый сигнал, но и давал некоторое усиление. Идея Фореста с третьим, управляющим электродом послужила толчком к дальнейшему развитию вакуумных электронных ламп. Например, Роберт фон Либен, узнав об изобретении аудиона, отказался от магнитной катушки и начал вводить в свои «катодные реле» управляющий электрод. Электронные лампы того времени были «мягкие», то есть с относительно малым разрежением внутри лампы, из-за чего в их работе большую роль играла вторичная ионизация, отрицательно влияющая на электрические характеристики[104].
1909 — Маркони и Карл Фердинанд Браун были удостоены Нобелевской премии по физике за «выдающийся вклад в развитие беспроводной телеграфии».
1909, апрель — Чарльз Геррольд построил радиостанцию. В ней использовалась технология с искровым разрядником, но несущая частота модулировалась голосом, а затем и музыкой. Эта радиостанция, названная «San Jose Calling», впоследствии превратилась в радиостанцию KCBS в Сан-Франциско. Геррольд, сын фермера из долины Санта-Клара, ввёл термины «узкое распространение» (narrowcasting) и «широкое распространение» (broadcasting), соответственно, для определения радиопередач, предназначенных для одного получателя, например, на борту судна, или для широкой аудитории. В английском языке термин «broadcasting» использовался в сельском хозяйстве и означал разбрасывание семян в разных направлениях. В дальнейшем этот термин прочно связался с радио (в русском языке используется термин «радиовещание»[* 15]), а затем и с телевидением. Геррольд не претендовал на первенство в передаче человеческого голоса по радио, но он претендовал на первенство в организации радиовещания. Чтобы радиосигнал распространялся во всех направлениях, он разработал всенаправленные антенны, которые монтировались на крышах зданий в Сан-Хосе. Геррольд также претендовал на первенство в допущении рекламы в радиовещании, хотя реклама, как правило, предполагает платные объявления. Он изменил интерес населения к местному магазину звукозаписи проигрыванием записей на своей станции.
1910—1930
1912 — в ночь с 14 на 15 апреля затонул трансатлантический лайнер «Титаник». Беспроводная связь обеспечила передачу с тонущего лайнера сигнала бедствия (SOS). В ходе расследования катастрофы в США был инициирован законопроект и в 1912 году был принят федеральный закон, предписывающий всем радиостанциям иметь лицензию правительства США, а также обязывающий постоянный мониторинг морскими судами частот передачи сигнала бедствия и поддержание круглосуточной связи с ближайшими судами и береговыми радиостанциями.
1912 — почти одновременно предложили схемы ламповых генераторов незатухающих колебаний австриец Мейснер и англичанин Генри Роунд, а вслед за ними канадец Колпитц и американец Хартли. Такие генераторы давали значительно более чистый сигнал, чем используемые тогда дуговые и электромашинные передатчики[108].
1913 — Маркони положил начало первой дуплексной трансатлантической беспроводной связи между Северной Америкой и Европой.
1913 — созвана Международная конференция по охране человеческой жизни на море, которая подготовила соглашение, требующее обеспечения круглосуточной работы судовых радиостанций.
1913, октябрь — Эдвин Армстронг подаёт заявку на патент «Система для беспроводного приёма» (англ. Wireless Receiving System), где описывается изобретённый им регенеративный радиоприёмник, обеспечивающий большое усиление за счёт положительной обратной связи[108].
1914, октябрь — Армстронг получает патент на своё изобретение, которое быстро приобрело известность среди радиолюбителей как «обратная связь Армстронга»[108].
1915 — Джон Карсон изобрёл амплитудную модуляцию с одной боковой полосой для передачи нескольких телефонных разговоров по одной линии связи[109]. Это изобретение не использовалось в радиовещании из-за необходимого усложнения бытовых радиоприёмников, однако впоследствии стало широко применяться в профессиональной и любительской радиосвязи, а также в системах многоканальной связи и в телевизионном вещании.
1917 — Люсьен Леви запатентовал принцип преобразования частоты принимаемого сигнала в промежуточную частоту, сигнал с этой частотой выделялся колебательным контуром, а затем детектировался[108].
1918 — Армстронг, воспользовавшись идеей Леви, установил на входе приёмника преобразователь частоты и получил значительный выигрыш в усилении сигнала, так как ламповый усилитель приёмника стал работать на более низкой промежуточной частоте. Армстронг назвал этот приёмник супергетеродином[108].
1919 — 28 февраля состоялась первая радиопередача голосового сообщения из Нижегородской радиолаборатории. Приёмная станция находилась на расстоянии 4 км[110].
1920 — начало АМ-радиовещания (США)[111].
1922 — на вооружение в Красной армии была принята первая ламповая радиостанция — «АЛМ» («Армейская ламповая Минца»). Её создателем был А. Л. Минц[112].
1924 — начало АМ-радиовещания в СССР[106][111]. Постановлением СНК СССР от 28 июля впервые установлен порядок пользования «частными приёмными радиостанциями». На установку радиоприёмника отныне требовалось разрешение органов Наркомата почт и телеграфов, за пользование им взималась абонентская плата. Вводились некоторые ограничения, например, запрещалось записывать и распространять содержание служебных радиопередач и передач иностранных радиостанций[113].
1926 — в СССР узаконена любительская радиосвязь. Постановлением СНК от 5 февраля установлен порядок регистрации и эксплуатации не только приёмных, но и передающих частных радиостанций (ранее изданное постановление от 28 июля 1924 года утратило силу)[114].
1928, 12 июня — вышла в эфир первая телевизионная станция WCFL с механической развёрткой[115]. Её создателем был Улисс Санабриа[116].
1929, 19 мая — впервые для передачи сигналов изображения и звука использован один диапазон радиоволн (станция WCFL передаёт изображение, а радиостанция WIBO — звуковое сопровождение).
1929 — первое собрание Международного консультативного комитета по радио (МККР), на котором был принят ряд рекомендаций по вопросам измерений частоты и стабильности передатчиков, распределения полос частот, ограничения мощности передатчиков, исключения из использования искровых передатчиков[117].
1930—2000
1930 — компания Motorola выпустила первый автомобильный радиоприёмник.
1931 — начало регулярного телевизионного вещания в СССР на средних волнах с механической развёрткой[118].
1933 — патрульные полицейские автомобили в г. Байонне (Нью-Джерси, США) впервые оснащены двусторонней радиосвязью.

1933 — Армстронг предложил использовать для радиовещания широкополосную частотную модуляцию (ЧМ), получив к этому времени четыре патента по результатам своих исследований[108][* 16]. Широкополосная ЧМ уменьшала влияние помех от атмосферного электричества или работающего электрооборудования (например в автомобиле)[108].
1941 — компания Motorola начала серийное производство радиостанции SCR-536 — первого носимого приёмопередатчика, который можно было держать в одной руке.
1941 — начало ЧМ-радиовещания (США)[111].
1946 — начало ЧМ-радиовещания в СССР[111]. Первая радиовещательная станция в Москве на метровых волнах с частотной модуляцией (МВ ЧМ)[120] имела мощность 1 кВт на частоте 46,5 МГц[121].
1950 — началось регулярное телевизионное вещание в цвете (США). С 1951 по 1953 год производство цветных телевизоров в США было законодательно запрещено (формально — для экономии стратегического сырья в связи с войной в Корее).
1952 — 7 ноября Ленинградский телецентр провёл первую пробную цветную передачу. Экспериментальное цветное вещание в Ленинграде и Москве продолжалось до 1955 года и было свёрнуто ввиду бесперспективности применявшейся системы последовательной передачи цветов. Передачи можно было смотреть в нескольких особых ателье, где были установлены специальные телевизоры.
.jpg)
1954 — американская фирма IDEA совместно с Texas Instruments выпустила на рынок первый коммерческий транзисторный радиоприёмник Regency TR-1.
1961 — число телевизионных приёмников в мире достигло 100 миллионов[122].
1963, 17 января — первый сеанс спутникового радиовещания между США и Южной Америкой, 12-минутная магнитофонная запись была передана из штата Нью-Джерси через спутник-ретранслятор на мобильную радиостанцию в Рио-де-Жанейро (Бразилия)[123].
1963 — запущен первый спутник радиосвязи TELSTAR.
1967 — в СССР введена в эксплуатацию спутниковая система дальней космической радиосвязи «Орбита», обеспечивающая, кроме прочего, передачу общесоюзной программы телевидения для регионов Сибири и Дальнего Востока[111].
1987 — запущен комплекс спутников, обеспечивающих работу спутниковой навигационной системы GPS.
1995 — по решению ЮНЕСКО отмечался 100-летний юбилей создания практической системы передачи и приёма сигналов с помощью электромагнитных волн. В принятой Генеральной конференцией ЮНЕСКО в 1993 году резолюции «Празднование столетия радио» говорилось: «…это важное открытие и развитие радио благодаря усилиям ряда учёных и инженеров, которые заложили основу современной радиотехники и наиболее популярных средств массовой коммуникации, следует рассматривать как общее наследие человечества»[124].
См. также
Примечания
Комментарии
- ↑ Утвердившееся в русской и зарубежной литературе словосочетание «изобретение радио» было введено в 1945 году советским учёным-радиотехником А. И. Бергом[3][4]. В 1925 году в СССР использовалось сочетание слов «изобретение радиотелеграфа» или «изобретение беспроволочного телеграфа»[5].
- ↑ Мнение Л. И. Мандельштама и Н. Д. Папалекси, опубликованное в 1910 году:
«Маркони положил Герцевский осциллятор в основу своего передатчика. Одну из половин проводника он расположил вертикально — воздушный провод или антенна, на место же другой половины он ввёл „заземление“… и таким образом создал первый практический передатчик.
Комбинация воздушного провода с когерером, реле, ударником и регистрирующим аппаратом была впервые употреблена Поповым для регистрации атмосферных разрядов. В качестве же приёмника беспроволочной телеграфии этой комбинацией практически впервые воспользовался Маркони»[11]. — Цит. по статье Н. И. Чистякова[1]. - ↑ Подобное устройство в усовершенствованном виде для обнаружения слабых электрических колебаний впоследствии получило наименование когерер[25].
- ↑ На самом деле применяемый Хьюзом угольный микрофон проявлял нелинейные свойства, выполняя функцию детектора высокочастотных колебаний[35].
- ↑ Вибратор представлял собой прямой медный провод длиной 2,6 м, разрезанный посередине. На концах провода располагались два металлических шара диаметром 30 см. Шары можно было передвигать по проводу и таким образом изменять электрическую длину вибратора. В некоторых опытах шары заменялись квадратными пластинами 40×40 см[38]. Длина волны в этих опытах была около 9 м[39].
- ↑ Для исследования отражения, поляризации и преломления Герц построил вибратор из двух металлических цилиндров диаметром 3 см и длиной 13 см и поместил его вдоль вертикальной фокальной линии двухметрового параболического зеркала. Длина волны в этих опытах была около 60 см. В опытах применялась также призма из асфальта высотой 1,5 м[42][43].
- ↑ С современных позиций трубка Бранли со множественными миниатюрными контактами в виде слоя металлического порошка является примером важного общего принципа: множество малонадёжных элементов обеспечивает высокую надёжность устройства в целом[13].
- ↑ Из письма Блонделя (инициировавшего среди учёных споры о приоритете в изобретении радио[9]) от 2 декабря 1898 года следует, что Наркевич-Иодко 3 или 4 года назад (то есть в 1894—1895 годах) демонстрировал в Вене поразившие зрителей опыты с катушкой Румкорфа и телефоном, соединёнными с землёй и со своими антеннами[50]. Такие опыты он показывал в разных городах в 1891, 1892, 1896 и 1902 годах. Однако возможно, что эффект был основан на явлении электромагнитной индукции[49].
- ↑ На микроволновых частотах эти детекторы работали не как выпрямительные полупроводниковые диоды в более поздних кристаллических детекторах, а как тепловой детектор, называемый болометром[65].
- ↑ Из доклада о работах Попова по беспроволочной телеграфии 1896—1897 годах: «В течение целого года я не возвращался к опытам на открытом воздухе и занимался различными испытаниями приборов в лаборатории. Осенью 1896 г. дошли из Англии газетные сведения, что Маркони под руководством Приса производит опыты сигнализации с помощью электромагнитных волн и достиг расстояния до ½ мили. (…) Но я лично был убеждён, что в закрытых ящиках Маркони был помещён прибор, аналогичный с моим, и потому с марта этого года начал подготовлять приборы для опытов передачи сигналов с помощью электромагнитных волн на большие расстояния»[80]:89—90.
- ↑ В советской историографии с 1926 года сложилась легенда, что телеграфная передача слов «Генрих Герц» состоялась 12 марта 1896 года. Появление легенды, которая в течение последующих четырёх десятилетий воспроизводилась в технико-исторических ссылках многими авторами, связывают с именем сотрудника Палаты мер и весов B. C. Габеля. Легенда была официально опровергнута в процессе работы Исторической комиссии НТОРЭС в 1967 году[1].
- ↑ Попов в это время был в командировке. Он посетил Англию, Францию, Германию и Швейцарию для ознакомления с постановкой электротехнического образования и производством аппаратуры беспроволочного телеграфирования. Во Франции посетил фирму Дюкрете и ознакомился с ходом работ по заказу Морского ведомства на поставку станций беспроводной связи для российского флота[88].
- ↑ Проявлялся детекторный эффект когерера как полупроводника.
- ↑ Эти приёмники стали опытными образцами перед началом их серийного выпуска в 1900 году фирмой Дюкрете[82].
- ↑ Термин «радиовещание» был введён в обращение (в середине 1920-х годов[106]) И. Г. Фрейманом вместо термина «широковещание» — буквального перевода с английского[107].
- ↑ Изобретателем системы передачи сигналов методом ЧМ считается Корнелиус Д. Эрет (США, 1902 год)[119].
Источники
- 1 2 3 4 Чистяков Н. И. Ошибки в изложении истории радио нужно исправить: по поводу Письма в редакцию «К вопросу о летописцах радио» Архивная копия от 13 декабря 2007 на Wayback Machine // Электросвязь. — 1994. — № 4. — С. 31—32.
- 1 2 3 4 5 Никольский Л. Н. Кто «изобрёл» радио? Дата обращения: 24 августа 2015. Архивировано из оригинала 22 января 2008 года.
- ↑ Берг, 1945
- 1 2 Меркулов В. Какое радио изобретал Маркони Архивная копия от 8 мая 2020 на Wayback Machine // Радио. — 2007. — № 6, 7.
- ↑ 187. Заметка В. С. Габеля с сообщением писем В. К. Лебединского, О. Д. Хвольсона и В. В. Скобельцына, касающихся демонстрации А. С. Поповым передачи сигналов (12—24 марта 1896 года). Декабрь 1925. Берг, 1945, с. 270—272
- ↑ Шапкин, 2005, с. 12.
- ↑ David Lamb and S.M. Easton, Multiple Discovery: The Pattern of Scientific Progress
- ↑ 53. Из журнала заседания Французского физического общества в Париже в связи с изобретениями А. С. Попова и Г. Маркони. 7 января 1898. Берг, 1945, с. 98—99
- 1 2 Золотинкина, 2009, с. 53.
- ↑ 177. Доклад Комиссии, избранной Физическим отделом Русского физико-химического общества по вопросу о научном значении работ А. С. Попова с приложением писем Э. Бранли и О. Лоджа. 1908. Берг, 1945, с. 248—258
- ↑ Мандельштам Л., Папалекси Н. Основы беспроволочной телеграфии // Вестник опытной физики и элементарной математики, 44-й семестр. — 1910. — № 5. — С. 115—124.
- 1 2 3 4 5 6 7 8 9 10 Мандельштам Л. И. Введение. Рытов, 1948, с. 11—32
- 1 2 3 4 5 6 7 Чистяков Н. И. Начало радиотехники: факты и интерпретация Архивная копия от 30 сентября 2022 на Wayback Machine // Вопросы истории естествознания и техники. — 1990. — № 1.
- ↑ Шапкин, 2005, с. 36.
- ↑ Шапкин, 2005, с. 37.
- ↑ Шапкин, 2005, с. 37—38.
- ↑ Берг, 1935, с. 12.
- ↑ Малащенко А. История создания и развития реле. Архивная копия от 5 апреля 2015 на Wayback Machine
- ↑ Генри Дж. XXV. Колебательный разряд. Рытов, 1948, с. 243—245
- ↑ Родионов, 1985, с. 33.
- 1 2 3 4 Первые устройства беспроводной связи Архивная копия от 28 ноября 2016 на Wayback Machine. Виртуальный компьютерный музей.
- ↑ Родионов, 1985, с. 67.
- ↑ Томсон В. XXVII. О преходящих электрических токах. Рытов, 1948, с. 247—257
- ↑ Шапкин, 2005, с. 42—43.
- 1 2 3 4 Крыжановский Л. Н. История изобретения и исследований когерера. Дата обращения: 31 августа 2015. Архивировано 4 марта 2016 года. Крыжановский Л. Н. История изобретения и исследований когерера. УФН, 162:4 (1992), 143–152; Phys. Usp., 35:4 (1992), 334–338. www.mathnet.ru. Дата обращения: 25 августа 2022. Архивировано 25 августа 2022 года.
- 1 2 3 Быховский М. А. Махлон Лумис. www.computer-museum.ru. Дата обращения: 1 сентября 2023. Архивировано 1 сентября 2023 года.
- 1 2 3 Самохин В. П., Тихомирова Е. А. На заре радиосвязи Архивная копия от 3 июня 2021 на Wayback Machine // Наука и образование: электронное научно-техническое издание, 2017, вып. 6.
- 1 2 3 4 5 Меркулов В. Когда радио «заговорило» Архивная копия от 14 июня 2021 на Wayback Machine // Радио, 2007. — № 10. — С. 6—9.
- 1 2 Пестриков В. Привилегия № 6066 на приёмник депеш Архивная копия от 29 декабря 2019 на Wayback Machine // IT news. — 2006. — № 6, 7.
- ↑ Braun F. (1874), Ueber die Stromleitung durch Schwefelmetalle [On current conduction through metal sulfides], Annalen der Physik und Chemie (нем.), 153 (4): 556–563, Bibcode:1875AnP...229..556B, doi:10.1002/andp.18752291207, Архивировано 24 июля 2023, Дата обращения: 19 июня 2023
- 1 2 E. Thomson. The transmission wireless energy / Annual Report of the Smithsonian Institution, 1913, p.243.
- 1 2 Элиу Томсон L. Передача энергии без проводов. Рытов, 1948, с. 373—374
- ↑ Берг, 1935, с. 19.
- ↑ Шапкин, 2005, с. 40.
- 1 2 Рыбак Дж. П., Крыжановский Л. Н. Дэвид Эдвард Юз и открытие радиоволн. www.computer-museum.ru. Дата обращения: 1 сентября 2023. Архивировано 1 сентября 2023 года.
- ↑ Берг, 1935, с. 21—22.
- ↑ Кальцекки-Онести Ф. XLII. Об электропроводности металлических опилок. Рытов, 1948, с. 350—352
- ↑ Хвольсон О. Д. Опыты Герца и их значение Архивная копия от 23 декабря 2022 на Wayback Machine // Электричество. — 1890. — № 3. — С. 42—47.
- ↑ Хвольсон О. Д. Опыты Герца и их значение Архивная копия от 23 декабря 2022 на Wayback Machine // Электричество. — 1890. — № 4. — С. 61—66.
- ↑ Меркулов В. 120 лет весьма быстрых колебаний. Виртуальный компьютерный музей. www.computer-museum.ru. Дата обращения: 8 мая 2017. Архивировано 13 апреля 2017 года.
- ↑ Экспериментальные работы Генриха Герца. Виртуальный компьютерный музей. Дата обращения: 6 сентября 2015. Архивировано 6 июня 2018 года.
- 1 2 Хвольсон О. Д. Опыты Герца и их значение Архивная копия от 21 декабря 2022 на Wayback Machine // Электричество. — 1890. — № 5. — С. 85—90.
- ↑ Родионов, 1985, с. 64—65.
- ↑ Лодж О. Дж., Говард Дж. Л. LI. Об электрическом излучении и его концентрации с помощью линз. Рытов, 1948, с. 375—384
- 1 2 3 Работы Оливера Лоджа. Виртуальный компьютерный музей. Дата обращения: 7 сентября 2015. Архивировано 13 июня 2018 года.
- 1 2 Родионов, 1985, с. 73.
- ↑ Шапкин, 2005, с. 43—47.
- 1 2 3 Лодж О. Творение Герца. Рытов, 1948, с. 424—445
- 1 2 ЦНБ НАН Беларуси :: История белорусской в лицах. csl.bas-net.by. Дата обращения: 3 марта 2020. Архивировано 3 марта 2020 года.
- ↑ 62. Из журнала заседаний Французского физического общества в Париже в связи с работами А. С. Попова. Декабрь 1898 г. Берг, 1966, с. 185—186
- ↑ Шапкин, 2005, с. 47—48.
- ↑ Шапкин, 2005, с. 88.
- ↑ Крукс У. LVII. Некоторые возможности применения электричества. Рытов, 1948, с. 416—420
- ↑ Шапкин, 2005, с. 17—25.
- ↑ Работы Уильяма Крукса. Виртуальный компьютерный музей. Дата обращения: 6 сентября 2015. Архивировано 5 марта 2016 года.
- 1 2 3 4 Пестриков В. От электрической дуги Петрова — к радиопередаче речи Архивная копия от 4 марта 2021 на Wayback Machine // IT news. — 2008. — № 10—12.
- ↑ Тесла Н. LVIII. О колебательных явлениях при высокой частоте. Рытов, 1948, с. 421—423
- ↑ Howard B. Rockman, Intellectual Property Law for Engineers and Scientists, page 196'
- ↑ Волшебник электричества :: CQHAM.RU. news.cqham.ru. Дата обращения: 17 августа 2016. Архивировано 31 марта 2016 года.
- ↑ Риги А. LIII. Опыты Герца с колебаниями малых длин волн. Рытов, 1948, с. 387—397
- 1 2 3 Меркулов В. От передатчика А. Риги — до экспериментов по дальнему приёму телеграфных сигналов Архивная копия от 28 июля 2021 на Wayback Machine // Радио. — 2009. — № 8.
- ↑ Шапкин, 2005, с. 50—51, 57, 74.
- ↑ IEEE Global History Network. Jagadish Chandra Bose. IEEE History Center. Дата обращения: 21 июня 2011. Архивировано 8 октября 2014 года.
- ↑ Seitz, Frederick; Einspruch, Norman (1998-05-04). The Tangled History of Silicon in Electronics. Silicon Materials Science and Technology: Proceedings of the Eighth International Symposium on Silicon Materials Science and Technology, Vol. 1. San Diego: The Electrochemical Society. pp. 73–74. ISBN 9781566771931. Дата обращения: 27 июня 2018.
- ↑ Lee, Thomas H. Planar Microwave Engineering: A Practical Guide to Theory, Measurement, and Circuits, Vol. 1. — Cambridge University Press, 2004. — P. 4–5. — ISBN 978-0521835268.
- ↑ Лебедев П. Н. LIV. О двойном преломлении лучей электрической силы. Рытов, 1948, с. 398—403
- ↑ Шапкин, 2005, с. 63.
- ↑ Шапкин, 2005, с. 66.
- ↑ Резерфорд Э. LV. Магнитный детектор электрических волн и некоторые случаи его применения. Рытов, 1948, с. 404—408
- ↑ Шапкин, 2005, с. 65.
- ↑ Шапкин, 2005, с. 66—73.
- ↑ Шапкин, 2005, с. 79.
- ↑ Шапкин, 2005, с. 121—122.
- 1 2 Меркулов В. Когда и кем было изобретено радио Архивная копия от 10 мая 2013 на Wayback Machine // Радио. — 2007.
- ↑ 33. Доклад У. Г. Приса в Королевском институте «Передача сигналов на расстояние без проводов». 4 июня 1897 г. Берг, 1966, с. 84—97
- ↑ Браун К. Ф. Угольные кохереры // Electr. World. 1897. V. XXX. № 24.
- ↑ U.S. Supreme Court. Дата обращения: 23 апреля 2012. Архивировано 16 апреля 2012 года.
- ↑ Шапкин, 2005, с. 84—186.
- ↑ Шапкин, 2005, с. 101—102.
- ↑ 46. Доклад А. С. Попова о телеграфировании без проводов в Электротехническом институте. 19 октября 1897. Берг, 1945, с. 83—93
- ↑ Шапкин, 2005, с. 137—139.
- 1 2 3 Аппаратура из комплекта искровой станции беспроволочного телеграфа производства фирмы Дюкрете 1904 г. nauchebe.net. Дата обращения: 19 января 2020. Архивировано 23 января 2020 года.
- ↑ Золотинкина, 2009, с. 33, 43—45, 49.
- ↑ 48. Сообщение в газете «Петербургский листок» о передаче А. С. Поповым по радио слова «Герц». 18 декабря 1897 г. Берг, 1966, с. 145—146
- ↑ 50. Сообщение в газете «Котлин» о прочитанной А. С. Поповым лекции высшему начальствующему составу флота «О телеграфировании без проводников». 23 декабря 1897 г. Берг, 1966, с. 147
- ↑ Шапкин, 2005, с. 91—92.
- ↑ Климин А. И., Урвалов В. А.. Фердинанд Браун — лауреат нобелевской премии в области физики Архивная копия от 13 мая 2007 на Wayback Machine // «Электросвязь». — 2000. — № 8.
- ↑ Золотинкина, 2009, с. 33, 46.
- ↑ Золотинкина, 2009, с. 34, 46.
- ↑ Bondyopadhyay, P.K. Sir J. C. Bose's Diode Detector Received Marconi's First Transatlantic Wireless Signal Of December 1901 (The "Italian Navy Coherer" Scandal Revisited) (англ.) // Proceedings of the IEEE : journal. — 1998. — January (vol. 86, no. 1). — P. 259—285. — doi:10.1109/5.658778. Архивировано 19 января 2012 года.
- ↑ Wehnelt Elektrotechnische Zeitschrift, January 1899 Vol. 20, pp. 76-78.
- ↑ Богуславский Г. А. А. С. Попов и адмирал С. О. Макаров Архивная копия от 13 августа 2020 на Wayback Machine
- ↑ Глущенко, 2005, с. 173.
- 1 2 3 Самохин В. П. Памяти Реджинальда Фессендена (с приложением «Александерсон Эрнест») Архивная копия от 9 ноября 2020 на Wayback Machine // Наука и образование, научное издание МГУ им. Баумана, 8 августа 2012 года.
- ↑ Мигулин, 1995, с. 15, 16.
- ↑ U.S. Patent 755 840 Jagadis Chunder Bose, Detector for Electrical Disturbances, filed: 30 September 1901, granted 29 March 1904.
- ↑ Radio's First Message -- Fessenden and Marconi. www.ieee.ca. Дата обращения: 11 января 2019. Архивировано 28 декабря 2012 года.
- ↑ Григоров И. Н. Загадка Маркони. RadioRadar (2004). Дата обращения: 8 марта 2022. Архивировано 20 октября 2021 года.
- ↑ Геворкян С. Г. "Первый из последователей Максвелла": к прочтению статьи Оливера Хевисайда "Гравитационная и электромагнитная аналогия" (1893) // Пространство и Время. — 2017. — Вып. 2—4 (28-30). — С. 81–86. Архивировано 29 июня 2023 года.
- ↑ Матонин Е. Уорденклиф. Башня - Никола Тесла. www.e-reading.mobi. Дата обращения: 9 октября 2017. Архивировано 9 октября 2017 года.
- ↑ Глущенко, 2005, с. 124—128.
- ↑ Мигулин, 1995, с. 13.
- ↑ Мигулин, 1995, с. 18.
- 1 2 Пестриков В. Электровакуумный триод, или Разные пути решения одной проблемы Архивная копия от 3 октября 2017 на Wayback Machine // IT news. — 2006. — № 20, 22.
- ↑ «The Early History of Radio in the United States» by H. P. Davis, in The Radio Industry: The Story of its Development, 1928, p. 190.
- 1 2 Родионов, 1985, с. 189.
- ↑ Стр. 78 журнала «Радио» № 6 за 1990 год. archive.radio.ru. Дата обращения: 7 мая 2020. Архивировано 15 августа 2020 года.
- 1 2 3 4 5 6 7 Самохин В. П., Киндяков Б. М. Памяти Эдвина Армстронга (18.12.1890—31.01.1954) // Наука и образование. — 2014. — С. 5. Дата обращения: 30 сентября 2017. Архивировано из оригинала 7 апреля 2014 года.
- ↑ Быховский, 2001, с. 28.
- ↑ Редакция. 90 лет со дня открытия радиовещания в Нижнем Новгороде. Новации (17 мая 2018). Дата обращения: 18 ноября 2022.
- 1 2 3 4 5 Вещание Архивная копия от 24 октября 2017 на Wayback Machine. Быховский, 2001.
- ↑ Члиянц Г. Из истории первой ламповой радиостанции. www.computer-museum.ru. Дата обращения: 2 октября 2017. Архивировано 2 октября 2017 года.
- ↑ Совет Народных Комиссаров СССР. Постановление от 28 июля 1924 года. О частных приёмных радиостанциях. Дата обращения: 20 сентября 2018. Архивировано 27 апреля 2017 года.
- ↑ Совет Народных Комиссаров СССР. Постановление от 5 февраля 1926 года. О радиостанциях частного пользования. Дата обращения: 20 сентября 2018. Архивировано 2 февраля 2016 года.
- ↑ The WCFL Chicago Radio Timeline Page (англ.). Chcago's Voice of labour. WCFL. Дата обращения: 21 ноября 2012. Архивировано из оригинала 18 октября 2012 года.
- ↑ Peter Yanczer. Ulises Armand Sanabria (англ.). Mechanical Television. Early Television Museum. Дата обращения: 21 ноября 2012. Архивировано 24 ноября 2012 года.
- ↑ MKKP - всем юбилеям юбилей. www.broadcasting.ru. Дата обращения: 17 ноября 2017. Архивировано 29 ноября 2017 года.
- ↑ История тележурналистики в России. Дата обращения: 8 мая 2021. Архивировано 21 марта 2013 года.
- ↑ Развитие методов модуляции и кодирования Архивная копия от 12 октября 2017 на Wayback Machine. Быховский, 2001.
- ↑ Миркин В. В. К истории советской радиосвязи и радиовещания в 1945—1965 гг. Архивная копия от 6 октября 2021 на Wayback Machine // Вестник Томского государственного университета. История. — 2013. — № 1 (21). — С. 202.
- ↑ Amrad Ltd. Вестник старого радио - История радио и телевидения. oldradioclub.ru. Дата обращения: 20 октября 2017. Архивировано из оригинала 11 августа 2018 года.
- ↑ Во всём мире — 100 миллионов телевизоров // Радио. — 1962. — № 6. — С. 52.
- ↑ News Digest. // Aviation Week & Space Technology, January 21, 1963, v. 78, no. 3, p. 39.
- ↑ Мигулин, 1995, с. 4, 11.
Литература
- А. С. Попов — Э. Дюкрете / Авторы-составители Л. И. Золотинкина, Е. В. Красникова, М. А. Партала, Л. С. Румянцев; под ред. Л. И. Золотинкиной. — СПб.: Русская классика, 2009. — 340 с.
- Берг А. И. А. С. Попов и изобретение радио. — Л.: ОГИЗ, СОЦЭКГИЗ, 1935. — 100 с.
- Быховский М. А. Круги памяти (Очерки истории развития радиосвязи и вещания в XX столетии). — М.: МЦНТИ – Международный центр научной и технической информации, 2001. — 223 с. — (История электросвязи и радиотехники). — ISBN 5-93533-011-3.
- Глущенко А. А. Место и роль радиосвязи в модернизации России (1900-1917 гг.). — СПб.: ВМИРЭ, 2005. — 709 с. — ISBN 5-7997-0364-2.
- Изобретение радио А. С. Поповым. Сборник документов и материалов. Вып. 2 / Под ред. А. И. Берга. — М.—Л.: Издательство АН СССР, 1945. — 309 с.
- Изобретение радио. А. С. Попов. Документы и материалы / Составители: Е. А. Попова-Кьяндская, В. М. Родионов, М. И. Мосин, В. И. Шамшур. Под ред. А. И. Берга. — М.: Наука, 1966. — 284 с.
- Из предыстории радио. Сборник оригинальных статей и материалов. Вып. 1 / Составил С. М. Рытов; под редакцией Л. И. Мандельштама. — М.—Л.: Издательство АН СССР, 1948. — 472 с.
- Родионов В. М. Зарождение радиотехники / Отв. ред. В. И. Сифоров. — М.: Наука, 1985. — 240 с.
- Шапкин В. И. Радио: открытие и изобретение. Наука. Техника. Социум. — М.: ДМК Пресс, 2005. — 190 с. — ISBN 5-9706-0002-4.
- 100 лет радио: Сборник статей / Под ред. В. В. Мигулина, А. В. Гороховского. — М.: Радио и связь, 1995. — 384 с. — ISBN 5-256-01228-2.