Интеграл Дюамеля


Интегра́л Дюаме́ля — интеграл специального вида, применяется для расчёта отклика линейных систем на произвольно меняющееся во времени входное воздействие. Применимость этого интеграла основана на принципе суперпозиции для линейных систем, в которых отклик её на сумму нескольких воздействий как одновременных, так и сдвинутых во времени равен сумме откликов от каждого из слагаемых сигналов.
Используется для расчёта откликов линейных механических систем, линейных электрических цепей и др.
Назван в честь Жана Мари Констана Дюамеля, французского математика, предложившего его для расчёта отклика механических систем.
Идея применения метода состоит в следующем. Входной сигнал представляется в виде суммы (в общем случае бесконечной) некоторых стандартных сигналов, для которых отклик системы , называемый переходной функцией, известен.
В качестве стандартного входного сигнала в этом методе используется ступенчатая функция Хевисайда . Отклик системы выражается в виде интеграла от произведения задержанного на входное воздействие (свёртка функций), который носит название интеграла Дюамеля.
Таким образом, зная отклик системы на воздействие в виде функции Хевисайда, описанный в аналитическом виде или полученный экспериментально, можно предсказать (рассчитать) отклик системы на произвольное входное воздействие.
Формулы
Для использования интеграла Дюамеля необходимо предварительно вычислить или измерить переходную функцию системы , которая является откликом системы на ступенчатый единичный входной сигнал (рис. 2).
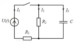
Переходная функция, если она неизвестна, находится любым доступным методом (решение системы дифференциальных уравнений, операторный метод, измерением и т. д.). Для линейной системы переходной функцией может быть апериодический, колебательный, затухающий колебательный процессы или комбинация нескольких перечисленных процессов. Например, для системы рис. 1, переходная функция является апериодическим процессом, изображённым на рис. 2[1].
Если входной сигнал системы описывается функцией , где — независимая переменная, реакция системы на этот сигнал выражается формулой, где производная входного воздействия по времени:
В случае, если входной сигнал составной и функция испытывает разрывы (моменты времени , на рис. 3), то вышеуказанная формула справедлива только на интервале [0, ]:
Отклик на остальных интервалах вычисляется по формулам, вытекающим из принципа суперпозиции:
Последние формулы означают, что:
- Отклик системы, возникший на ранних этапах развития процесса, продолжает действовать во всех последующих интервалах времени.
- Разрыв функции в момент времени на величину эквивалентен прибавлению или вычитанию из входного сигнала единичной функции с соответствующим коэффициентом и сдвинутой на соответствующий интервал времени , что прибавляет в отклику системы дополнительный сигнал .
- К указанным выше сигналам отклика в последующие интервалы времени прибавляются отклики, вычисленные по тем же формулам с учётом сдвига входного сигнала на соответствующее время.
Пример применения интеграла Дюамеля для решения

Для линейной цепи рис. 1 найдём ток через конденсатор под действием сложного входного сигнала, изображённого на рис. 3.
Вычисление переходной функции
Чтобы найти вид переходной функции, найдём решения характеристического уравнения
где — записанное в операторной форме входное сопротивление системы со стороны источника сигнала, — комплексная переменная.
Характеристическое уравнение имеет одно действительное решение, следовательно, переходная функция представляет собой экспоненту:
Полагая, что в момент времени конденсатор разряжен, получим
Вычисление отклика системы на сложный сигнал
| Интервалы для вычисления | |||
|---|---|---|---|
| Сигнал | Интервал | ||
- Представление сигнала
Сложный входной сигнал представим в виде кусочной функции на трёх временных интервалах, указанных в таблице.
- Решение
Решение ищется кусочно, для каждого интервала времени, в формулах
Ссылки
- Бессонов Л. А. Теоретические основы электротехники: Электрические цепи. Учеб. для студентов электротехнических, энергетических и приборостроительных специальностей вузов. — 7-е изд., перераб. и доп. — М.: Высш. шк., 1978. — 528 с.
- Матханов П. Н. Основы анализа электрических цепей. Линейные цепи.: Учеб. для электротехн. радиотехн. спец. вузов. 3-е изд., перераб. и доп. — М.: Высш. шк., 1990. — 400 с.
- Ni Zhenhua. Mechanics of Vibrations. Xi’an Jiaotong University Press, Xi’an, 1990 (in Chinese).
- R. W. Clough, J. Penzien. Dynamics of Structures. Mc-Graw Hill Inc., New York, 1975.
- Anil K. Chopra. Dynamics of Structures — Theory and applications to Earthquake Engineering. Pearson Education Asia Limited and Tsinghua University Press, Beijing, 2001.
- Leonard Meirovitch. Elements of Vibration Analysis. Mc-Graw Hill Inc., Singapore, 1986.
- Duhamel’s formula at «Dispersive Wiki».
- Расчет переходного процесса с помощью интеграла Дюамеля.
- Интеграл Дюамеля. Метод переменных состояния.
- Переходные и импульсные характеристики. Интеграл Дюамеля.
- Интеграл Дюамеля.
Примечания
- ↑ Нейман Л. Р., Демирчян К. С. Теоретические основы электротехники: в 2-х т. Учебник для вузов. Том I. — 3-е изд., перераб. и доп. — Л.: Энергоиздат. Ленингр. отд-ние, 1981. — 536 с., ил.