Измеритель ёмкости

| Измеритель ёмкости | |
|---|---|
![]() | |
| Измеряет | электрическая ёмкость |
Измери́тель ёмкости — прибор для измерения электрической ёмкости, в основном применяется для измерения ёмкости дискретных конденсаторов. Некоторые сложные измерительные приборы могут помимо ёмкости измерять ряд других паразитных параметров конденсаторов, таких как утечка, эквивалентное последовательное сопротивление (ЭПС) и индуктивность. При измерениях в большинстве случаев конденсатор должен быть отключён от электрической цепи, например, цепей устройства, в котором он применён. Измерители ЭПС обычно допускают измерение без отключения конденсатора от цепи.
Мостовые измерители ёмкости и паразитных сопротивлений конденсаторов
Мостовые методы — наиболее распространенные методы измерения ёмкости. С помощью мостов переменного тока можно измерять не только ёмкость, но и другие параметры конденсатора. В мостах переменного тока используются эталонные резисторы, конденсаторы и катушки индуктивности для сравнения неизвестных величин (в данном случае ёмкости, паразитных параметров) с известными параметрами эталонных компонентов моста. Наиболее распространенными в случае ёмкости являются мосты с плечами сопротивление-ёмкость, соединенные последовательно, мосты сопротивления-ёмкости, соединенные параллельно, мост Вина и мост Шеринга[1].
При измерениях путём варьирования эталонных (известных) компонентов моста добиваются баланса моста — получения нулевого переменного напряжения на его диагонали, которое контролируется высокочувствительным вольтметром переменного напряжения[2]. При измерениях мост питается от источника переменного напряжения с частотой в несколько килогерц (в большинстве промышленных измерителей ёмкости — 1 кГц). Окончательный результат измерения рассчитывается по формулам, в которые входят параметры эталонных компонентов, достигнутые при балансировке моста, формулы разные для каждой структуры моста.
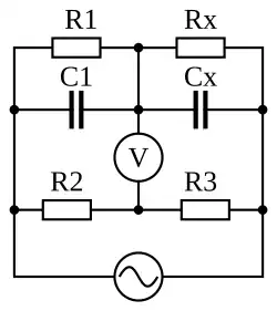
Мост с последовательно соединёнными эталонными резистором и конденсатором

Этот тип моста используется для измерения неизвестной ёмкости, в качестве модели для которой используется конденсатор и резистор . Как правило, этот тип моста используется, когда относительно велико[1].
При балансе моста неизвестные параметры находятся из выражений:
и
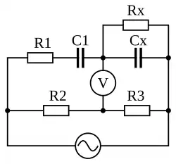
Мост с параллельно соединёнными резистором и конденсатором

Этот тип моста похож на предыдущий. Отличие состоит в том, что модель для неизвестного конденсатора — это конденсатор с включенным параллельно ему резистору. Такое включение делает этот мост более подходящим для измерения ёмкостей конденсаторов с низким эквивалентным сопротивлением, то есть с большими потерями[1].
При балансе моста неизвестные параметры находятся из выражений, совпадающими с предыдущим случаем:
и
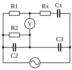
Мост Вина

Мост Вина представляет собой своеобразную «комбинацию» двух описанных мостов. Фактически он имеет наибольшее применение при определении частоты в избирательных RC-цепях[1].
При балансе моста выполняются соотношения:
- и
Неизвестные находятся из решения этой системы трёх уравнений с тремя неизвестными.
Мост Шеринга

Мост Шеринга используется в случаях, когда требуются высокие напряжения и/или высокие рабочие частоты[1].
При балансе моста неизвестные параметры находятся из выражений:
Обычно при использовании такого моста ёмкость конденсаторов и делают изменяемой при балансировке, а резисторы и с фиксированными сопротивлениями[1].
Точность и диапазон измерения мостовых измерителей ёмкости
Преимущество использования мостовых схем заключается в том, что электрические величины можно измерять с помощью измерителей напряжения и набора образцовых конденсаторов и резисторов. То есть такие измерения сводятся к измерениям напряжения. Благодаря развитию электроники (как аналоговой, так и цифровой) стало возможным создавать высокочувствительные усилители переменного напряжения. Применение такой техники позволяет получить очень высокую точность, определяемую, в основном, точностью параметров эталонных компонентов. Например, существуют коммерческие измерители ёмкости, обеспечивающие точность до 10-18 Ф при измерении ёмкости и до 10-15 См при измерениях электрической проводимости[3].
Простые измерения без применения измерителя ёмкости
Некоторые проверки конденсатора могут быть произведены без специального оборудования, например, проверка электролитических конденсаторов, которые имеют большую ёмкость и малые утечки.
Мультиметр может обнаружить короткое замыкание в конденсаторе (очень низкое сопротивление) или большие утечки (конденсатор имеет большое сопротивление, но оно меньше, чем у исправного конденсатора). Простой метод прикидки ёмкости электролитического конденсатора может быть измерен с помощью аналогового мультиметра в режиме измерения сопротивления постоянному току на высоком пределе измерения. При подключении к мультиметру конденсатора с большой ёмкостью, мультиметр вначале показывает малое сопротивление, постепенно увеличивающееся. Скорость увеличения сопротивления характеризуют ёмкость конденсатора, чем медленнее оно увеличивается, тем больше ёмкость. Это явление обусловлено постепенным зарядом конденсатора тестирующим током мультиметра. Такая прикидка ёмкости требует некоторого навыка, или производится сравнение скорости изменения сопротивления такого же измерения заведомо исправного конденсатора известной ёмкости.
Цифровые мультиметры
Большинство цифровых мультиметров имеют функцию измерения ёмкости. Обычные недорогие мультиметры могут измерять ёмкость в пределах от десятков пикофарад до нескольких сотен микрофарад, но существуют мультиметры с более широким диапазоном измеряемых ёмкостей.
- Пример: Измерение ёмкости конденсатора переменной ёмкости с ротором с помощью цифрового мультиметра
Cмин = 29 пФ
C = 269 пФ
Cмакс = 520 пФ
Примечания
- 1 2 3 4 5 6 Webster, John G. The Measurement, Instrumentation and Sensors Handbook. 1st Edition. IEEE Press, 1999.
- ↑ Мостовые цепи. Дата обращения: 14 мая 2023. Архивировано из оригинала 12 мая 2014 года.
- ↑ World’s Most Accurate 50 Hz-20 kHz Capacitance/Loss Bridge. Дата обращения: 14 мая 2023. Архивировано 14 мая 2023 года.
.jpg)