Дифференциатор

Дифференциа́тор, устройство дифференцирующее — аналоговый функциональный блок в АВМ структурного типа.[1]
Характеристики
Дифференциатор формирует на выходе сигнал, пропорциональный скорости изменения входного воздействия.
Зависимость между входной и выходной величиной можно представить в виде формулы:
- ,
где — выходная величина, — входная, — коэффициент передачи.
Напряжение на выходе для идеального дифференциатора вычисляется по формуле:
- ,
где — выходное напряжение, — входное.
Идеальный дифференциатор способен усиливать паразитные высокочастотные помехи входного сигнала. На практике применяются схемы дифференциаторов, реализующие операцию дифференцирования приближенно.
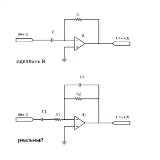
Принципиальная схема
Схема идеального дифференциатора представляет собой конденсатор, включенный на вход операционного усилителя, в цепь обратной связи которого включен резистор.
При синусоидальном напряжении дифференциатор ведет себя как фильтр верхних частот, коэффициент усиления которого пропорционален частоте входного сигнала.
Недостаток дифференциатора — чувствительность к шумам высокой частоты. Устраняется это недостаток ограничением усиления на высоких частотах при помощи резистора, включенного последовательно с емкостью. В этом случае схема будет работать как дифференциатор до частот определяемой выражением .
Примечания
- ↑ Словарь по кибернетике / Под редакцией академика В. С. Михалевича. — 2-е. — Киев: Главная редакция Украинской Советской Энциклопедии имени М. П. Бажана, 1989. — 751 с. — (С48). — 50 000 экз. — ISBN 5-88500-008-5.