Генератор, управляемый напряжением

Генератор, управляемый напряжением (ГУН; англ. VCO) — электронный генератор, частота колебаний которого зависит от подаваемого на генератор управляющего напряжения[1]. ГУН широко применяются в различных радиоэлектронных системах — аппаратуре радиосвязи, автоматического управления, электромузыкальных инструментах и др.
Типы ГУН

ГУНы можно разделить на два типа в зависимости от выходного сигнала:
Гармонические осцилляторы генерируют сигнал синусоидальной формы. В их состав входят усилитель и резонансный контур (контур необходим для того, чтобы отправить сигнал обратно на вход). Колебания происходят на частоте настройки, где положительное усиление возникает вокруг петли.
Релаксационные генераторы могут генерировать сигналы пилообразной или треугольной формы. Они нередко используются в монолитных интегральных схемах (МИС) и могут обеспечить широкий диапазон частот[2]. Выделяют три метода построения ГУН, наиболее часто использующихся для реализации в интегральном исполнении:
- генераторы с пассивным резонатором, содержащие колебательную систему, кварцевый резонатор, устройства на ПАВ, резонаторы другого рода, определяющие номинал частоты генерируемого сигнала и его качество;
- релаксационные генераторы, в которых происходит поочерёдный перезаряд задающего частоту конденсатора от источника постоянного тока между двумя пороговыми значениями;
- Кольцевой генератор , состоящий из нечётного числа асимметричных инверторов или чётного/нечётного количества дифференциальных инверторов с их соединением в кольцевую цепь[3].
Основные параметры и характеристики ГУН
У генераторов, управляемых напряжением, принято выделять следующие параметры:
- Диапазон частот перестройки ГУН. Он определяет диапазон изменения частоты от минимальной (fmin) до максимальной (fmax) сигнала на выходе генератора;
- Крутизна перестройки ГУН по частоте. Это крутизна характеристики перестройки по частоте от напряжения перестройки (выражается в Гц/В), показывающая, насколько изменится выходная частота при изменении управляющего напряжения на единицу;
- Характеристика перестройки ГУН по частоте. Это представленная в графическом виде зависимость частоты на выходе ГУН от управляющего напряжения;
- Нелинейность перестройки по частоте. Это отклонение от линейного характера характеристики изменения частоты ГУН от напряжения перестройки[4];
- Мощность выходного сигнала РЧ ГУН. Зависит от частоты и определяется типом используемого генератора и элементной базы;
- Отклонение от номинальной величины мощности на выходе ГУН. Это разность между максимальным и минимальным уровнем мощности на выходе ГУН на нагрузке 50 Ом при данной температуре (выражается в дБ) от частоты;

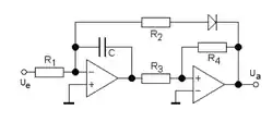
Простая схема генератора, построенная на двух операционных усилителях. Если R1 ≪ R2, то частота Ua достаточно точно пропорциональна Ue - Зависимость выходной мощности от температуры. Это изменение мощности сигнала основной гармоники на выходе ГУН от температуры;
- Зависимость частоты от температуры. Изменение частоты ГУН от температуры при постоянном напряжении перестройки;
- Скорость перестройки частоты (время переходного процесса ГУН). Это время, которое требуется для установления выходной частоты ГУН на 90 % от её конечного значения после начала перестройки частоты ГУН;
- Ширина полосы частот модуляции. Это частота модулирующего сигнала, при которой девиация частоты уменьшается до 0,707 от её постоянного значения. Обычно она зависит от полного сопротивления источника модулирующего сигнала, типичное значение которого 50 Ом;
- Остаточная расстройка ГУН. При скачкообразном изменении напряжения перестройки ГУН перестроится от начальной частоты f1 до конечной частоты f2. При этом частота f2 установится до требуемого значения через некоторое время. Остаточная расстройка ГУН — это отклонение частоты от конечного значения за определённое время после скачкообразного изменения напряжения перестройки;
- Уход частоты ГУН. Это отклонение частоты от конечного значения за определённое время после скачкообразного изменения напряжения перестройки;
- Уход частоты ГУН при изменении температуры. Это изменение частоты ГУН в зависимости от температуры при постоянном напряжении перестройки;
- Затягивание частоты. Это отклонение выходной частоты ГУНа от номинальной величины, вызванное изменениями его выходной нагрузки;
- Смещение частоты. Это изменение выходной частоты ГУНа при внешних воздействиях, исключая изменение величины нагрузки генератора, при постоянном напряжении настройки;
- Коэффициент гармоник выходного напряжения ГУН. Это уровень гармонических составляющих выходного сигнала. Измеряется в дБ по отношению к несущей (дБн);
- Побочные составляющие, негармонические побочные составляющие. Побочные компоненты и негармонически зависимые сигналы, присутствующие в спектре выходного сигнала ГУН;
- Фазовый шум. Он измеряется в полосе 1 Гц по отношению к мощности несущей частоты при определённом частотном сдвиге или расстройке от неё[1][5].
См. также
Примечания
- 1 2 Генераторы, управляемые напряжением Архивная копия от 25 октября 2013 на Wayback Machine.
- ↑ Управляемые напряжением генераторы Архивная копия от 30 мая 2012 на Wayback Machine // ОАО «ЛИТ-ФОНОН».
- ↑ Генераторы, управляемые напряжением. Коммутируемые ГУН Архивная копия от 25 октября 2013 на Wayback Machine // «РадиоДизайн и РЧ технологии».
- ↑ Этот параметр существенно важен при использовании ГУН в качестве преобразователя напряжение-частота.
- ↑ ГУН — Радио-Вики Архивная копия от 11 мая 2012 на Wayback Machine.
Ссылки
- Хоровиц П., Хилл У. Искусство схемотехники. — М., Мир, 1998. — 704 с. — ISBN 978-5-9518-0351-1
- Схемы генераторов, управляемых напряжением.
- Схемы (англ.)